СИСТЕМА ЗАПУСКА И ОСТАНОВА, диагностический DTC:P161D

Код DTC Наименование DTC
P161D Starter Delay Circuit

ОПИСАНИЕ

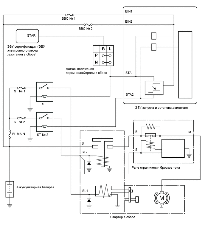
Благодаря цепи задержки стартера ЭБУ запуска и останова двигателя может активировать реле ST № 2 (управляющее работой стартера) после активации реле ST (управляющее работой шестерни стартера) для управления стартером в сборе.

Проверяя состояние реле ST (управляющее работой шестерни стартера) и реле ST № 2 (управляющее работу стартера), ЭБУ запуска и останова двигателя определяет заедание транзистора цепи задержки стартера. Если обнаружено заедание транзистора в цепи задержки стартера во включенном состоянии, ЭБУ запуска и останова двигателя включает контрольную лампу отключения системы запуска и останова в мигающем режиме и регистрирует DTC P161D. Если обнаружено заедание транзистора в цепи задержки стартера во включенном состоянии, реле ST (управляющее работой шестерни стартера) и реле ST № 2 (управляющее работой электродвигателя стартера) включаются одновременно.

A362021E05

№ DTC

Неисправность

Условие обнаружения DTC

Неисправный участок

Индикация предупреждения

Память

P161D

Starter Delay Circuit

Удовлетворены оба следующих условия (логика диагностирования за 1 поездку):

  • Питание включено (IG)

  • Время между включением реле ST (шестерни стартера) и реле ST № 2 (электродвигателя стартера) становится менее 0,016 с не менее чем 3 раза

ЭБУ запуска и останова двигателя

Мигает

Код DTC сохраняется

ПРОВЕРОЧНАЯ ПОЕЗДКА

Tip:

Коды DTC системы запуска и останова не удаляются, даже если неисправность устранена. Поэтому после устранения неисправности необходимо самостоятельно удалить коды DTC.

Нажмите здесьClick here

  1. ПРОВЕРКА ПОСЛЕ УСТРАНЕНИЯ НЕИСПРАВНОСТИ

    Tip:
    • Когда провод отсоединяется от вывода аккумуляторной батареи, работа системы запуска и останова запрещается до завершения режима восстановительной подзарядки.

      В этом случае необходимо дать автомобилю поработать на холостому ходу, чтобы завершить режим восстановительной подзарядки. Режим восстановительной подзарядки завершается, если значение параметра Data List "Status of Battery Charge Control" изменяется со значения "Refresh Charge Mode". (Как правило, режим восстановительной подзарядки завершается при работе двигателя на холостом ходу в течение от 5 до 60 минут при температуре электролита аккумуляторной батареи не менее 11°C (52°F).)

    • Если GTS не доступен и параметр режима Data List "Status of Battery Charge Control" невозможно проверить, зарядите аккумуляторную батарею, двигатель работает на холостом ходу в течение 5 – 60 мин или движения автомобиля, а затем совершите поездку на автомобиле и убедитесь, что система запуска и останова работает.

      Если двигатель запускается при открытом капоте, система определяет, что произошел запуск от внешнего источника. По этой причине убедитесь, что капот закрыт перед запуском двигателя и поездкой на автомобиле.

    • После завершения режима восстановительной подзарядки выключите зажигание и подождите не менее 30 с, а затем снова запустите двигатель. Если автомобиль снова переходит в режим восстановительной подзарядки во время работы двигателя на холостом ходу, первоначальный режим восстановительной подзарядки не был завершен должным образом, поэтому дождитесь полного завершения режима восстановительной подзарядки.

    • После прогрева двигателя дайте ему поработать на холостом ходу в течение 3 мин и убедитесь, что частота вращения коленчатого вала двигателя отличается от заданной частоты вращения не более чем на 50 об/мин.

    1. Подключите GTS к DLC3.

    2. Включите зажигание (IG) и включите GTS.

    3. Удалите коды DTC.

    4. Запустите и прогрейте двигатель.

    5. Совершите поездку на автомобиле со скоростью 7 км/час (4,3 мили в час) или выше.

      CAUTION:

      Во время поездки в проверочном режиме соблюдайте все ограничения скорости и правила дорожного движения.

    6. Нажмите на педаль тормоза и остановите двигатель.

    7. Дайте двигателю быть остановленным системой запуска и останова. (Поддерживайте рычаг переключения передач в положении D.)

    8. Отпустите педаль тормоза, когда рычаг переключения передач находится в положении D, чтобы запустить двигатель.

    9. Совершите поездку на автомобиле со скоростью 7 км/час (4,3 мили в час) или выше.

      CAUTION:

      Во время поездки в проверочном режиме соблюдайте все ограничения скорости и правила дорожного движения.

    10. Нажмите на педаль тормоза и остановите двигатель.

    11. Дайте двигателю быть остановленным системой запуска и останова. (Поддерживайте рычаг переключения передач в положении D.)

    12. Отпустите педаль тормоза, когда рычаг переключения передач находится в положении D, чтобы запустить двигатель.

    13. Совершите поездку на автомобиле со скоростью 7 км/час (4,3 мили в час) или выше.

      CAUTION:

      Во время поездки в проверочном режиме соблюдайте все ограничения скорости и правила дорожного движения.

    14. Нажмите на педаль тормоза и остановите двигатель.

    15. Дайте двигателю быть остановленным системой запуска и останова. (Поддерживайте рычаг переключения передач в положении D.)

    16. Отпустите педаль тормоза, когда рычаг переключения передач находится в положении D, чтобы запустить двигатель.

    17. Убедитесь, коды DTC не выводятся.

  2. ПРОВЕРКА РАБОТЫ СИСТЕМЫ ЗАПУСКА И ОСТАНОВА

    Tip:
    • Когда провод отсоединяется от вывода аккумуляторной батареи, работа системы запуска и останова запрещается до завершения режима восстановительной подзарядки.

      В этом случае необходимо дать автомобилю поработать на холостому ходу, чтобы завершить режим восстановительной подзарядки. Режим восстановительной подзарядки завершается, если значение параметра Data List "Status of Battery Charge Control" изменяется со значения "Refresh Charge Mode". (Как правило, режим восстановительной подзарядки завершается при работе двигателя на холостом ходу в течение от 5 до 60 минут при температуре электролита аккумуляторной батареи не менее 11°C (52°F).)

    • Если GTS не доступен и параметр режима Data List "Status of Battery Charge Control" невозможно проверить, зарядите аккумуляторную батарею, двигатель работает на холостом ходу в течение 5 – 60 мин или движения автомобиля, а затем совершите поездку на автомобиле и убедитесь, что система запуска и останова работает.

      Если двигатель запускается при открытом капоте, система определяет, что произошел запуск от внешнего источника. По этой причине убедитесь, что капот закрыт перед запуском двигателя и поездкой на автомобиле.

    • После завершения режима восстановительной подзарядки выключите зажигание и подождите не менее 30 с, а затем снова запустите двигатель. Если автомобиль снова переходит в режим восстановительной подзарядки во время работы двигателя на холостом ходу, первоначальный режим восстановительной подзарядки не был завершен должным образом, поэтому дождитесь полного завершения режима восстановительной подзарядки.

    1. Запустите и прогрейте двигатель.

    2. Выключите систему кондиционирования.

    3. Совершите поездку на автомобиле со скоростью 7 км/час (4,3 мили в час) или выше.

      CAUTION:

      Во время поездки в проверочном режиме соблюдайте все ограничения скорости и правила дорожного движения.

    4. Нажмите на педаль тормоза и остановите двигатель.

    5. Дайте двигателю остановится под управлением системы запуска и останова. (Поддерживайте рычаг переключения передач в положении D.)

    6. Отпустите педаль тормоза, когда рычаг переключения передач находится в положении D, чтобы запустить двигатель.

СХЕМА СОЕДИНЕНИЙ

Нажмите здесьClick here

ПРЕДОСТЕРЕЖЕНИЕ / ПРИМЕЧАНИЕ / УКАЗАНИЕ

Note:
  • Перед тем, как заменять ЭБУ запуска и останова двигателя, считайте число запусков стартера и общее количество запусков двигателя и запишите их в новый ЭБУ запуска и останова двигателя.

    Нажмите здесьClick here

  • После замены ЭБУ запуска и останова двигателя или блока управления системой кондиционирования выполните сброс и настройте данные системы кондиционирования в ЭБУ запуска и останова двигателя.

    Нажмите здесьClick here

  • После замены ЭБУ запуска и останова двигателя, ЭБУ системы SRS в сборе*1 или датчика замедления и рысканья*2 выполните удаление и калибровку "нуля" датчика замедления в ЭБУ запуска и останова двигателя.

    Нажмите здесьClick here

    • *1: для моделей с щитком приборов с оригинальной системой подсветки "Optitron"

    • *2: для моделей с щитком приборов с TFT-дисплеем

Tip:

Перед диагностикой считайте данные фиксированного набора параметров с помощью GTS. Одновременно с записью в память кода DTC состояние системы сохраняется в данных фиксированного набора параметров. Эта информация может быть полезна при поиске и устранении неисправностей.

Нажмите здесьClick here

ПОРЯДОК ВЫПОЛНЕНИЯ

  1. ПРОВЕРЬТЕ ЭБУ ЗАПУСКА И ОСТАНОВА ДВИГАТЕЛЯ (СИГНАЛ STA, STA2)

    1. Подсоедините осциллограф к контактам A66-21 (STA), A66-23 (STA2) и A66-6 (DGND).

      A346331C78

      *a

      Устройство с подсоединенным жгутом проводов

      (ЭБУ запуска и останова двигателя)

      -

      -

    2. A285702E13

      Проверьте форму сигнала сразу после включения зажигания (START).

      Параметр / Устройство

      Условие

      Подключение диагностического прибора

      A66-21 (STA) - A66-6 (DGND)

      A66-23 (STA2) - A66-6 (DGND)

      Условие

      Двигатель запущен с помощью нажимного пускового переключателя в сборе

      Result

      Result

      Следующий шаг

      Время между включением реле ST (шестерни стартера) и реле ST № 2 (электродвигателя стартера) становится не менее чем 0,016 с

      A

      Время между включением реле ST (шестерни стартера) и реле ST № 2 (электродвигателя стартера) становится не более чем 0,016 с

      B

    A

    ВЫПОЛНИТЕ ПРОВЕРКУ С ИМИТАЦИЕЙ УСЛОВИЙ ВОЗНИКНОВЕНИЯ НЕИСПРАВНОСТИ

    Нажмите здесьClick hereClick hereClick hereClick here

    B

    ЗАМЕНИТЕ ЭБУ ЗАПУСКА И ОСТАНОВА ДВИГАТЕЛЯ

    Нажмите здесьClick hereClick here