AIRBAG SYSTEM, Diagnostic DTC:B1860/64,B1861/64,B1862/64 and B1863/64

DTC Code DTC Name
B1860/64 Short in Driver Side Knee Airbag Squib Circuit
B1861/64 Open in Driver Side Knee Airbag Squib Circuit
B1862/64 Short to GND in Driver Side Knee Airbag Squib Circuit
B1863/64 Short to B+ in Driver Side Knee Airbag Squib Circuit

DESCRIPTION

The driver side knee airbag squib circuit consists of the center airbag sensor and lower No. 1 instrument panel airbag.

This circuit instructs the SRS to deploy when deployment conditions are met.

These DTCs are stored when a malfunction is detected in the driver side knee squib circuit.

DTC Code

DTC Detection Condition

Trouble Area

B1860/64

One of the following conditions is met:

  • The center airbag sensor receives a line short circuit signal 5 times in the driver side knee squib circuit during the primary check.

  • A driver side knee squib malfunction.

  • A center airbag sensor malfunction.

  • Instrument panel wire

  • Lower No. 1 instrument panel airbag assembly (Driver side knee squib)

  • Center airbag sensor assembly

B1861/64

One of the following conditions is met:

  • The center airbag sensor receives an open circuit signal in the driver side knee squib circuit for 2 seconds.

  • A driver side knee squib malfunction.

  • A center airbag sensor malfunction.

  • Instrument panel wire

  • Lower No. 1 instrument panel airbag assembly (Driver side knee squib)

  • Center airbag sensor assembly

B1862/64

One of the following conditions is met:

  • The airbag sensor center receives a short circuit to ground signal in the knee airbag (driver side knee squib) circuit for 0.5 seconds.

  • A driver side knee squib malfunction.

  • A center airbag sensor malfunction.

  • Instrument panel wire

  • Lower No. 1 instrument panel airbag assembly (Driver side knee squib)

  • Center airbag sensor assembly

B1863/64

One of the following conditions is met:

  • The airbag sensor center receives a short circuit to B+ signal in the knee airbag (driver side knee squib) circuit for 0.5 seconds.

  • A driver side knee squib malfunction.

  • A center airbag sensor malfunction.

  • Instrument panel wire

  • Lower No. 1 instrument panel airbag assembly (Driver side knee squib)

  • Center airbag sensor assembly

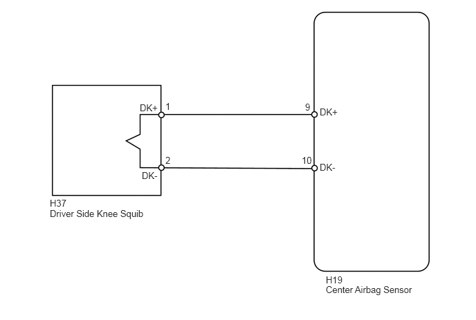
WIRING DIAGRAM

C146265E52

CAUTION / NOTICE / HINT

Note:
  • When disconnecting the cable from the negative (-) battery terminal while performing repairs, some systems need to be initialized after the cable is reconnected (Click here).

  • w/ Navigation System (for HDD):

    After the ignition switch is turned off, the HDD navigation system requires approximately a minute to record various types of memory and settings. As a result, after turning the ignition switch off, wait a minute or more before disconnecting the cable from the negative (-) battery terminal.

Tip:

To perform the simulation method, enter check mode (signal check) with the intelligent tester (Click here), and then wiggle each connector of the airbag system or drive the vehicle on various types of roads (Click here).

PROCEDURE

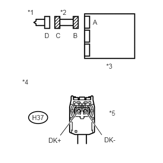
  1. CHECK LOWER NO. 1 INSTRUMENT PANEL AIRBAG (DRIVER SIDE KNEE SQUIB)

    1. U123065E02

      Turn the ignition switch off.

    2. Disconnect the cable from the negative (-) battery terminal, and wait for at least 90 seconds.

    3. Disconnect the connector from the lower No. 1 instrument panel airbag.

    4. Connect the white wire side of SST (resistance: 2.1 Ω) to connector C.

      CAUTION:

      Never connect the tester to the lower No. 1 instrument panel airbag (driver side knee squib) for measurement, as this may lead to a serious injury due to airbag deployment.

      Note:
      • Do not forcibly insert SST into the terminals of the connector when connecting SST.

      • Insert SST straight into the terminals of the connector.

    5. Connect the cable to the negative (-) battery terminal, and wait for at least 2 seconds.

    6. Turn the ignition switch to ON, and wait for at least 60 seconds.

    7. Clear the DTCs (Click here).

    8. Turn the ignition switch off.

    9. Turn the ignition switch to ON, and wait for at least 60 seconds.

    10. Check for DTCs (Click here).

      OK

      DTC B1860, B1861, B1862 or B1863 is not output.

      Tip:

      Codes other than DTC B1860, B1861, B1862 and B1863 may be output at this time, but they are not related to this check.

      Table 1. Text in Illustration

      *1

      Driver Side Knee Squib

      *2

      Center Airbag Sensor

      *3

      Front view of wire harness connector

      (to Driver Side Knee Squib)

      *4

      Connector C

    09843-18061

    REPLACE LOWER NO. 1 INSTRUMENT PANEL AIRBAG ASSEMBLY

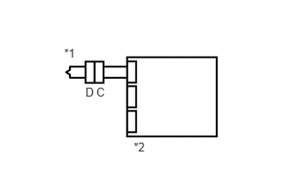
  2. CHECK CONNECTOR

    1. Turn the ignition switch off.

    2. Disconnect the cable from the negative (-) battery terminal, and wait for at least 90 seconds.

    3. Disconnect SST from connector C.

    4. Check that the instrument panel wire connector (on the lower No. 1 instrument panel airbag side) is not damaged.

      OK

      The lock button is not disengaged, and the claw of the lock is not deformed or damaged.

    REPLACE INSTRUMENT PANEL WIRE

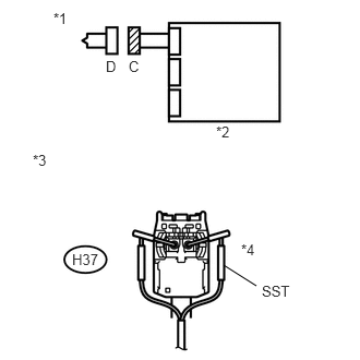
  3. CHECK INSTRUMENT PANEL WIRE (DRIVER SIDE KNEE SQUIB CIRCUIT)

    1. U123066E02

      Disconnect the connector from the center airbag sensor.

    2. Connect the cable to the negative (-) battery terminal, and wait for at least 2 seconds.

    3. Measure the voltage according to the value(s) in the table below.

      Standard Voltage

      Tester Connection

      Switch Condition

      Specified Condition

      H37-1 (DK+) - Body ground

      Ignition switch ON

      Below 1 V

      H37-2 (DK-) - Body ground

      Ignition switch ON

      Below 1 V

    4. Turn the ignition switch off.

    5. Disconnect the cable from the negative (-) battery terminal, and wait for at least 90 seconds.

    6. Measure the resistance according to the value(s) in the table below.

      Standard Resistance

      Tester Connection

      Condition

      Specified Condition

      H37-1 (DK+) - H37-2 (DK-)

      Always

      Below 1 Ω

    7. Release the activation prevention mechanism built into connector B (Click here).

    8. Measure the resistance according to the value(s) in the table below.

      Standard Resistance

      Tester Connection

      Condition

      Specified Condition

      H37-1 (DK+) - H37-2 (DK-)

      Always

      1 MΩ or higher

      H37-1 (DK+) - Body ground

      Always

      1 MΩ or higher

      H37-2 (DK-) - Body ground

      Always

      1 MΩ or higher

    Table 2. Text in Illustration

    *1

    Driver Side Knee Squib

    *2

    Instrument Panel Wire

    *3

    Center Airbag Sensor

    *4

    Front view of wire harness connector

    (to Driver Side Knee Squib)

    *5

    Connector C

    REPLACE INSTRUMENT PANEL WIRE

  4. CHECK CENTER AIRBAG SENSOR

    1. C198558E02

      Connect the connectors to the lower No. 1 instrument panel airbag and center airbag sensor.

    2. Connect the cable to the negative (-) battery terminal, and wait for at least 2 seconds.

    3. Turn the ignition switch to ON, and wait for at least 60 seconds.

    4. Clear the DTCs (Click here).

    5. Turn the ignition switch off.

    6. Turn the ignition switch to ON, and wait for at least 60 seconds.

    7. Check for DTCs (Click here).

      OK

      DTC B1860, B1861, B1862 or B1863 is not output.

      Tip:

      Codes other than DTC B1860, B1861, B1862 and B1863 may be output at this time, but they are not related to this check.

      Table 3. Text in Illustration

      *1

      Driver Side Knee Squib

      *2

      Center Airbag Sensor

    USE SIMULATION METHOD TO CHECK

    REPLACE CENTER AIRBAG SENSOR ASSEMBLY