LIGHTING SYSTEM Interior Light Circuit

DTC Code DTC Name
Interior Light Circuit

DESCRIPTION

The main body ECU (multiplex network body ECU) controls the map light and No. 1 room light.

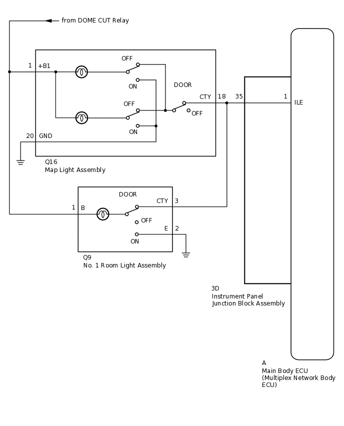
WIRING DIAGRAM

E340597E02

CAUTION / NOTICE / HINT

Note:
  • Inspect the fuses and bulbs for circuits related to this system before performing the following inspection procedure.

  • When replacing the main body ECU (multiplex network body ECU), make sure to replace it with a new one.

PROCEDURE

  1. PERFORM ACTIVE TEST USING GTS (MAP LIGHT AND NO. 1 ROOM LIGHT)

    1. Using the GTS, perform the Active Test.

      Click hereClick here

      Body Electrical > Main Body > Active Test

      Tester Display

      Measurement Item

      Control Range

      Diagnostic Note

      Illuminated Entry System

      Map light and No. 1 room light

      ON or OFF

      Turn the map light switch and No. 1 room light switch to the DOOR position.

      Body Electrical > Main Body > Active Test

      Tester Display

      Illuminated Entry System

    Result

    Result

    Proceed to

    Map light assembly and No. 1 room light assembly light comes on

    A

    Map light assembly and No. 1 room light assembly does not comes on

    B

    Map light assembly or No. 1 room light assembly does not comes on

    C

    A

    PROCEED TO NEXT SUSPECTED AREA SHOWN IN PROBLEM SYMPTOMS TABLE

    C

    PROCEED TO NEXT SUSPECTED AREA SHOWN IN PROBLEM SYMPTOMS TABLE

    B
  2. INSPECT MAP LIGHT ASSEMBLY

    1. Remove the map light assembly.

      Click here

    2. Inspect the map light assembly.

      Click here

    Result

    Proceed to

    OK

    NG

    NG

    REPLACE MAP LIGHT ASSEMBLY

    OK
  3. CHECK HARNESS AND CONNECTOR (MAP LIGHT ASSEMBLY - AUXILIARY BATTERY AND BODY GROUND)

    1. Disconnect the map light assembly connector.

    2. Measure the voltage according to the value(s) in the table below.

      Standard Voltage

      Tester Connection

      Condition

      Specified Condition

      Q16-1 (+B1) - Body ground

      Battery saving control (interior light auto cut function) not operating

      11 to 14 V

    3. Measure the resistance according to the value(s) in the table below.

      Standard Resistance

      Tester Connection

      Condition

      Specified Condition

      Q16-20 (GND) - Body ground

      Always

      Below 1 Ω

    Result

    Proceed to

    OK

    NG

    NG

    REPAIR OR REPLACE HARNESS OR CONNECTOR

    OK
  4. CHECK HARNESS AND CONNECTOR (MAP LIGHT ASSEMBLY - INSTRUMENT PANEL JUNCTION BLOCK ASSEMBLY)

    1. Disconnect the map light assembly connector.

    2. Disconnect the 3D instrument panel junction block assembly connector.

    3. Measure the resistance according to the value(s) in the table below.

      Standard Resistance

      Tester Connection

      Condition

      Specified Condition

      Q16-18 (CTY) - 3D-35

      Always

      Below 1 Ω

      Q16-18 (CTY) - Body ground

      Always

      10 kΩ or higher

    Result

    Proceed to

    OK

    NG

    NG

    REPLACE INSTRUMENT PANEL JUNCTION BLOCK ASSEMBLY

    for LHD:

    Click here

    for RHD:

    Click here

    OK
  5. INSPECT INSTRUMENT PANEL JUNCTION BLOCK ASSEMBLY

    1. E270727N02

      Remove the instrument panel junction block assembly.

      for LHD:

      Click here

      for RHD:

      Click here

    2. Remove the main body ECU (multiplex network body ECU) from the instrument panel junction block assembly.

      for LHD:

      Click here

      for RHD:

      Click here

    3. Measure the resistance according to the value(s) in the table below.

      Standard Resistance

      Tester Connection

      Condition

      Specified Condition

      A-1 (ILE) - 3D-35

      Always

      Below 1 Ω

    Result

    Proceed to

    OK

    NG

    OK

    REPLACE MAIN BODY ECU (MULTIPLEX NETWORK BODY ECU)

    for LHD:

    Click here

    for RHD:

    Click here

    NG

    REPLACE INSTRUMENT PANEL JUNCTION BLOCK ASSEMBLY

    for LHD:

    Click here

    for RHD:

    Click here