POWER DOOR LOCK CONTROL SYSTEM Only Back Door cannot be Opened

DTC Code DTC Name
Only Back Door cannot be Opened

DESCRIPTION

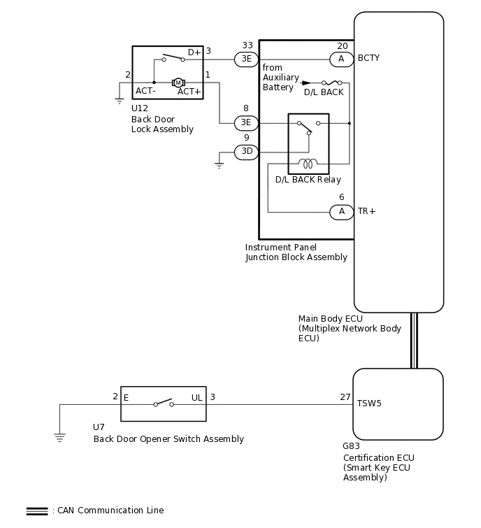
The main body ECU (multiplex network body ECU) receives signals from the back door opener switch assembly. Then, the main body ECU (multiplex network body ECU) activates the back door lock motor.

WIRING DIAGRAM

E341830E04

CAUTION / NOTICE / HINT

Note:
  • The power door lock control system uses the CAN communication system. Inspect the communication function by following How to Proceed with Troubleshooting. Troubleshoot the power door lock control system after confirming that the communication systems are functioning properly.

    Click here

  • Before performing this troubleshooting, perform troubleshooting for "Back Door Entry Unlock Function does not Operate" for the Entry and start system (for Entry Function) first.

    Click here

  • Inspect the fuses for circuits related to this system before performing the following inspection procedure.

  • When replacing the main body ECU (multiplex network body ECU), make sure to replace it with a new one.

PROCEDURE

  1. INSPECT BACK DOOR LOCK ASSEMBLY

    1. Remove the back door lock assembly.

      Click here

    2. Inspect the back door lock assembly.

      Click here

    Result

    Proceed to

    OK

    NG

    NG

    REPLACE BACK DOOR LOCK ASSEMBLY

    OK
  2. CHECK HARNESS AND CONNECTOR (BACK DOOR LOCK ASSEMBLY - INSTRUMENT PANEL JUNCTION BLOCK ASSEMBLY AND BODY GROUND)

    1. Disconnect the 3E instrument panel junction block assembly connector.

    2. Measure the resistance according to the value(s) in the table below.

      Standard Resistance

      Tester Connection

      Condition

      Specified Condition

      U12-1 (ACT+) - 3E-8 (TR+)

      Always

      Below 1 Ω

      U12-3 (D+) - 3E-33 (BCTY)

      U12-2 (ACT-) - Body ground

      U12-1 (ACT+) or 3E-8 (TR+) - Body ground

      Always

      10 kΩ or higher

      U12-3 (D+) or 3E-33 (BCTY) - Body ground

    Result

    Proceed to

    OK

    NG

    NG

    REPAIR OR REPLACE HARNESS OR CONNECTOR

    OK
  3. CHECK INSTRUMENT PANEL JUNCTION BLOCK ASSEMBLY

    1. Remove the instrument panel junction block assembly.

      for LHD:Click here

      for RHD:Click here

    2. Remove the main body ECU (multiplex network body ECU) from the instrument panel junction block assembly.

    3. Measure the resistance according to the value(s) in the table below.

      B375842C03

      *a

      Component without harness connected

      (Instrument Panel Junction Block Assembly)

      -

      -

      Standard Resistance

      Tester Connection

      Condition

      Specified Condition

      A-20 (BCTY) - 3E-33

      Always

      Below 1 Ω

    Result

    Proceed to

    OK

    NG

    NG

    REPLACE INSTRUMENT PANEL JUNCTION BLOCK ASSEMBLY

    for LHD:Click here

    for RHD:Click here

    OK
  4. CHECK INSTRUMENT PANEL JUNCTION BLOCK ASSEMBLY (D/L BACK RELAY)

    1. Disconnect the instrument panel junction block assembly connector.

      E295722C04

      *a

      Front view of wire harness connector

      (to Instrument Panel Junction Block Assembly)

      -

      -

    2. Measure the resistance according to the value(s) in the table below.

      Standard Resistance

      Tester Connection

      Condition

      Specified Condition

      3D-9 - 3E-8

      Auxiliary battery voltage applied to terminals 3A-1 and A-6

      10 kΩ or higher

      3D-9 - 3E-8

      Auxiliary battery voltage not applied to terminals 3A-1 and A-6

      Below 1 Ω

    3. Measure the voltage according to the value(s) in the table below.

      Standard Voltage

      Tester Connection

      Condition

      Specified Condition

      3E-8 - Auxiliary battery negative (-) terminal

      Auxiliary battery voltage applied to terminals 4F-1 and A-6

      11 to 14 V

    Result

    Proceed to

    OK

    NG

    OK

    REPLACE MAIN BODY ECU (MULTIPLEX NETWORK BODY ECU)

    for LHD:Click here

    for RHD:Click here

    NG

    REPLACE INSTRUMENT PANEL JUNCTION BLOCK ASSEMBLY

    for LHD:Click here

    for RHD:Click here