AIRBAG SYSTEM(w/ Occupant Classification System), Diagnostic DTC:B1650/32

DTC Code DTC Name
B1650/32 Occupant Classification System Malfunction

DESCRIPTION

The occupant classification system circuit consists of the airbag sensor assembly and occupant detection ECU.

If the airbag sensor assembly receives signals from the occupant detection ECU, it determines whether the instrument panel passenger airbag, front seat airbag RH and front seat outer belt assembly should be operated.

DTC B1650/32 is stored when a malfunction is detected in the occupant classification system circuit.

DTC No.

Detection Item

DTC Detection Condition

Trouble Area

B1650/32

Occupant Classification System Malfunction

  • One of the following conditions is met:

  • An occupant classification system malfunction.

  • The airbag sensor assembly detects a line short circuit signal, open circuit signal, short circuit to ground signal or short circuit to B+ signal in the occupant classification system circuit for 2 seconds.

  • An airbag sensor assembly malfunction.

  • Floor wire

  • Front seat wire RH

  • Occupant detection ECU

  • Airbag sensor assembly

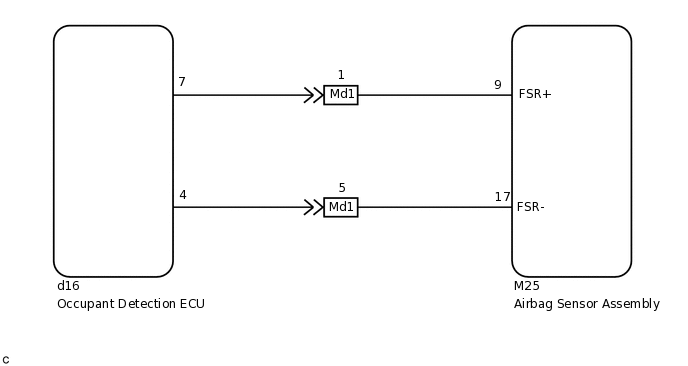
WIRING DIAGRAM

C238367E13

CAUTION / NOTICE / HINT

Note:
  • After turning the power switch off, waiting time may be required before disconnecting the cable from the negative (-) auxiliary battery terminal. Therefore, make sure to read the disconnecting the cable from the negative (-) auxiliary battery terminal notices before proceeding with work.

    Click hereClick hereClick hereClick here

  • When disconnecting the cable from the negative (-) auxiliary battery terminal while performing repairs, some systems need to be initialized after the cable is reconnected.

    Click hereClick hereClick here

  • After replacing the airbag sensor assembly, refer to initialization.

    Click hereClick hereClick here

PROCEDURE

  1. CHECK DTC

    1. Turn the power switch to on (IG), and wait for at least 10 seconds.

    2. Clear the DTCs.

      Click here

      Body Electrical > Occupant Detection > Clear DTCs

    3. Check for DTCs of the occupant detection ECU.

      Click here

      Body Electrical > Occupant Detection > Trouble Codes

    Result

    Proceed to

    DTC is not output

    DTC is output

    DTC is output

    GO TO OCCUPANT CLASSIFICATION SYSTEM

    DTC is not output
  2. CHECK DTC

    1. Turn the power switch to on (IG), and wait for at least 60 seconds.

    2. Clear the DTCs.

      Click here

      Body Electrical > SRS Airbag > Clear DTCs

    3. Turn the power switch off.

    4. Turn the power switch to on (IG), and wait for at least 60 seconds.

    5. Check for DTCs.

      Click here

      Body Electrical > SRS Airbag > Trouble Codes

      Result

      Proceed to

      DTC B1650/32 is not output

      DTC B1650/32 is output

      Tip:

      Codes other than DTC B1650/32 may be output at this time, but they are not related to this check.

    DTC B1650/32 is not output

    USE SIMULATION METHOD TO CHECK

    DTC B1650/32 is output
  3. CHECK CONNECTION OF CONNECTORS

    1. Turn the power switch off.

    2. Disconnect the cable from the negative (-) auxiliary battery terminal, and wait for at least 90 seconds.

    3. Check that the connectors are properly connected to the airbag sensor assembly and occupant detection ECU.

    Result

    Proceed to

    Connectors are properly connected

    Connectors are not properly connected

    Connectors are not properly connected

    CONNECT CONNECTORS PROPERLY

    Connectors are properly connected
  4. CHECK CONNECTORS

    1. C253249C01

      *1

      Occupant Detection ECU

      *2

      Airbag Sensor Assembly

      Disconnect the connectors from the airbag sensor assembly and occupant detection ECU.

    2. Check that the connectors (on the airbag sensor assembly side and occupant detection ECU side) are not damaged.

    Result

    Proceed to

    Connectors are not deformed or damaged

    Connectors are deformed or damaged

    Connectors are deformed or damaged

    REPLACE HARNESS AND CONNECTOR

    Connectors are not deformed or damaged
  5. CHECK OCCUPANT DETECTION ECU CIRCUIT

    1. Connect the cable to the negative (-) auxiliary battery terminal, and wait for at least 2 seconds.

      C253250C01

      *1

      Occupant Detection ECU

      *2

      Airbag Sensor Assembly

      *3

      Connector E

      *4

      Connector B

      *5

      Service Wire

      -

      -

      *a

      Front view of wire harness connector

      (to Occupant Detection ECU)

      *b

      Rear view of wire harness connector

      (to Airbag Sensor Assembly)

    2. Turn the power switch to on (IG).

    3. Measure the voltage according to the value(s) in the table below.

      Standard Voltage

      Tester Connection

      Switch Condition

      Specified Condition

      d16-7 - Body ground

      Power switch on (IG)

      Below 1 V

      d16-4 - Body ground

      Power switch on (IG)

      Below 1 V

    4. Turn the power switch off.

    5. Disconnect the cable from the negative (-) auxiliary battery terminal, and wait for at least 90 seconds.

    6. Using a service wire, connect terminals 9 (FSR+) and 17 (FSR-) of connector B.

      Note:

      Do not forcibly insert the service wire into the terminals of the connector when connecting a service wire.

    7. Measure the resistance according to the value(s) in the table below.

      Standard Resistance

      Tester Connection

      Condition

      Specified Condition

      d16-7 - d16-4

      Always

      Below 1 Ω

    8. Disconnect the service wire from connector B.

    9. Measure the resistance according to the value(s) in the table below.

      Standard Resistance

      Tester Connection

      Condition

      Specified Condition

      d16-7 - d16-4

      Always

      1 MΩ or higher

      d16-7 - Body ground

      Always

      1 MΩ or higher

      d16-4 - Body ground

      Always

      1 MΩ or higher

    Result

    Proceed to

    OK

    NG

    OK

    REPLACE AIRBAG SENSOR ASSEMBLY

    NG
  6. CHECK FLOOR WIRE

    1. Disconnect the front seat inner belt assembly RH connector from the floor wire.

      C282012C01

      *1

      Occupant Detection ECU

      *2

      Airbag Sensor Assembly

      *3

      Front Seat Wire RH

      *4

      Floor Wire

      *5

      Connector C

      *6

      Connector B

      *7

      Service Wire

      -

      -

      *a

      Front view of wire harness connector

      (to Front Seat Wire RH)

      *b

      Rear view of wire harness connector

      (to Airbag Sensor Assembly)

    2. Connect the cable to the negative (-) auxiliary battery terminal, and wait for at least 2 seconds.

    3. Turn the power switch to on (IG).

    4. Measure the voltage according to the value(s) in the table below.

      Standard Voltage

      Tester Connection

      Switch Condition

      Specified Condition

      Md1-1 - Body ground

      Power switch on (IG)

      Below 1 V

      Md1-5 - Body ground

      Power switch on (IG)

      Below 1 V

    5. Turn the power switch off.

    6. Disconnect the cable from the negative (-) auxiliary battery terminal, and wait for at least 90 seconds.

    7. Using a service wire, connect terminals 9 (FSR+) and 17 (FSR-) of connector B.

      Note:

      Do not forcibly insert the service wire into the terminals of the connector when connecting a service wire.

    8. Measure the resistance according to the value(s) in the table below.

      Standard Resistance

      Tester Connection

      Condition

      Specified Condition

      Md1-1 - Md1-5

      Always

      Below 1 Ω

    9. Disconnect the service wire from connector B.

    10. Measure the resistance according to the value(s) in the table below.

      Standard Resistance

      Tester Connection

      Condition

      Specified Condition

      Md1-1 - Md1-5

      Always

      1 MΩ or higher

      Md1-1 - Body ground

      Always

      1 MΩ or higher

      Md1-5 - Body ground

      Always

      1 MΩ or higher

    Result

    Proceed to

    OK

    NG

    OK

    REPLACE FRONT SEAT WIRE RH

    NG

    REPLACE FLOOR WIRE