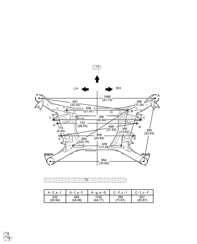
REAR SUSPENSION CROSSMEMBER THREE-DIMENSIONAL DISTANCE

Tech Tips


  • In cases in which only one dimension is given, left and right are symmetrical.


  • For symbols, capital letters indicate right side of vehicle, small letters indicate left side of vehicle (seen from rear).

Measuring Point Name
Symbol Name

Hole Diameter

mm (in.)

A, a Rear Suspension Crossmember Installation Hole φ60 (2.36)
B, b Rear Suspension Crossmember Standard Hole φ10 (0.39)
C, c Rear Suspension Lower Arm Installation Hole 14.5X25 (0.57X0.98)
D, d Rear Suspension Upper Arm Installation Hole φ13.5 (0.53)
E, e Rear Suspension Upper Arm Installation Hole φ13.5 (0.53)
F, f Rear Suspension Lower Arm Installation Hole φ12.5 (0.49)
G, g Rear Suspension Crossmember Installation Hole φ60 (2.36)
A004L7FE01
*1 Front
*2 Distance between points other than those above
*3 mm
*4 (in.)