HYBRID CONTROL SYSTEM, Diagnostic DTC:P0A08-264

DTC Code DTC Name
P0A08-264 DC / DC Converter Status Circuit

DESCRIPTION

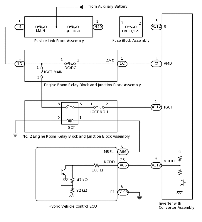
The DC/DC converter converts the DC 244.8 V of the HV battery into DC 12 V in order to supply power to areas such as the vehicle's lighting, audio, and ECU systems. In addition, it charges the auxiliary battery.

A transistor bridge circuit initially converts DC 244.8 V into alternating current, and a transformer lowers the voltage. Then, it is rectified and smoothed (into direct current) and converted into DC 12 V. The DC/DC converter controls the output voltage in order to keep a constant voltage at the terminals of the auxiliary battery.

The hybrid vehicle control ECU sends a signal to the DC/DC converter to prohibit its control and receives signals indicating a normal or abnormal condition of the 12 V charging system via the NODD signal line.

If the DC/DC converter malfunctions, the vehicle will become inoperative. Therefore, the hybrid vehicle control ECU monitors the operation of the DC/DC converter and detects malfunctions.

C263216E12

This DTC is stored when the DC/DC converter circuit has a malfunction or its operation is prohibited by a fail-safe function and the auxiliary battery voltage drops to 11 V or less with the power switch on (READY). A signal indicating an auxiliary battery malfunction is sent from the DC/DC converter to the hybrid vehicle control ECU via the NODD signal line.

DTC No.

Detection Item

DTC Detection Condition

Trouble Area

MIL

Warning Indicate

P0A08-264

DC / DC Converter Status Circuit

The DC/DC converter is malfunctioning (charging has stopped) and the auxiliary battery voltage drops to 11 V or less.

(1 trip detection logic)

The DC/DC converter is malfunctioning for 120 seconds and the inverter coolant water temperature is 70°C or lower.

(1 trip detection logic)

  • Wire harness or connector

  • Inverter cooling system

  • Hybrid vehicle transaxle assembly

  • Inverter with converter assembly

  • Fuse (DC/DC, DC/DC-S)

  • No. 2 engine room wire

  • Inverter wire sub-assembly

  • Hybrid vehicle control ECU

  • No. 2 frame wire (rear motor cable) (for AWD)

  • Rear traction motor with transaxle assembly (for AWD)

  • Extension wire assembly (for AWD)

Does not come on

Master Warning Light:

Comes on

Table 1. Related Data List

DTC No.

ECU Data List

P0A08-264

  • +B

  • Inverter Coolant Water Temperature

  • Short Wave Highest Val

Tip:
  • Regarding NODD signal circuit, when the transistor of the hybrid vehicle control ECU turns on, a signal is sent to the inverter to prohibit DC/DC converter control. Sends a malfunction signal to the hybrid vehicle control ECU when the inverter side transistor is on.

  • If the inverter is overheating, control may be suspended for self-protection of the DC/DC converter and this DTC may be stored.

WIRING DIAGRAM

C344136E05

Refer to the wiring diagram for DTC P0AA6-526.

Click here

CAUTION / NOTICE / HINT

CAUTION:
  • Before inspecting the high-voltage system or disconnecting the low voltage connector of the inverter with converter assembly, take safety precautions such as wearing insulated gloves and removing the service plug grip to prevent electrical shocks. After removing the service plug grip, put it in your pocket to prevent other technicians from accidentally reconnecting it while you are working on the high-voltage system.

  • After removing the service plug grip, wait for at least 10 minutes before touching any of the high-voltage connectors or terminals. After waiting for 10 minutes, check the voltage at the terminals in the inspection point in the inverter with converter assembly. The voltage should be 0 V before beginning work.

    Click here

    Tip:

    Waiting for at least 10 minutes is required to discharge the high-voltage capacitor inside the inverter with converter assembly.

Note:

After turning the power switch off, waiting time may be required before disconnecting the cable from the negative (-) auxiliary battery terminal. Therefore, make sure to read the disconnecting the cable from the negative (-) auxiliary battery terminal notices before proceeding with work.

Click hereClick hereClick hereClick here

Tip:
  • After repair, clear the DTCs, turn the power switch off and wait for 30 seconds or more and perform the following procedure to confirm that the auxiliary battery low voltage indicated by this DTC has been repaired.

    1. Wait for 2 minutes with the shift lever in P, the power switch on (READY) and the following conditions met, then confirm that Data List item "+B" is between 13.0 and 15.0 V.

      (If charging is not performed and the electrical load increases, +B voltage may not be steady and gradually drops.)

      1. Headlight switch is in the HI position.

      2. A/C blower fan switch is in the HI position.

      3. Window defogger switch is turned on.

  • By performing the following procedure, the DC/DC converter function can be checked.

    1. Connect the AC/DC 400 A probe to the positive auxiliary battery cable.

      1. Turn the power switch on (READY) and leave the vehicle as it is until the electric current flowing to the auxiliary battery becomes 10 A or less.

      2. Turn the power switch on (READY) and the headlight switch and A/C blower fan switch in the HI position, and the window defogger turned on.

      3. Confirm that the current drawn from the auxiliary battery is 0 A or lower and the auxiliary battery voltage is between 13.0 and 15.0 V.

  • This DTC may be also stored when a part other than the DC/DC converter is malfunctioning or depending on user operation.

Table 2. Malfunction cases to store DTC P0A08-264

Related Part, Inspection

Note

Inspection Step

R/B RR-B fuse is blown (fusible link block assembly)

-

2

Fuse is blown (D/C D/C-S)

-

3

A signal line connector of the hybrid vehicle control ECU or inverter is not connected securely

-

4, 5

A fusible link is blown (DC/DC)

6

High-voltage insulation fault of the following (ground to body).

- Between the motor and inverter

- Between the generator and inverter

- Between the rear motor and inverter

DTC P0A08-264 may be stored if the ground potential fluctuates due to a high-voltage insulation malfunction.

7, 21 to 23, 27 to 29

Check low-voltage line from the inverter to the hybrid vehicle control ECU

Inspect the continuity and connection condition of the AMD and S lines.

8 to 11

NODD signal line

  • Check the NODD signal line from the inverter to the hybrid vehicle control ECU.

  • Check the NODD signal circuit inside the hybrid vehicle control ECU.

12, 24

The DC/DC converter is malfunctioning

Inspect the DC/DC converter function.

13

DC/DC converter control is suspended due to overheating

(inverter water pump with motor assembly is malfunctioning, the coolant is not sufficient, a hose is clogged, etc.)

When the inverter is overheating, the DC/DC converter has a self-protection function that may suspend the DC/DC converter control and output a DTC.

The suspended DC/DC converter control will return to normal by clearing the DTCs and turning the power switch off.

14 to 17

Check areas that caused the blown R/B RR-B fuse (fusible link block assembly)

-

18, 25

Check areas that caused the blown fuse (D/C D/C-S)

-

19, 20, 26

  • If this vehicle is used to jump start another vehicle with a discharged battery, a fuse may blow due to overcurrent or the DC/DC converter self-protection may be activated. Also, if this vehicle is jump started by a vehicle with a 24 V battery, the same malfunction may occur and this DTC may be stored. (The suspended DC/DC converter control will return to normal by clearing the DTCs and turning the power switch off.)

  • Confirm that high electrical load equipment such as a high-capacitance audio device or electric kettle is used on the vehicle. (A fuse of the auxiliary battery may be blown due to overcurrent.)

  • If the DC/DC converter is malfunctioning, the auxiliary battery cannot be charged. Therefore, once the power switch is turned off, it may be impossible to turn it on (READY) again if the auxiliary battery is completely discharged. In this case, charge the auxiliary battery. Be careful as charging is not performed during the inspection.

  • If the power switch turns off immediately after it is turned on (READY), the auxiliary battery voltage may be low. Charge the auxiliary battery.

PROCEDURE

  1. CHECK DTC OUTPUT (HYBRID CONTROL)

    1. Connect the GTS to the DLC3.

    2. Turn the power switch on (IG).

    3. Enter the following menus: Powertrain / Hybrid Control / Trouble Codes.

    4. Check for DTCs.

      Powertrain > Hybrid Control > Trouble Codes

      Result

      Result

      Proceed to

      P0A08-264 only is output, or DTCs except the ones in the table below are also output.

      A

      Any of the following DTCs including pending DTCs are also output.

      B

      Relevant DTC

      P0A1B-547

      Drive Motor "A" Control Module

      P0A40-549

      Drive Motor "A" Position Sensor Circuit Range / Performance

      P0A78-548

      Drive Motor "A" Inverter Performance

      P0A93-346

      Inverter Cooling System Performance

      P0AA6-526, 613, 655

      Hybrid Battery Voltage System Isolation Fault

      P0ADB-227

      Hybrid Battery Positive Contactor Control Circuit Low

      P0ADF-229

      Hybrid Battery Negative Contactor Control Circuit Low

      P0AE6-225

      Hybrid Battery Precharge Contactor Control Circuit Low

      P0C73-776

      Motor Electronics Coolant Pump "A" Control Performance

      P3004-131, 803

      High Voltage Power Resource

      P314A-828

      Inverter Coolant Pump Speed Signal

    5. Turn the power switch off.

    B

    GO TO DTC CHART (HYBRID CONTROL SYSTEM)

    A
  2. CHECK FUSIBLE LINK BLOCK ASSEMBLY

    1. Remove the fusible link block assembly.

      C309571C03

      *1

      Fusible Link Block Assembly

      *2

      R/B RR-B fuse

      *a

      Auxiliary Battery Positive (+) Connection

      -

      -

    2. Measure the resistance according to the value(s) in the table below.

      Standard Resistance

      Tester Connection

      Condition

      Specified Condition

      N40-1 - Auxiliary battery positive (+) connection

      Always

      Below 1 Ω

    3. Install the fusible link block assembly.

    Result

    Proceed to

    OK

    NG

    NG

    CHECK HARNESS AND CONNECTOR (FUSE BLOCK ASSEMBLY - FUSIBLE LINK BLOCK ASSEMBLY)Click here

    OK
  3. CHECK FUSE (D/C D/C-S)

    1. C304955C01

      *1

      Fuse Block Assembly

      *2

      D/C D/C-S Fuse

      Remove the D/C D/C-S fuse from the fuse block assembly.

    2. Measure the resistance according to the value(s) in the table below.

      Standard Resistance

      Tester Connection

      Condition

      Specified Condition

      D/C D/C-S fuse terminals

      Always

      Below 1 Ω

    3. Install the D/C D/C-S fuse.

    Result

    Proceed to

    OK

    NG

    NG

    CHECK HARNESS AND CONNECTOR (INVERTER WITH CONVERTER ASSEMBLY - FUSE BLOCK ASSEMBLY)Click here

    OK
  4. CHECK CONNECTOR CONNECTION CONDITION (HYBRID VEHICLE CONTROL ECU CONNECTOR)

    Click here

    Result

    Proceed to

    OK

    NG

    NG

    CONNECT SECURELY

    OK
  5. CHECK CONNECTOR CONNECTION CONDITION (INVERTER WITH CONVERTER ASSEMBLY CONNECTOR)

    Click here

    Result

    Result

    Proceed to

    OK

    A

    NG (The connector is not connected securely.)

    B

    NG (The terminals are not making secure contact or are deformed, or water or foreign matter exists in the connector.)

    C

    B

    CONNECT SECURELY

    C

    REPAIR OR REPLACE HARNESS OR CONNECTOR

    A
  6. CHECK FUSE (DC/DC)

    1. C298819C01

      *1

      Engine Room Relay Block and Junction Block Assembly

      *2

      DC/DC Fuse

      Check the DC/DC fuse in the engine room relay block and junction block assembly for improper installation.

      OK

      The fuse is installed securely.

    2. Remove the DC/DC fuse from the engine room relay block and junction block assembly.

    3. Measure the resistance according to the value(s) in the table below.

      Standard Resistance

      Tester Connection

      Condition

      Specified Condition

      DC/DC fuse terminals

      Always

      Below 1 Ω

    4. Install the DC/DC fuse.

    Result

    Proceed to

    OK

    NG

    NG

    REPLACE FUSE (DC/DC)

    OK
  7. CHECK CABLE AND WIRE HARNESS

    CAUTION:

    Be sure to wear insulated gloves.

    1. Check that the service plug grip is not installed.

      Note:

      After removing the service plug grip, do not turn the power switch on (READY), unless instructed by the repair manual because this may cause a malfunction.

    2. C308921C01

      *A

      for 2WD

      *B

      for AWD

      Remove the inverter cover UPR from the inverter with converter assembly.

    3. C308922C04

      *A

      for 2WD

      *B

      for AWD

      *1

      Motor Cable

      *2

      Generator Cable

      *3

      No. 2 Frame Wire (Rear Motor Cable)

      Using a megohmmeter set to 500 V, measure the insulation resistance according to the value(s) in the table below.

      Note:

      Be sure to set the megohmmeter to 500 V when performing this test. Using a setting higher than 500 V can result in damage to the component being inspected.

      Standard Resistance

      Tester Connection

      Condition

      Specified Condition

      v1-1 (W) - Body ground and shield ground

      Power switch off

      1 MΩ or higher

      v1-2 (V) - Body ground and shield ground

      Power switch off

      1 MΩ or higher

      v1-3 (U) - Body ground and shield ground

      Power switch off

      1 MΩ or higher

      w1-1 (W) - Body ground and shield ground

      Power switch off

      1 MΩ or higher

      w1-2 (V) - Body ground and shield ground

      Power switch off

      1 MΩ or higher

      w1-3 (U) - Body ground and shield ground

      Power switch off

      1 MΩ or higher

      t1-1 (R-W) - Body ground and shield ground*

      Power switch off

      1 MΩ or higher

      t1-2 (R-V) - Body ground and shield ground*

      Power switch off

      1 MΩ or higher

      t1-3 (R-U) - Body ground and shield ground*

      Power switch off

      1 MΩ or higher

      • *: for AWD

      Tip:

      Perform this inspection while the generator cable, motor cable and No. 2 frame wire (rear motor cable)* are connected.

      • *: for AWD

    4. Install the inverter cover UPR to the inverter with converter assembly.

    Result

    Proceed to

    OK

    NG

    NG

    CHECK HYBRID VEHICLE TRANSAXLE ASSEMBLY (GENERATOR (MG1))Click here

    OK
  8. CHECK AMD TERMINAL VOLTAGE

    CAUTION:

    Be sure to wear insulated gloves.

    1. Connect the cable to the negative (-) auxiliary battery terminal.

    2. C297304E03

      Measure the voltage according to the value(s) in the table below.

      Standard Voltage

      Tester Connection

      Condition

      Specified Condition

      1C-1 (AMD) - Body ground

      Power switch off

      Same as auxiliary battery voltage

    3. Disconnect the cable from the negative (-) auxiliary battery terminal.

    Result

    Proceed to

    OK

    NG

    NG

    REPAIR OR REPLACE HARNESS OR CONNECTOR

    OK
  9. CHECK AMD TERMINAL CONNECTION CONDITION

    CAUTION:

    Be sure to wear insulated gloves.

    1. Check that the service plug grip is not installed.

      Note:

      After removing the service plug grip, do not turn the power switch on (READY), unless instructed by the repair manual because this may cause a malfunction.

    2. C297305

      Check that the bolts for the AMD terminal are tightened to the specified torque, the AMD terminal is connected securely, and there is no contact problem.

      Torque

      T = 18 N*m {184 kgf*cm, 13 ft.*lbf} (Inverter with converter assembly side)

      T = 8.4 N*m {86 kgf*cm, 74 in.*lbf} (Engine room relay block and junction block assembly side)

      Result

      Result

      Proceed to

      There are no arc marks.

      The terminal is connected securely and there is no contact problem.

      A

      There are no arc marks.

      The terminal is not connected securely and there is a contact problem.

      B

      There are arc marks.

      -

      C

    B

    CONNECT SECURELY

    C

    REPLACE MALFUNCTIONING PARTS

    A
  10. CHECK NO. 2 ENGINE ROOM WIRE

    CAUTION:

    Be sure to wear insulated gloves.

    1. Check that the service plug grip is not installed.

      Note:

      After removing the service plug grip, do not turn the power switch on (READY), unless instructed by the repair manual because this may cause a malfunction.

    2. Remove the No. 2 engine room wire from the AMD terminal (inverter with converter assembly side and engine room relay block and junction block assembly side).

    3. C297306C07

      *1

      No. 2 Engine Room Wire

      Measure the resistance according to the value(s) in the table below.

      Standard Resistance

      Tester Connection

      Condition

      Specified Condition

      C1-1 (AMD) - 1C-1 (AMD)

      Always

      Below 1 Ω

    4. Install the No. 2 engine room wire.

    Result

    Proceed to

    OK

    NG

    NG

    REPLACE NO. 2 ENGINE ROOM WIRE

    OK
  11. CHECK HARNESS AND CONNECTOR (INVERTER WITH CONVERTER ASSEMBLY -DC/DC-S FUSE)

    CAUTION:

    Be sure to wear insulated gloves.

    1. Check that the service plug grip is not installed.

      Note:

      After removing the service plug grip, do not turn the power switch on (READY), unless instructed by the repair manual because this may cause a malfunction.

    2. Disconnect the A112 inverter with converter assembly connector.

    3. Connect the cable to the negative (-) auxiliary battery terminal.

    4. A258452C37

      *a

      Front view of wire harness connector

      (to Inverter with Converter Assembly)

      Measure the voltage according to the value(s) in the table below.

      Standard Voltage

      Tester Connection

      Condition

      Specified Condition

      A112-3 (S) - Body ground

      Always

      Same as auxiliary battery voltage

    5. Disconnect the cable from the negative (-) auxiliary battery terminal.

    6. Reconnect the A112 inverter with converter assembly connector.

    Result

    Proceed to

    OK

    NG

    NG

    REPAIR OR REPLACE HARNESS OR CONNECTOR

    OK
  12. CHECK HARNESS AND CONNECTOR (RESISTANCE VALUE OF NODD INSIDE HYBRID VEHICLE CONTROL ECU)

    CAUTION:

    Be sure to wear insulated gloves.

    1. Check that the service plug grip is not installed.

      Note:

      After removing the service plug grip, do not turn the power switch on (READY), unless instructed by the repair manual because this may cause a malfunction.

    2. Disconnect the A112 inverter with converter assembly connector.

    3. A258452C38

      *a

      Front view of wire harness connector

      (to Inverter with Converter Assembly)

      Measure the resistance according to the value(s) in the table below.

      Standard Resistance

      Tester Connection

      Condition

      Specified Condition

      A112-5 (NODD) - Body ground

      Power switch off

      110 to 150 kΩ

    4. Reconnect the A112 inverter with converter assembly connector.

    Result

    Proceed to

    OK

    NG

    NG

    INSPECT HYBRID VEHICLE CONTROL ECU (RESISTANCE VALUE OF NODD INSIDE HYBRID VEHICLE CONTROL ECU)Click here

    OK
  13. CHECK DC/DC CONVERTER FUNCTION

    Tip:

    The current at the AMD terminal cannot be measured directly because of space limitations. Measure the current flowing at the auxiliary battery instead.

    1. Connect the AC/DC 400 A probe of the tester to the positive auxiliary battery line.

    2. Install the service plug grip.

    3. Connect the cable to the negative (-) auxiliary battery terminal.

    4. Turn the power switch on (READY) and leave the vehicle as it is until the electric current flowing to the auxiliary battery becomes 10 A or less.

      Tip:

      If the power switch turns off immediately after it is turned on (READY), auxiliary battery voltage may be low. Recharge the auxiliary battery and perform this procedure again.

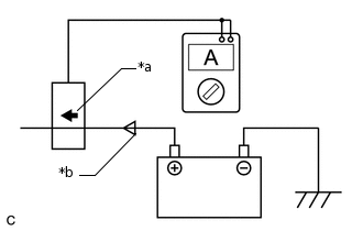
    5. A111748C08

      *a

      Probe Direction

      *b

      Current Flowing from Auxiliary Battery

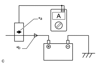
      A111747C08

      *a

      Probe Direction

      *b

      Current Flowing to Auxiliary Battery

      Measure the current flowing from the auxiliary battery with the power switch on (READY), the headlight position switch and blower motor switch in the HI position, and the rear window defogger turned on.

      Standard Current

      Item

      Condition

      Specified Condition

      Current flowing from auxiliary battery

      Power switch on (READY)

      (The headlight position switch and blower motor switch are in the HI position, and the rear window defogger is turned on.)

      0 A or less

      (no current from auxiliary battery)

    6. Measure the voltage according to the value(s) in the table below.

      Standard Voltage

      Item

      Condition

      Specified Condition

      A112-3 (S) - Body ground

      Power switch on (READY)

      (The headlight position switch and blower motor switch are in the HI position, and the rear window defogger is turned on.)

      Same as auxiliary battery voltage

    7. Turn the power switch off.

    Result

    Proceed to

    OK

    NG

    NG

    REPLACE INVERTER WITH CONVERTER ASSEMBLY

    OK
  14. CHECK QUANTITY OF HV COOLANT

    Click here

    Result

    Result

    Proceed to

    No leaks are found and the HV coolant level in the inverter reserve tank assembly is above the low line.

    A

    No leaks are found and the HV coolant level in the inverter reserve tank assembly is below the low line.

    B

    HV coolant leaks are evident.

    C

    B

    ADD HV COOLANT

    C

    INSPECT FOR HV COOLANT LEAK AND ADD HV COOLANT

    A
  15. CHECK COOLANT HOSE

    Click here

    Result

    Proceed to

    OK

    NG

    NG

    REPAIR OR REPLACE COOLANT HOSE

    OK
  16. PERFORM ACTIVE TEST USING GTS (CONTROL THE ELECTRIC COOLING FAN)

    Click here

    Result

    Proceed to

    OK

    NG

    NG

    CHECK COOLING FAN SYSTEM

    OK
  17. CHECK HV COOLANT (CHECK FOR CONDITIONS THAT MAY HAVE CAUSED FREEZING)

    1. Connect the GTS to the DLC3

    2. Turn the power switch on (IG).

    3. Enter the following menus: Powertrain / Hybrid Control / Trouble Codes.

    4. Read the freeze frame data item Ambient Temperature using the GTS.

      Powertrain > Hybrid Control > Trouble Codes

    5. Check if the freeze frame data item Ambient Temperature is below the freezing temperature of the HV coolant.

      Result

      Result

      Proceed to

      Ambient Temperature value is above freezing temperature of the HV coolant.

      A

      Ambient Temperature value is below freezing temperature of the HV coolant.

      B

      Tip:
      • HV coolant (SLLC) with a 30% concentration freezes at -15°C (5°F) and HV coolant (SLLC) with a 50% concentration freezes at -35°C (-31°F).

      • If the HV coolant freezes in the inverter radiator or inverter water pump, the coolant temperature in the inverter with converter assembly rises because the HV coolant cannot circulate. As a result, a DTC may be stored.

      • A DTC is stored when the inverter water pump impeller cannot rotate due to freezing of the HV coolant.

      • If a DTC is stored due to freezing of the HV coolant, the problem cannot be reproduced. Judge whether freezing of the HV coolant occurred according to the freeze point of the HV coolant, HV coolant change history and ambient temperature when the DTC was stored.

    6. Turn the power switch off.

    A

    REPLACE INVERTER WITH CONVERTER ASSEMBLY

    B

    REPLACE HV COOLANT

  18. CHECK HARNESS AND CONNECTOR (FUSE BLOCK ASSEMBLY - FUSIBLE LINK BLOCK ASSEMBLY)

    CAUTION:

    Be sure to wear insulated gloves.

    1. Check that the service plug grip is not installed.

      Note:

      After removing the service plug grip, do not turn the power switch on (READY), unless instructed by the repair manual because this may cause a malfunction.

    2. Remove the D/C D/C-S fuse from the fuse block assembly.

    3. Disconnect the N40 fusible link block assembly.

    4. Measure the resistance according to the value(s) in the table below.

      C308925C03

      *1

      Fuse Block Assembly

      *2

      D/C D/C-S fuse

      Standard Resistance

      Tester Connection

      Condition

      Specified Condition

      1 (D/C D/C-S fuse terminals) or N40-1 - Body ground

      Power switch off

      10 kΩ or higher

    5. Install the D/C D/C-S fuse.

    6. Reconnect the N40 fusible link block assembly connector.

    Result

    Proceed to

    OK

    NG

    OK

    REPLACE FUSIBLE LINK BLOCK ASSEMBLY (R/B RR-B)

    NG

    REPAIR OR REPLACE HARNESS OR CONNECTORClick here

  19. CHECK HARNESS AND CONNECTOR (INVERTER WITH CONVERTER ASSEMBLY - FUSE BLOCK ASSEMBLY)

    CAUTION:

    Be sure to wear insulated gloves.

    1. Check that the service plug grip is not installed.

      Note:

      After removing the service plug grip, do not turn the power switch on (READY), unless instructed by the repair manual because this may cause a malfunction.

    2. Remove the D/C D/C-S fuse from the fuse block assembly.

    3. Disconnect the A112 inverter with converter assembly connector.

      Click here

    4. Measure the resistance according to the value(s) in the table below.

      C308919C03

      *1

      Fuse Block Assembly

      *2

      D/C D/C-S fuse

      *a

      Front view of wire harness connector

      (to Inverter with Converter Assembly)

      -

      -

      Standard Resistance

      Tester Connection

      Condition

      Specified Condition

      2 (D/C D/C-S fuse terminals) or A112-3 (S) - Body ground and other terminals

      Power switch off

      10 kΩ or higher

    5. Reconnect the A112 inverter with converter assembly connector.

    6. Install the D/C D/C-S fuse.

    Result

    Proceed to

    OK

    NG

    NG

    REPAIR OR REPLACE HARNESS OR CONNECTORClick here

    OK
  20. REPLACE INVERTER WITH CONVERTER ASSEMBLY

    Click here

    Result

    Proceed to

    NEXT

    NEXT

    REPLACE FUSE (D/C D/C-S)

  21. CHECK HYBRID VEHICLE TRANSAXLE ASSEMBLY (GENERATOR (MG1))

    CAUTION:

    Be sure to wear insulated gloves.

    1. Check that the service plug grip is not installed.

      Note:

      After removing the service plug grip, do not turn the power switch on (READY), unless instructed by the repair manual because this may cause a malfunction.

    2. C308816C01

      *A

      for 2WD

      *B

      for AWD

      Remove the inverter cover UPR from the inverter with converter assembly.

    3. C308819C01

      *A

      for 2WD

      *B

      for AWD

      *1

      Generator Cable

      (Inverter with Converter Assembly Side)

      Disconnect the generator cable from the inverter with converter assembly.

    4. A258955C58

      *1

      Shield Ground

      *a

      Generator Cable

      (Inverter with Converter Assembly Side)

      Using a megohmmeter set to 500 V, measure the insulation resistance according to the value(s) in the table below.

      Note:

      Be sure to set the megohmmeter to 500 V when performing this test. Using a setting higher than 500 V can result in damage to the component being inspected.

      Standard Resistance

      Tester Connection

      Condition

      Specified Condition

      w1-1 (W) - Body ground and shield ground

      Power switch off

      100 MΩ or higher

      w1-2 (V) - Body ground and shield ground

      Power switch off

      100 MΩ or higher

      w1-3 (U) - Body ground and shield ground

      Power switch off

      100 MΩ or higher

    5. Connect the generator cable.

    6. Install the inverter cover UPR.

    Result

    Proceed to

    OK

    NG

    NG

    REPLACE HYBRID VEHICLE TRANSAXLE ASSEMBLY

    OK
  22. CHECK HYBRID VEHICLE TRANSAXLE ASSEMBLY (MOTOR (MG2))

    CAUTION:

    Be sure to wear insulated gloves.

    1. Check that the service plug grip is not installed.

      Note:

      After removing the service plug grip, do not turn the power switch on (READY), unless instructed by the repair manual because this may cause a malfunction.

    2. C308815C01

      *A

      for 2WD

      *B

      for AWD

      Remove the inverter cover UPR from the inverter with converter assembly.

    3. C308818C01

      *A

      for 2WD

      *B

      for AWD

      *1

      Motor Cable

      (Inverter with Converter Assembly Side)

      Disconnect the motor cable from the inverter with converter assembly.

    4. A258955C60

      *1

      Shield Ground

      *a

      Motor Cable

      (Inverter with Converter Assembly Side)

      Using a megohmmeter set to 500 V, measure the insulation resistance according to the value(s) in the table below.

      Note:

      Be sure to set the megohmmeter to 500 V when performing this test. Using a setting higher than 500 V can result in damage to the component being inspected.

      Standard Resistance

      Tester Connection

      Condition

      Specified Condition

      v1-1 (W) - Body ground and shield ground

      Power switch off

      100 MΩ or higher

      v1-2 (V) - Body ground and shield ground

      Power switch off

      100 MΩ or higher

      v1-3 (U) - Body ground and shield ground

      Power switch off

      100 MΩ or higher

    5. Connect the motor cable.

    6. Install the inverter cover UPR.

    Result

    Proceed to

    OK (for AWD)

    OK (for 2WD)

    NG

    OK (for 2WD)

    REPLACE INVERTER WITH CONVERTER ASSEMBLY

    NG

    REPLACE HYBRID VEHICLE TRANSAXLE ASSEMBLY

    OK (for AWD)
  23. CHECK REAR TRACTION MOTOR WITH TRANSAXLE ASSEMBLY (REAR MOTOR (MGR))

    CAUTION:

    Be sure to wear insulated gloves.

    1. Check that the service plug grip is not installed.

      Note:

      After removing the service plug grip, do not turn the power switch on (READY), unless instructed by the repair manual because this may cause a malfunction.

    2. C308817

      Remove the inverter cover UPR from the inverter with converter assembly.

    3. C308820C01

      *1

      No. 2 Frame Wire (Rear Motor Cable)

      (Inverter with Converter Assembly Side)

      Disconnect the No. 2 frame wire (rear motor cable) from the inverter with converter assembly.

    4. A258955C59

      *1

      Shield Ground

      *a

      No. 2 Frame Wire (Rear Motor Cable)

      (Inverter with Converter Assembly Side)

      Using a megohmmeter set to 500 V, measure the insulation resistance according to the value(s) in the table below.

      Note:

      Be sure to set the megohmmeter to 500 V when performing this test. Using a setting higher than 500 V can result in damage to the component being inspected.

      Standard Resistance

      Tester Connection

      Condition

      Specified Condition

      t1-1 (R-W) - Body ground and shield ground

      Power switch off

      10 MΩ or higher

      t1-2 (R-V) - Body ground and shield ground

      Power switch off

      10 MΩ or higher

      t1-3 (R-U) - Body ground and shield ground

      Power switch off

      10 MΩ or higher

    5. Connect the No. 2 frame wire (rear motor cable).

    6. Install the inverter cover UPR.

    Result

    Proceed to

    OK

    NG

    OK

    REPLACE INVERTER WITH CONVERTER ASSEMBLY

    NG

    CHECK REAR TRACTION MOTOR WITH TRANSAXLE ASSEMBLY (NO. 2 FRAME WIRE (REAR MOTOR CABLE) CONNECTION CONDITION)Click here

  24. INSPECT HYBRID VEHICLE CONTROL ECU (RESISTANCE VALUE OF NODD INSIDE HYBRID VEHICLE CONTROL ECU)

    1. A204442C69

      *a

      Component without harness connected

      (Hybrid Vehicle Control ECU)

      Disconnect the A65, A66, G193 and G194 hybrid vehicle control ECU connectors.

    2. Measure the resistance according to the value(s) in the table below.

      Standard Resistance

      Tester Connection

      Condition

      Specified Condition

      A65-25 (NODD) - G193-6 (E1)

      Power switch off

      110 to 150 kΩ

    3. Reconnect the A65, A66, G193 and G194 hybrid vehicle control ECU connectors.

    Result

    Proceed to

    OK

    NG

    OK

    REPAIR OR REPLACE HARNESS OR CONNECTOR

    NG

    REPLACE HYBRID VEHICLE CONTROL ECU

  25. REPAIR OR REPLACE HARNESS OR CONNECTOR

    Result

    Proceed to

    NEXT

    NEXT

    REPLACE FUSIBLE LINK BLOCK ASSEMBLY (R/B RR-B)

  26. REPAIR OR REPLACE HARNESS OR CONNECTOR

    Result

    Proceed to

    NEXT

    NEXT

    REPLACE FUSE (D/C D/C-S)

  27. CHECK REAR TRACTION MOTOR WITH TRANSAXLE ASSEMBLY (NO. 2 FRAME WIRE (REAR MOTOR CABLE) CONNECTION CONDITION)

    CAUTION:

    Be sure to wear insulated gloves.

    1. Check that the service plug grip is not installed.

      Note:

      After removing the service plug grip, do not turn the power switch on (READY), unless instructed by the repair manual because this may cause a malfunction.

    2. C297299

      Check that the bolts for the No. 2 frame wire (rear motor cable) are tightened to the specified torque, the No. 2 frame wire (rear motor cable) is connected securely, and there are no contact problems.

      Specified condition

      T = 15 N*m (153 kgf*cm, 11 ft.*lbf)

      Note:

      Make sure that the tightening torque of the bolt is between 12 and 18 N*m (122 and 184 kgf*cm, 9 and 13 ft.*lbf).

    3. Disconnect the No. 2 frame wire (rear motor cable) from the rear traction motor with transaxle assembly

    4. Check for arc marks at the bolts for the No. 2 frame wire (rear motor cable).

      Result

      Result

      Proceed to

      The terminals are connected securely and there are no contact problems.

      There are no arc marks.

      A

      The terminals are not connected securely and there is a contact problem.

      There are arc marks.

      B

      The terminals are not connected securely and there is a contact problem.

      There are no arc marks.

      C

      The terminals are connected securely and there are no contact problems.

      There are arc marks.

      B

    5. Connect the No. 2 frame wire (rear motor cable).

    B

    REPLACE MALFUNCTIONING PARTS

    C

    CONNECT SECURELY

    A
  28. CHECK NO. 2 FRAME WIRE (REAR MOTOR CABLE)

    CAUTION:

    Be sure to wear insulated gloves.

    1. Check that the service plug grip is not installed.

      Note:

      After removing the service plug grip, do not turn the power switch on (READY), unless instructed by the repair manual because this may cause a malfunction.

    2. Disconnect the No. 2 frame wire (rear motor cable) from the inverter with converter assembly.

    3. A258955C59

      *1

      Shield Ground

      *a

      No. 2 Frame Wire (Rear Motor Cable)

      (Inverter with Converter Assembly Side)

      Using a megohmmeter set to 500 V, measure the resistance according to the value(s) in the table below.

      Note:

      Be sure to set the megohmmeter to 500 V when performing this test. Using a setting higher than 500 V can result in damage to the component being inspected.

      Standard Resistance

      Tester Connection

      Condition

      Specified Condition

      t1-1 (R-W) - Body ground and shield ground

      Power switch off

      10 MΩ or higher

      t1-2 (R-V) - Body ground and shield ground

      Power switch off

      10 MΩ or higher

      t1-3 (R-U) - Body ground and shield ground

      Power switch off

      10 MΩ or higher

      Note:

      Wrap the terminals of No. 2 frame wire (rear motor cable) with insulating tape to avoid them coming into contact with body ground.

    4. Connect the No. 2 frame wire (rear motor cable) to the inverter with converter assembly.

    Result

    Proceed to

    OK

    NG

    NG

    REPLACE NO. 2 FRAME WIRE

    OK
  29. CHECK EXTENSION WIRE ASSEMBLY

    CAUTION:

    Be sure to wear insulated gloves.

    1. Check that the service plug grip is not installed.

      Note:

      After removing the service plug grip, do not turn the power switch on (READY), unless instructed by the repair manual because this may cause a malfunction.

    2. Remove the extension wire assembly from the rear traction motor with transaxle assembly.

      Click here

    3. A112804C01

      *1

      Extension Wire Assembly

      *2

      Shield Shell

      Using a megohmmeter set to 500 V, measure the resistance according to the value(s) in the table below.

      Note:

      Be sure to set the megohmmeter to 500 V when performing this test. Using a setting higher than 500 V can result in damage to the component being inspected.

      Standard Resistance

      Tester Connection

      Condition

      Specified Condition

      R-W - Shield shell

      Power switch off

      100 MΩ or higher

      R-V - Shield shell

      Power switch off

      100 MΩ or higher

      R-U - Shield shell

      Power switch off

      100 MΩ or higher

    4. Measure the resistance according to the value(s) in the table below.

      Standard Resistance

      Tester Connection

      Condition

      Specified Condition

      R-W - R-W

      Power switch off

      Below 1 Ω

      R-V - R-V

      Power switch off

      Below 1 Ω

      R-U - R-U

      Power switch off

      Below 1 Ω

      R-W - R-U

      Power switch off

      100 kΩ or higher

      R-V - R-W

      Power switch off

      100 kΩ or higher

      R-U - R-V

      Power switch off

      100 kΩ or higher

    5. Install the extension wire.

    Result

    Proceed to

    OK

    NG

    OK

    REPLACE REAR TRACTION MOTOR WITH TRANSAXLE ASSEMBLY

    NG

    REPLACE EXTENSION WIRE ASSEMBLY