CAN COMMUNICATION SYSTEM(for LHD) Open in CAN Main Wire

DESCRIPTION

There may be an open circuit in the CAN main wire and/or DLC3 CAN branch wire when the resistance between terminals 6 (CANH) and 14 (CANL) of the DLC3 is 70 Ω or higher.

Symptom Trouble Area
The resistance between terminals 6 (CANH) and 14 (CANL) of the DLC3 is 70 Ω or higher.
  • CAN main wire or connector

  • No. 1 CAN junction connector

  • No. 2 CAN junction connector

  • ECM

  • Combination meter assembly

  • DLC3 CAN branch wire or connector

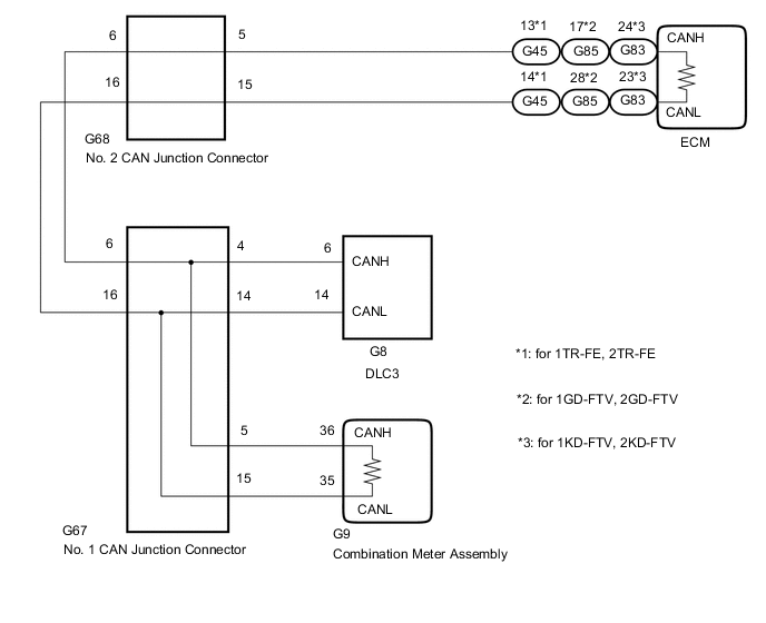
WIRING DIAGRAM

B0028Q4E01

CAUTION / NOTICE / HINT

Note


  • Because the order of diagnosis is important to allow correct diagnosis, make sure to begin troubleshooting using How to Proceed with Troubleshooting when CAN communication system related DTCs are output.

    Click here

  • Before measuring the resistance of the CAN bus, turn the ignition switch off and leave the vehicle for 1 minute or more without operating the key, switches or opening or closing the doors. After that, disconnect the cable from the negative (-) battery terminal and leave the vehicle for 1 minute or more before measuring the resistance.

  • After turning the ignition switch off, waiting time may be required before disconnecting the cable from the battery terminal. Therefore, make sure to read the disconnecting the cable from the battery terminal notice before proceeding with work.

    Click here

  • When replacing the combination meter assembly, make sure to replace it with a new one.

Tech Tips


  • Operating the ignition switch, any switches or any doors triggers related ECU and sensor communication with the CAN, which causes resistance variation.

  • Even after DTCs are cleared, if a DTC is stored again after driving the vehicle for a while, the malfunction may be occurring due to vibration of the vehicle. In such a case, wiggling the ECUs or wire harness while performing the inspection below may help determine the cause of the malfunction.

  • Connectors that connect to the CAN junction connector can be distinguished by the color of their CAN bus lines. When the connectors have been disconnected from the CAN junction connector, reconnecting the connectors to non-original positions on the CAN junction connector does not affect system performance. However, it is preferred to reconnect the connectors to their original positions to avoid negative effects on the wiring such as tension on the wiring harnesses, and to make future maintenance easier.

PROCEDURE


  1. CHECK FOR OPEN IN CAN BUS WIRE (DLC3 CAN BRANCH WIRE)


    1. B0028U4C23
      *a Front view of DLC3

      Disconnect the cable from the negative (-) battery terminal.

    2. Measure the resistance according to the value(s) in the table below.

      Standard Resistance
      Tester Connection Condition Specified Condition
      G8-6 (CANH) - G8-14 (CANL) Cable disconnected from negative (-) battery terminal 108 to 132 Ω

      Note

      When the measured value is 133 Ω or higher and a CAN communication system DTC is output, there may be a fault besides disconnection of the DLC3 branch line. For that reason, troubleshooting should be performed again from How to Proceed with Troubleshooting after repairing the trouble area.

      Click here

      Result
      Proceed to
      OK
      NG

    NG
    OK
  2. CHECK FOR OPEN IN CAN BUS MAIN WIRE (NO. 1 CAN JUNCTION CONNECTOR)


    1. B00272XC08
      *a

      Front view of wire harness connector

      (to No. 1 CAN Junction Connector)

      *b to Combination Meter Assembly
      *c to No. 2 CAN Junction Connector

      Disconnect the No. 1 CAN junction connector.

    2. Measure the resistance according to the value(s) in the table below.

      Standard Resistance
      Tester Connection Condition Specified Condition
      G67-5 (CANH) - G67-15 (CANL) Cable disconnected from negative (-) battery terminal 108 to 132 Ω
      G67-6 (CANH) - G67-16 (CANL) Cable disconnected from negative (-) battery terminal 108 to 132 Ω
      Result
      Result Proceed to
      OK A
      NG (to No. 2 CAN junction connector CAN main wire) B
      NG (to combination meter assembly CAN main wire) C

    A
    C
    B
  3. CONNECT CONNECTOR


    1. Reconnect the No. 1 CAN junction connector.

      Result
      Proceed to
      NEXT

    NEXT
  4. CHECK FOR OPEN IN CAN BUS MAIN WIRE (NO. 2 CAN JUNCTION CONNECTOR)


    1. B00272XC09
      *a

      Front view of wire harness connector

      (to No. 2 CAN Junction Connector)

      *b to ECM
      *c to No. 1 CAN Junction Connector

      Disconnect the No. 2 CAN junction connector.

    2. Measure the resistance according to the value(s) in the table below.

      Standard Resistance
      Tester Connection Condition Specified Condition
      G68-5 (CANH) - G68-15 (CANL) Cable disconnected from negative (-) battery terminal 108 to 132 Ω
      G68-6 (CANH) - G68-16 (CANL) Cable disconnected from negative (-) battery terminal 108 to 132 Ω
      Result
      Result Proceed to
      OK A
      NG (to ECM CAN main wire) (for 1TR-FE, 2TR-FE) B
      NG (to ECM CAN main wire) (for 1KD-FTV, 2KD-FTV) C
      NG (to ECM CAN main wire) (for 1GD-FTV, 2GD-FTV) D
      NG (to No. 1 CAN junction connector CAN main wire) E

    A
    C
    D
    E
    B
  5. CONNECT CONNECTOR


    1. Reconnect the No. 2 CAN junction connector.

      Result
      Proceed to
      NEXT

    NEXT
  6. CHECK FOR OPEN IN CAN BUS WIRE (ECM - NO. 2 CAN JUNCTION CONNECTOR)


    1. B0024UTC06
      *a

      Front view of wire harness connector

      (to ECM)

      Disconnect the ECM connector.

    2. Measure the resistance according to the value(s) in the table below.

      Standard Resistance
      Tester Connection Condition Specified Condition
      G45-13 (CANH) - G45-14 (CANL) Cable disconnected from negative (-) battery terminal 108 to 132 Ω
      Result
      Proceed to
      OK
      NG

    OK
    NG
  7. CONNECT CONNECTOR


    1. Reconnect the No. 2 CAN junction connector.

      Result
      Proceed to
      NEXT

    NEXT
  8. CHECK FOR OPEN IN CAN BUS WIRE (ECM - NO. 2 CAN JUNCTION CONNECTOR)


    1. B0024UTC07
      *a

      Front view of wire harness connector

      (to ECM)

      Disconnect the ECM connector.

    2. Measure the resistance according to the value(s) in the table below.

      Standard Resistance
      Tester Connection Condition Specified Condition
      G83-24 (CANH) - G83-23 (CANL) Cable disconnected from negative (-) battery terminal 108 to 132 Ω
      Result
      Proceed to
      OK
      NG

    OK
    NG
  9. CONNECT CONNECTOR


    1. Reconnect the No. 2 CAN junction connector.

      Result
      Proceed to
      NEXT

    NEXT
  10. CHECK FOR OPEN IN CAN BUS WIRE (ECM - NO. 2 CAN JUNCTION CONNECTOR)


    1. B0024UTC10
      *a

      Front view of wire harness connector

      (to ECM)

      Disconnect the ECM connector.

    2. Measure the resistance according to the value(s) in the table below.

      Standard Resistance
      Tester Connection Condition Specified Condition
      G85-17 (CANH) - G85-28 (CANL) Cable disconnected from negative (-) battery terminal 108 to 132 Ω
      Result
      Proceed to
      OK
      NG

    OK
    NG
  11. CONNECT CONNECTOR


    1. Reconnect the No. 1 CAN junction connectors.

      Result
      Proceed to
      NEXT

    NEXT
  12. CHECK FOR OPEN IN CAN BUS MAIN WIRE (COMBINATION METER ASSEMBLY - NO. 1 CAN JUNCTION CONNECTOR)


    1. B0025FBC12
      *a

      Front view of wire harness connector

      (to Combination Meter Assembly)

      Disconnect the combination meter assembly connector.

    2. Measure the resistance according to the value(s) in the table below.

      Standard Resistance
      Tester Connection Condition Specified Condition
      G9-36 (CANH) - G9-35 (CANL) Cable disconnected from negative (-) battery terminal 108 to 132 Ω
      Result
      Proceed to
      OK
      NG

    OK
    NG