AIRBAG SYSTEM(w/ Occupant Classification System), Diagnostic DTC:B1815/54,B1816/54,B1817/54 and B1818/54

DTC Code DTC Name
B1815/54 Short in Front Passenger Side Squib 2nd Step Circuit
B1816/54 Open in Front Passenger Side Squib 2nd Step Circuit
B1817/54 Short to GND in Front Passenger Side Squib 2nd Step Circuit
B1818/54 Short to B+ in Front Passenger Side Squib 2nd Step Circuit

DESCRIPTION

The front passenger side squib 2nd step circuit consists of the airbag sensor assembly and instrument panel passenger airbag.

The circuit instructs the SRS to deploy when deployment conditions are met.

These DTCs are stored when a malfunction is detected in the front passenger side squib 2nd step circuit.

DTC No.

Detection Item

DTC Detection Condition

Trouble Area

B1815/54

Short in Front Passenger Side Squib 2nd Step Circuit

  • One of the following conditions is met:

  • The airbag sensor assembly detects a line short circuit signal 5 times in the front passenger side squib 2nd step circuit during the primary check.

  • A front passenger side squib 2nd step malfunction.

  • An airbag sensor assembly malfunction.

  • Instrument panel wire

  • No. 2 instrument panel wire

  • Instrument panel passenger airbag assembly (Front passenger side squib 2nd step)

  • Airbag sensor assembly

B1816/54

Open in Front Passenger Side Squib 2nd Step Circuit

  • One of the following conditions is met:

  • The airbag sensor assembly detects an open circuit signal in the front passenger side squib 2nd step circuit for 2 seconds.

  • A front passenger side squib 2nd step malfunction.

  • An airbag sensor assembly malfunction.

  • Instrument panel wire

  • No. 2 instrument panel wire

  • Instrument panel passenger airbag assembly (Front passenger side squib 2nd step)

  • Airbag sensor assembly

B1817/54

Short to GND in Front Passenger Side Squib 2nd Step Circuit

  • One of the following conditions is met:

  • The airbag sensor assembly detects a short circuit to ground signal in the front passenger side squib 2nd step circuit for 0.5 seconds.

  • A front passenger side squib 2nd step malfunction.

  • An airbag sensor assembly malfunction.

  • Instrument panel wire

  • No. 2 instrument panel wire

  • Instrument panel passenger airbag assembly (Front passenger side squib 2nd step)

  • Airbag sensor assembly

B1818/54

Short to B+ in Front Passenger Side Squib 2nd Step Circuit

  • One of the following conditions is met:

  • The airbag sensor assembly detects a short circuit to B+ signal in the front passenger side squib 2nd step circuit for 0.5 seconds.

  • A front passenger side squib 2nd step malfunction.

  • An airbag sensor assembly malfunction.

  • Instrument panel wire

  • No. 2 instrument panel wire

  • Instrument panel passenger airbag assembly (Front passenger side squib 2nd step)

  • Airbag sensor assembly

WIRING DIAGRAM

C253311E23

CAUTION / NOTICE / HINT

Note:
  • After turning the power switch off, waiting time may be required before disconnecting the cable from the negative (-) auxiliary battery terminal. Therefore, make sure to read the disconnecting the cable from the negative (-) auxiliary battery terminal notices before proceeding with work.

    Click hereClick hereClick hereClick here

  • When disconnecting the cable from the negative (-) auxiliary battery terminal while performing repairs, some systems need to be initialized after the cable is reconnected.

    Click hereClick hereClick here

  • After replacing the airbag sensor assembly, refer to initialization.

    Click hereClick hereClick here

Tip:

To perform the simulation method, enter check mode (signal check) with the GTS (Click here), and then wiggle each connector of the airbag system or drive the vehicle on various types of road (Click here).

PROCEDURE

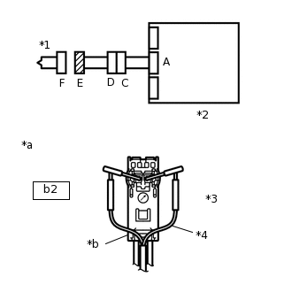
  1. CHECK INSTRUMENT PANEL PASSENGER AIRBAG ASSEMBLY (FRONT PASSENGER SIDE SQUIB 2ND STEP)

    1. C252988C02

      *1

      Front Passenger Side Squib 2nd Step

      *2

      Airbag Sensor Assembly

      *3

      Connector E

      *4

      SST

      *a

      Front view of wire harness connector

      (to Front Passenger Side Squib 2nd Step)

      *b

      Color: Black

      Turn the power switch off.

    2. Disconnect the cable from the negative (-) auxiliary battery terminal, and wait for at least 90 seconds.

    3. Disconnect the connectors from the instrument panel passenger airbag.

    4. Connect the white wire side of SST (resistance: 2.1 Ω) to connector E (black connector).

      CAUTION:

      Never connect the tester to the curtain shield airbag assembly RH (curtain shield squib RH) for measurement, as this may lead to a serious injury due to airbag deployment.

      Note:
      • Do not forcibly insert SST into the terminals of the connector when connecting SST.

      • Insert SST straight into the terminals of the connector.

    5. Connect the cable to the negative (-) auxiliary battery terminal, and wait for at least 2 seconds.

    6. Turn the power switch to on (IG), and wait for at least 60 seconds.

    7. Clear the DTCs.

      Click here

      Body Electrical > SRS Airbag > Clear DTCs

    8. Turn the power switch off.

    9. Turn the power switch to on (IG), and wait for at least 60 seconds.

    10. Check for DTCs.

      Click here

      Body Electrical > SRS Airbag > Trouble Codes

      Result

      Proceed to

      DTC B1815/54, B1816/54, B1817/54 or B1818/54 is not output

      DTC B1815/54, B1816/54, B1817/54 or B1818/54 is output

      Tip:

      Codes other than DTC B1815/54, B1816/54, B1817/54 and B1818/54 may be output at this time, but they are not related to this check.

    11. Turn the power switch off.

    12. Disconnect the cable from the negative (-) auxiliary battery terminal, and wait for at least 90 seconds.

    13. Disconnect SST from connector E.

    09843-18061

    DTC B1815/54, B1816/54, B1817/54 or B1818/54 is not output

    REPLACE INSTRUMENT PANEL PASSENGER AIRBAG ASSEMBLY

    DTC B1815/54, B1816/54, B1817/54 or B1818/54 is output
  2. CHECK CONNECTOR

    1. Disconnect the connectors from the airbag sensor assembly.

    2. C208248C01

      *1

      Front Passenger Side Squib 2nd Step

      *2

      Airbag Sensor Assembly

      Check that the connectors (on the airbag sensor assembly side and instrument panel passenger airbag side) are not damaged.

      OK

      The lock button is not disengaged, and the claw of the lock is not damaged or deformed.

    Result

    Proceed to

    OK

    NG

    NG

    REPLACE HARNESS AND CONNECTOR

    OK
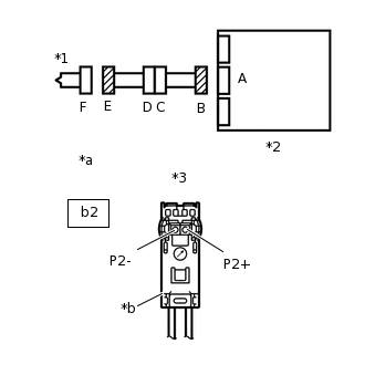
  3. CHECK FRONT PASSENGER SIDE SQUIB 2ND STEP CIRCUIT

    1. C252989C04

      *1

      Front Passenger Side Squib 2nd Step

      *2

      Airbag Sensor Assembly

      *3

      Connector E

      *a

      Front view of wire harness connector

      (to Front Passenger Side Squib 2nd Step)

      *b

      Color: Black

      Connect the cable to the negative (-) auxiliary battery terminal, and wait for at least 2 seconds.

    2. Turn the power switch to on (IG).

    3. Measure the voltage according to the value(s) in the table below.

      Standard Voltage

      Tester Connection

      Switch Condition

      Specified Condition

      b2-2 (P2+) - Body ground

      Power switch on (IG)

      Below 1 V

      b2-1 (P2-) - Body ground

      Power switch on (IG)

      Below 1 V

    4. Turn the power switch off.

    5. Disconnect the cable from the negative (-) auxiliary battery terminal, and wait for at least 90 seconds.

    6. Measure the resistance according to the value(s) in the table below.

      Standard Resistance

      Tester Connection

      Condition

      Specified Condition

      b2-2 (P2+) - b2-1 (P2-)

      Always

      Below 1 Ω

    7. Release the activation prevention mechanism built into connector B.

      Click here

    8. Measure the resistance according to the value(s) in the table below.

      Standard Resistance

      Tester Connection

      Condition

      Specified Condition

      b2-2 (P2+) -b2-1 (P2-)

      Always

      1 MΩ or higher

    9. Restore the released activation prevention mechanism of connector B to its original condition.

    10. Measure the resistance according to the value(s) in the table below.

      Standard Resistance

      Tester Connection

      Condition

      Specified Condition

      b2-2 (P2+) - Body ground

      Always

      1 MΩ or higher

      b2-1 (P2-) - Body ground

      Always

      1 MΩ or higher

    Result

    Proceed to

    OK

    NG

    NG

    CHECK INSTRUMENT PANEL WIREClick here

    OK
  4. CHECK AIRBAG SENSOR ASSEMBLY

    1. C147154C03

      *1

      Front Passenger Side Squib 2nd Step

      *2

      Airbag Sensor Assembly

      Connect the connectors to the instrument panel passenger airbag and airbag sensor assembly.

    2. Connect the cable to the negative (-) auxiliary battery terminal, and wait for at least 2 seconds.

    3. Turn the power switch to on (IG), and wait for at least 60 seconds.

    4. Clear the DTCs.

      Click here

      Body Electrical > SRS Airbag > Clear DTCs

    5. Turn the power switch off.

    6. Turn the power switch to on (IG), and wait for at least 60 seconds.

    7. Check for DTCs.

      Click here

      Body Electrical > SRS Airbag > Trouble Codes

      Result

      Proceed to

      DTC B1815/54, B1816/54, B1817/54 or B1818/54 is not output

      DTC B1815/54, B1816/54, B1817/54 or B1818/54 is output

      Tip:

      Codes other than DTC B1815/54, B1816/54, B1817/54 and B1818/54 may be output at this time, but they are not related to this check.

    DTC B1815/54, B1816/54, B1817/54 or B1818/54 is not output

    USE SIMULATION METHOD TO CHECK

    DTC B1815/54, B1816/54, B1817/54 or B1818/54 is output

    REPLACE AIRBAG SENSOR ASSEMBLY

  5. CHECK INSTRUMENT PANEL WIRE

    1. C252990C02

      *1

      Front Passenger Side Squib 2nd Step

      *2

      No. 2 Instrument Panel Wire

      *3

      Instrument Panel Wire

      *4

      Airbag Sensor Assembly

      *5

      Connector C

      *a

      Front view of wire harness connector

      (to No. 2 Instrument Panel Wire)

      Disconnect the instrument panel wire connector from the No. 2 instrument panel wire.

    2. Connect the cable to the negative (-) auxiliary battery terminal, and wait for at least 2 seconds.

    3. Turn the power switch to on (IG).

    4. Measure the voltage according to the value(s) in the table below.

      Standard Voltage

      Tester Connection

      Switch Condition

      Specified Condition

      Gb1-3 (P2+) - Body ground

      Power switch on (IG)

      Below 1 V

      Gb1-4 (P2-) - Body ground

      Power switch on (IG)

      Below 1 V

    5. Turn the power switch off.

    6. Disconnect the cable from the negative (-) auxiliary battery terminal, and wait for at least 90 seconds.

    7. Measure the resistance according to the value(s) in the table below.

      Standard Resistance

      Tester Connection

      Condition

      Specified Condition

      Gb1-3 (P2+) - Gb1-4 (P2-)

      Always

      Below 1 Ω

    8. Release the activation prevention mechanism built into connector B.

      Click here

    9. Measure the resistance according to the value(s) in the table below.

      Standard Resistance

      Tester Connection

      Condition

      Specified Condition

      Gb1-3 (P2+) - Gb1-4 (P2-)

      Always

      1 MΩ or higher

    10. Restore the released activation prevention mechanism of connector B to its original condition.

    11. Measure the resistance according to the value(s) in the table below.

      Standard Resistance

      Tester Connection

      Condition

      Specified Condition

      Gb1-3 (P2+) - Body ground

      Always

      1 MΩ or higher

      Gb1-4 (P2-) - Body ground

      Always

      1 MΩ or higher

    Result

    Proceed to

    OK

    NG

    OK

    REPLACE NO. 2 INSTRUMENT PANEL WIRE

    NG

    REPLACE INSTRUMENT PANEL WIRE