PRE-CRASH SAFETY SYSTEM, Diagnostic DTC:C1A4B

DTC Code DTC Name
C1A4B Stop Light Relay Circuit

DESCRIPTION

The brake actuator assembly (skid control ECU) outputs a stop light signal to the stop light relay. When the brake actuator assembly (skid control ECU) detects a malfunction relating to the stop light circuit, the pre-crash safety city sensor is notified via CAN communication, and DTC C1A4B is stored.

DTC No.

Detection Item

DTC Detection Condition

Trouble Area

C1A4B

Stop Light Relay Circuit

  • Diagnosis condition:

    3 seconds after the ignition switch turned to ON and pre-crash brake control is performed.

    Malfunction condition:

  • Either of the following conditions is met:

    • When the voltage at the IG1 terminal is between 11 V and 14 V and the stop light illumination output (STPO) signal is on, a signal has not been input to the STP2 terminal continuously for 0.3 seconds or more.

    • When the voltage at the IG1 terminal is between 11 V and 14 V and the stop light illumination output (STPO) signal is off, the input signals at the STP terminal and STP2 terminal differ continuously for 0.3 seconds or more.

  • Lighting system

  • Vehicle stability control system

  • Harness or connector

  • STOP LP relay

  • Pre-crash safety city sensor

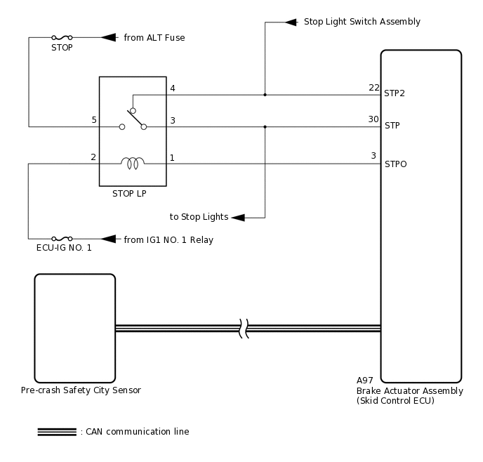
WIRING DIAGRAM

B404431E13

CAUTION / NOTICE / HINT

Note:
  • When this DTC is output, a malfunction in the lighting system is suspected. Check if the lighting system is functioning normally.

    Click hereClick here

  • Inspect the fuses for circuits related to this system before performing the following procedure.

  • When replacing the pre-crash safety city sensor, replace it with a new one and be sure to initialize the settings. If a pre-crash safety city sensor which was installed to another vehicle is used, the information stored in the pre-crash safety city sensor will not match the information from the vehicle and, as a result, a DTC may be stored.

  • If the pre-crash safety city sensor has been replaced, or the windshield glass has been replaced or removed/installed, be sure to perform Recognition Camera/Target Position Memory and Recognition Camera Axis Adjust.

    Click hereClick here

  • First check the CAN communication system by following How to Proceed with Troubleshooting. After checking that there are no malfunctions in the CAN communication system, proceed with troubleshooting.

    Click here

PROCEDURE

  1. CHECK STOP LIGHT OPERATION

    1. Check that the stop lights come on when the brake pedal is depressed and go off when the brake pedal is released.

      OK

      The stop lights illuminate when the brake pedal is depressed. The stop lights turn off when the brake pedal is released.

    Result

    Proceed to

    OK

    NG

    NG

    GO TO LIGHTING SYSTEM

    OK
  2. CHECK HARNESS AND CONNECTOR (STOP LP RELAY POWER SOURCE)

    1. B381525C08

      *a

      Engine Room Relay Block and Junction Block Assembly (Relay Holder)

      Remove the STOP LP relay from the engine room relay block and junction block assembly.

    2. Measure the voltage according to the value(s) in the table below.

      Standard Voltage

      Tester Connection

      Condition

      Specified Condition

      Relay holder terminal 5 - Body ground

      Ignition switch off

      11 to 14 V

      Relay holder terminal 2 - Body ground

      Ignition switch ON

      11 to 14 V

    3. Reinstall the STOP LP relay to the engine room relay block and junction block assembly.

    Result

    Proceed to

    OK

    NG

    NG

    REPAIR OR REPLACE HARNESS OR CONNECTOR

    OK
  3. CHECK HARNESS AND CONNECTOR (STP2 TERMINAL)

    1. C335733C01

      *a

      Front view of wire harness connector

      (to Brake Actuator Assembly (Skid Control ECU))

      Disconnect the A97 brake actuator assembly (skid control ECU) connector.

    2. Measure the voltage according to the value(s) in the table below.

      Standard Voltage

      Tester Connection

      Condition

      Specified Condition

      A97-22 (STP2) - Body ground

      Brake pedal depressed

      11 to 14 V

      A97-22 (STP2) - Body ground

      Brake pedal released

      Below 1.5 V

    Result

    Proceed to

    OK

    NG

    NG

    REPAIR OR REPLACE HARNESS OR CONNECTOR

    OK
  4. CHECK HARNESS AND CONNECTOR (STOP LIGHT VOLTAGE)

    1. B381525C09

      *a

      Engine Room Relay Block and Junction Block Assembly (Relay Holder)

      Remove the STOP LP relay from the engine room relay block and junction block assembly.

    2. Measure the voltage according to the value(s) in the table below.

      Standard Voltage

      Tester Connection

      Condition

      Specified Condition

      Relay holder terminal 4 - Body ground

      Stop light switch assembly on

      (Brake pedal depressed)

      11 to 14 V

      Relay holder terminal 4 - Body ground

      Stop light switch assembly off

      (Brake pedal released)

      Below 2 V

    3. Reinstall the STOP LP relay to the engine room relay block and junction block assembly.

    Result

    Proceed to

    OK

    NG

    NG

    REPAIR OR REPLACE HARNESS OR CONNECTOR

    OK
  5. PERFORM ACTIVE TEST USING GTS

    1. Enter the following menus: Chassis / ABS/VSC/TRC / Active Test.

    2. Perform "Active Test" according to the display on the GTS.

      Click hereClick here

      Chassis > ABS/VSC/TRC > Active Test

      Tester Display

      Measurement Item

      Control Range

      Diagnostic Note

      Stop Light Relay

      Switches stop light on/off

      ON/OFF

      Possible at vehicle speed of 0 km/h (0 mph)

      Chassis > ABS/VSC/TRC > Active Test

      Active Test Display

      Stop Light Relay

      Data List Display

      Stop Light Relay Output

    3. Enter the following menus: Chassis / ABS/VSC/TRC / Data List.

    4. Check the stop light switch assembly operation using the Data List and stop light operation by performing an Active Test.

      Chassis > ABS/VSC/TRC > Data List

      Tester Display

      Measurement Item

      Range

      Normal Condition

      Diagnostic Note

      Stop Light Relay Output

      STPO terminal output condition

      ON or OFF

      ON: Output

      OFF: Not output

      -

    Result

    Result

    Proceed to

    Data List item changes between ON and OFF, but stop lights do not turn on

    A

    Data List item changes between ON and OFF and stop lights turn on and off

    B

    B

    CHECK HARNESS AND CONNECTOR (STOP LP RELAY - BRAKE ACTUATOR ASSEMBLY (SKID CONTROL ECU))Click here

    A
  6. CHECK HARNESS AND CONNECTOR (STOP LP RELAY - BRAKE ACTUATOR ASSEMBLY (SKID CONTROL ECU))

    1. C335733C02

      *a

      Front view of wire harness connector

      (to Brake Actuator Assembly (Skid Control ECU))

      Disconnect the A97 brake actuator assembly (skid control ECU) connector.

    2. B381525C09

      *a

      Engine Room Relay Block and Junction Block Assembly (Relay Holder)

      Remove the STOP LP relay from the engine room relay block and junction block assembly.

    3. Measure the resistance according to the value(s) in the table below.

      Standard Resistance

      Tester Connection

      Condition

      Specified Condition

      Relay holder terminal 1 - A97-3 (STPO)

      Always

      Below 1 Ω

      Relay holder terminal 1 or A97-3 (STPO) - Body ground

      Always

      10 kΩ or higher

    4. Reinstall the STOP LP relay to the engine room relay block and junction block assembly.

    Result

    Proceed to

    OK

    NG

    NG

    REPAIR OR REPLACE HARNESS OR CONNECTOR

    OK
  7. CHECK HARNESS AND CONNECTOR (STOP LP RELAY - BRAKE ACTUATOR ASSEMBLY (SKID CONTROL ECU))

    1. C335733C03

      *a

      Front view of wire harness connector

      (to Brake Actuator Assembly (Skid Control ECU))

      Disconnect the A97 brake actuator assembly (skid control ECU) connector.

    2. B381525C09

      *a

      Engine Room Relay Block and Junction Block Assembly (Relay Holder)

      Remove the STOP LP relay from the engine room relay block and junction block assembly.

    3. Measure the resistance according to the value(s) in the table below.

      Standard Resistance

      Tester Connection

      Condition

      Specified Condition

      Relay holder terminal 3 - A97-30 (STP)

      Always

      Below 1 Ω

    4. Reinstall the STOP LP relay to the engine room relay block and junction block assembly.

    Result

    Proceed to

    OK

    NG

    NG

    REPAIR OR REPLACE HARNESS OR CONNECTOR

    OK
  8. CHECK HARNESS AND CONNECTOR (STP TERMINAL)

    1. C335733C03

      *a

      Front view of wire harness connector

      (to Brake Actuator Assembly (Skid Control ECU))

      Disconnect the A97 brake actuator assembly (skid control ECU) connector.

    2. Measure the voltage according to the value(s) in the table below.

      Standard Voltage

      Tester Connection

      Condition

      Specified Condition

      A97-30 (STP) - Body ground

      Brake pedal depressed

      11 to 14 V

      A97-30 (STP) - Body ground

      Brake pedal released

      Below 1.5 V

    Result

    Proceed to

    OK

    NG

    NG

    REPLACE STOP LP RELAY

    OK
  9. CHECK FOR DTCS

    1. Clear the DTCs.

      Click here

      Chassis > PCS/LDA/RSA/LVN > Clear DTCs

    2. Make sure that the DTC detection conditions are met.

      Tip:

      If the detection conditions are not met, the system cannot detect the malfunction.

      • Using the GTS, perform the Active Test "Stop Light Relay" with the ignition switch ON.

        Click here

    3. Check for DTCs.

      Click here

      Chassis > PCS/LDA/RSA/LVN > Trouble Codes

    Result

    Result

    Proceed to

    DTC C1A4B is not output

    A

    DTC C1A4B is output

    B

    A

    END

    B

    REPLACE PRE-CRASH SAFETY CITY SENSOR