СИСТЕМА ПОДУШЕК БЕЗОПАСНОСТИ SRS, диагностический DTC: B1660

Код DTC Наименование DTC
B1660 Индикатор активного режима подушек безопасности пассажира

ОПИСАНИЕ

Цепь контрольной лампы включения/выключения передней подушки безопасности пассажира включает датчик системы SRS и контрольную лампу включения/выключения передней подушки безопасности пассажира (сигнальная лампа в сборе).

Контрольная лампа включения/выключения передней подушки безопасности пассажира служит для индикации рабочего состояния фронтальной подушки безопасности пассажира в сборе и подушки безопасности № 2 для защиты ног в сборе.

Код DTC B1660 регистрируется при обнаружении неисправности цепи контрольной лампы включения/выключения передней подушки безопасности пассажира.

№ DTC

Неисправность

Условие обнаружения DTC

Неисправный участок

Индикация предупреждения

Режим диагностики / режим проверки

B1660

Индикатор активного режима подушек безопасности пассажира

  • Датчик системы SRS обнаруживает сигнал короткого замыкания в линии, короткого замыкания на массу или B+, или обрыва в цепи контрольной лампы включения/выключения передней подушки безопасности пассажира.

  • Неисправность контрольной лампы включения/выключения передней подушки безопасности пассажира

  • Неисправность блока управления системы SRS

  • Жгут проводов панели приборов

  • Распределительный блок панели приборов в сборе

  • Контрольная лампа включения/выключения передней подушки безопасности пассажира (сигнальная лампа в сборе)

  • Центральный блок управления системы SRS

Загорается

Не относится к режиму диагностики/проверки

СХЕМА ЭЛЕКТРИЧЕСКИХ СОЕДИНЕНИЙ

B474761E03

ПРЕДОСТЕРЕЖЕНИЕ / ПРИМЕЧАНИЕ / УКАЗАНИЕ

Note:
  • После выключения двигателя следует подождать некоторое время, прежде чем отсоединять провод от отрицательного (–) вывода аккумуляторной батареи. Поэтому, прежде чем приступать к этой работе, обязательно ознакомьтесь с примечанием относительно отсоединения провода от отрицательного (-) вывода аккумуляторной батареи.

    Нажмите здесьClick hereClick here

  • Перед выполнением последующей процедуры проверки проверьте плавкие предохранители цепей, относящихся к данной системе.

ПОРЯДОК ВЫПОЛНЕНИЯ

  1. ПРОВЕРЬТЕ СОСТОЯНИЕ КОНТРОЛЬНОЙ ЛАМПЫ ВКЛЮЧЕНИЯ/ВЫКЛЮЧЕНИЯ ПЕРЕДНЕЙ ПОДУШКИ БЕЗОПАСНОСТИ ПАССАЖИРА

    1. Включите зажигание.

    2. Проверьте работу контрольной лампы выключения передней подушки безопасности пассажира

      Tip:

      См. нормальный режим работы контрольной лампы включения/выключения передней подушки безопасности пассажира.

      Нажмите здесьClick hereClick hereClick here

    Result

    Result

    Перейти к

    Контрольная лампа включения/выключения передней подушки безопасности пассажира постоянно включена.

    А

    Контрольная лампа включения/выключения передней подушки безопасности пассажира постоянно выключена.

    B

    B

    ПРОВЕРЬТЕ ПОДСОЕДИНЕНИЕ РАЗЪЕМОВClick here

    A
  2. ПРОВЕРЬТЕ ПОДСОЕДИНЕНИЕ РАЗЪЕМОВ

    1. Выключите зажигание.

    2. Отсоедините провод от отрицательного (-) вывода аккумуляторной батареи.

      CAUTION:

      После отсоединения провода от отрицательного (-) вывода аккумуляторной батареи подождите не менее 90 с, чтобы предотвратить срабатывание системы SRS.

    3. Проверьте правильность подключения разъемов к блоку управления системы SRS в сборе, сигнальной лампе в сборе и распределительному блоку панели приборов в сборе.

      СООТВ

      Разъемы подсоединены должным образом.

    Результат

    Перейти к

    OK

    НЕ СООТВ.

    НЕ СООТВ.

    ПОДСОЕДИНИТЕ РАЗЪЕМЫ ДОЛЖНЫМ ОБРАЗОМ

    СООТВ
  3. ПРОВЕРЬТЕ РАЗЪЕМЫ

    1. Отсоедините разъемы от блока управления системы SRS в сборе, сигнальной лампы в сборе и распределительного блока панели приборов в сборе.

    2. Убедитесь, что контакты разъемов не деформированы и не повреждены.

      OK

      Контакты не деформированы и не повреждены.

    Результат

    Перейти к

    OK

    НЕ СООТВ.

    НЕ СООТВ.

    ЗАМЕНИТЕ ЖГУТ ПРОВОДОВ ПАНЕЛИ ПРИБОРОВ

    СООТВ
  4. ПРОВЕРЬТЕ СОСТОЯНИЕ КОНТРОЛЬНОЙ ЛАМПЫ ВКЛЮЧЕНИЯ/ВЫКЛЮЧЕНИЯ ПЕРЕДНЕЙ ПОДУШКИ БЕЗОПАСНОСТИ ПАССАЖИРА

    1. Подсоедините разъем к сигнальной лампе в сборе и распределительному блоку панели приборов в сборе.

    2. Подсоедините провод к отрицательному (-) выводу аккумуляторной батареи.

    3. Установите замок зажигания в положение ON (ВКЛ.).

    4. Проверьте работу контрольной лампы выключения передней подушки безопасности пассажира

      OK

      Контрольная лампа включения/выключения передней подушки безопасности пассажира не включается.

    Result

    Перейти к

    OK

    НЕ СООТВ.

    НЕ СООТВ.

    ПРОВЕРЬТЕ ЖГУТ ПРОВОДОВClick here

    СООТВ
  5. ПРОВЕРЬТЕ DTC

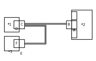
    1. C284134C01

      *1

      Распределительный блок панели приборов в сборе

      *2

      Центральный блок управления системы SRS

      *3

      Сигнальная лампа в сборе

      Выключите зажигание.

    2. Отсоедините провод от отрицательного (-) вывода аккумуляторной батареи.

      CAUTION:

      После отсоединения провода от отрицательного (-) вывода аккумуляторной батареи подождите не менее 90 с, чтобы предотвратить срабатывание системы SRS.

    3. Подсоедините разъем к блоку управления системы SRS.

    4. Подсоедините провод к отрицательному (-) выводу аккумуляторной батареи.

    5. Установите замок зажигания в положение ON (ВКЛ) и подождите не менее 60 секунд.

    6. Удалите коды DTC, сохраненные в памяти.

      Body Electrical > SRS Airbag > Clear DTCs

    7. Выключите зажигание.

    8. Установите замок зажигания в положение ON (ВКЛ) и подождите не менее 60 секунд.

    9. Проверьте наличие кодов DTC.

      Body Electrical > SRS Airbag > Trouble Codes

      СООТВ

      DTC B1660 не выводится.

      Tip:

      В этот момент могут выводиться другие коды, кроме B1660, которые не связаны с данной проверкой.

    Результат

    Перейти к

    OK

    НЕ СООТВ.

    OK

    ВЫПОЛНИТЕ ПРОВЕРКУ С ИМИТАЦИЕЙ УСЛОВИЙ ВОЗНИКНОВЕНИЯ НЕИСПРАВНОСТИ

    Нажмите здесьClick hereClick hereClick here

    NG

    ЗАМЕНИТЕ ЦЕНТРАЛЬНЫЙ БЛОК УПРАВЛЕНИЯ СИСТЕМЫ SRS

    Нажмите здесьClick hereClick hereClick here

  6. ПРОВЕРЬТЕ ЖГУТ ПРОВОДОВ

    1. B474762C01

      *1

      Распределительный блок панели приборов в сборе

      *2

      Центральный блок управления системы SRS

      *3

      Сигнальная лампа в сборе

      *4

      Жгут проводов панели приборов

      *5

      Технологический провод

      *a

      Вид спереди разъема со стороны жгута проводов:

      (блок управления системы SRS)

      *b

      Вид спереди разъема со стороны жгута проводов:

      (к сигнальной лампе в сборе)

      Выключите зажигание.

    2. Отсоедините провод от отрицательного (-) вывода аккумуляторной батареи.

      CAUTION:

      После отсоединения провода от отрицательного (-) вывода аккумуляторной батареи подождите не менее 90 с, чтобы предотвратить срабатывание системы SRS.

    3. Отсоедините разъем от сигнальной лампы в сборе.

    4. Подсоедините провод к отрицательному (-) выводу аккумуляторной батареи.

    5. Установите замок зажигания в положение ON (ВКЛ).

    6. Измерьте напряжение в соответствии со значениями, приведенными в таблице.

      Номинальное напряжение

      Подключение диагностического прибора

      Условие

      Заданные условия

      K36-5 (PAON) - масса

      Зажигание включено

      Менее 1 В

      K36-4 (P-AB) - масса

      Зажигание включено

      Менее 1 В

    7. Выключите зажигание.

    8. Отсоедините провод от отрицательного (-) вывода аккумуляторной батареи.

      CAUTION:

      После отсоединения провода от отрицательного (-) вывода аккумуляторной батареи подождите не менее 90 с, чтобы предотвратить срабатывание системы SRS.

    9. С помощью технологического провода соедините контакты 35 (PAON) и 34 (P-AB) разъема В.

      Note:

      Технологический провод следует вставлять в контакты разъема без усилия.

    10. Измерьте сопротивление в соответствии со значениями, приведенными в таблице ниже.

      Номинальное сопротивление

      Подключение диагностического прибора

      Условие

      Заданные условия

      K36-5 (PAON) - K36-4 (P-AB)

      Всегда

      Менее 1 Ом

    11. Отсоедините технологический провод от разъема В.

    12. Измерьте сопротивление в соответствии со значениями, приведенными в таблице ниже.

      Номинальное сопротивление

      Подключение диагностического прибора

      Условие

      Заданные условия

      K36-5 (PAON) - K36-4 (P-AB)

      Всегда

      1 МОм или более

      K36-5 (PAON) - масса

      Всегда

      1 МОм или более

      K36-4 (P-AB) - масса

      Всегда

      1 МОм или более

    Результат

    Перейти к

    OK

    НЕ СООТВ.

    OK

    ЗАМЕНИТЕ СИГНАЛЬНУЮ ЛАМПУ В СБОРЕ

    Нажмите здесьClick here

    NG
  7. ПРОВЕРЬТЕ ЖГУТ ПРОВОДОВ ПАНЕЛИ ПРИБОРОВ

    1. Отсоедините разъем от распределительного блока панели приборов в сборе.

      B477424C01

      *1

      Распределительный блок панели приборов в сборе

      *2

      Центральный блок управления системы SRS

      *3

      Сигнальная лампа в сборе

      *4

      Жгут проводов панели приборов

      *5

      Технологический провод

      -

      -

      *a

      Вид спереди разъема со стороны жгута проводов:

      (к распределительному блоку панели приборов в сборе)

      *b

      Вид спереди разъема со стороны жгута проводов:

      (блок управления системы SRS)

      *c

      Вид спереди разъема со стороны жгута проводов:

      (к сигнальной лампе в сборе)

      -

      -

    2. С помощью технологического провода соедините контакты 35 (PAON) и 34 (P-AB) разъема В.

      Note:

      Технологический провод следует вставлять в контакты разъема без усилия.

    3. Измерьте сопротивление в соответствии со значениями, приведенными в таблице ниже.

      Номинальное сопротивление

      Подключение диагностического прибора

      Условие

      Заданные условия

      3A-8 (PAON) - 3A-46 (P-AB)

      Всегда

      Менее 1 Ом

    4. Отсоедините технологический провод от разъема В.

    5. С помощью технологического провода соедините контакты 5 (PAON) и 4 (P-AB) разъема E.

      Note:

      Технологический провод следует вставлять в контакты разъема без усилия.

    6. Измерьте сопротивление в соответствии со значениями, приведенными в таблице ниже.

      Номинальное сопротивление

      Подключение диагностического прибора

      Условие

      Заданные условия

      3A-29 (PAON) - 3A-51 (P-AB)

      Всегда

      Менее 1 Ом

    7. Отсоедините технологический провод от разъема E.

    8. Измерьте сопротивление в соответствии со значениями, приведенными в таблице ниже.

      Номинальное сопротивление

      Подключение диагностического прибора

      Условие

      Заданные условия

      3A-8 (PAON) - масса или другие контакты

      Всегда

      1 МОм или более

      3A-29 (PAON) - масса или другие контакты

      Всегда

      1 МОм или более

      3A-46 (P-AB) - масса или другие контакты

      Всегда

      1 МОм или более

      3A-51 (P-AB) - масса или другие контакты

      Всегда

      1 МОм или более

    Результат

    Перейти к

    OK

    НЕ СООТВ.

    OK

    ЗАМЕНИТЕ РАСПРЕДЕЛИТЕЛЬНЫЙ БЛОК ПАНЕЛИ ПРИБОРОВ В СБОРЕ

    NG

    ЗАМЕНИТЕ ЖГУТ ПРОВОДОВ ПАНЕЛИ ПРИБОРОВ

  8. ПРОВЕРЬТЕ ПОДСОЕДИНЕНИЕ РАЗЪЕМОВ

    1. Выключите зажигание.

    2. Отсоедините провод от отрицательного (-) вывода аккумуляторной батареи.

      CAUTION:

      После отсоединения провода от отрицательного (-) вывода аккумуляторной батареи подождите не менее 90 с, чтобы предотвратить срабатывание системы SRS.

    3. Проверьте правильность подключения разъемов к блоку управления системы SRS в сборе, сигнальной лампе в сборе и распределительному блоку панели приборов в сборе.

      СООТВ

      Разъемы подсоединены должным образом.

    Результат

    Перейти к

    OK

    НЕ СООТВ.

    НЕ СООТВ.

    ПОДСОЕДИНИТЕ РАЗЪЕМЫ ДОЛЖНЫМ ОБРАЗОМ

    СООТВ
  9. ПРОВЕРЬТЕ РАЗЪЕМЫ

    1. Отсоедините разъемы от блока управления системы SRS в сборе, сигнальной лампы в сборе и распределительного блока панели приборов в сборе.

    2. Убедитесь, что контакты разъемов не деформированы и не повреждены.

      OK

      Контакты не деформированы и не повреждены.

    Результат

    Перейти к

    OK

    НЕ СООТВ.

    НЕ СООТВ.

    ЗАМЕНИТЕ ЖГУТ ПРОВОДОВ ПАНЕЛИ ПРИБОРОВ

    OK
  10. ПРОВЕРЬТЕ ЖГУТ ПРОВОДОВ

    1. B474762C01

      *1

      Распределительный блок панели приборов в сборе

      *2

      Центральный блок управления системы SRS

      *3

      Сигнальная лампа в сборе

      *4

      Жгут проводов панели приборов

      *5

      Технологический провод

      *a

      Вид спереди разъема со стороны жгута проводов:

      (блок управления системы SRS)

      *b

      Вид спереди разъема со стороны жгута проводов:

      (к сигнальной лампе в сборе)

      Подсоедините разъем к распределительному блоку панели приборов в сборе.

    2. Подсоедините провод к отрицательному (-) выводу аккумуляторной батареи.

    3. Установите замок зажигания в положение ON (ВКЛ).

    4. Измерьте напряжение в соответствии со значениями, приведенными в таблице.

      Номинальное напряжение

      Подключение диагностического прибора

      Условие

      Заданные условия

      K36-5 (PAON) - масса

      Зажигание включено

      Менее 1 В

      K36-4 (P-AB) - масса

      Зажигание включено

      Менее 1 В

    5. Выключите зажигание.

    6. Отсоедините провод от отрицательного (-) вывода аккумуляторной батареи.

      CAUTION:

      После отсоединения провода от отрицательного (-) вывода аккумуляторной батареи подождите не менее 90 с, чтобы предотвратить срабатывание системы SRS.

    7. С помощью технологического провода соедините контакты 35 (PAON) и 34 (P-AB) разъема В.

      Note:

      Технологический провод следует вставлять в контакты разъема без усилия.

    8. Измерьте сопротивление в соответствии со значениями, приведенными в таблице ниже.

      Номинальное сопротивление

      Подключение диагностического прибора

      Условие

      Заданные условия

      K36-5 (PAON) - K36-4 (P-AB)

      Всегда

      Менее 1 Ом

    9. Отсоедините технологический провод от разъема В.

    10. Измерьте сопротивление в соответствии со значениями, приведенными в таблице ниже.

      Номинальное сопротивление

      Подключение диагностического прибора

      Условие

      Заданные условия

      K36-5 (PAON) - K36-4 (P-AB)

      Всегда

      1 МОм или более

      K36-5 (PAON) - масса

      Всегда

      1 МОм или более

      K36-4 (P-AB) - масса

      Всегда

      1 МОм или более

    Результат

    Перейти к

    OK

    НЕ СООТВ.

    НЕ СООТВ.

    ПРОВЕРЬТЕ ЖГУТ ПРОВОДОВ ПАНЕЛИ ПРИБОРОВClick here

    СООТВ
  11. ПРОВЕРЬТЕ КОНТРОЛЬНУЮ ЛАМПУ ВКЛЮЧЕНИЯ/ВЫКЛЮЧЕНИЯ ПЕРЕДНЕЙ ПОДУШКИ БЕЗОПАСНОСТИ ПАССАЖИРА (НАПРЯЖЕНИЕ ПИТАНИЯ)

    1. B474766C02

      *1

      Распределительный блок панели приборов в сборе

      *2

      Центральный блок управления системы SRS

      *3

      Сигнальная лампа в сборе

      *4

      Жгут проводов панели приборов

      *a

      Вид спереди разъема со стороны жгута проводов:

      (к сигнальной лампе в сборе)

      Подсоедините провод к отрицательному (-) выводу аккумуляторной батареи.

    2. Установите замок зажигания в положение ON (ВКЛ).

    3. Измерьте напряжение в соответствии со значениями, приведенными в таблице.

      Номинальное напряжение

      Подключение диагностического прибора

      Условие

      Заданные условия

      K36-10 (IG+) - масса

      Зажигание включено

      11-14 В

    4. Выключите зажигание.

    5. Отсоедините провод от отрицательного (-) вывода аккумуляторной батареи.

      CAUTION:

      После отсоединения провода от отрицательного (-) вывода аккумуляторной батареи подождите не менее 90 с, чтобы предотвратить срабатывание системы SRS.

    Результат

    Перейти к

    OK

    НЕ СООТВ.

    НЕ СООТВ.

    ЗАМЕНИТЕ ЖГУТ ПРОВОДОВ ИЛИ АККУМУЛЯТОРНУЮ БАТАРЕЮ

    СООТВ
  12. ПРОВЕРЬТЕ КОНТРОЛЬНУЮ ЛАМПУ ВЫКЛЮЧЕНИЯ ПЕРЕДНЕЙ ПОДУШКИ БЕЗОПАСНОСТИ ПАССАЖИРА

    1. B474767C01

      *1

      Распределительный блок панели приборов в сборе

      *2

      Центральный блок управления системы SRS

      *3

      Сигнальная лампа в сборе

      *4

      Жгут проводов панели приборов

      *a

      Вид спереди разъема со стороны жгута проводов:

      (блок управления системы SRS)

      Подсоедините разъем к сигнальной лампе.

    2. Подсоедините провод к отрицательному (-) выводу аккумуляторной батареи.

    3. Установите замок зажигания в положение ON (ВКЛ).

    4. Проверьте работу контрольной лампы включения/выключения передней подушки безопасности пассажира в зависимости от условий, приведенных в таблице ниже.

      OK

      Сoединение контактов

      Условие

      Заданные условия

      K73-35 (PAON) - масса

      Зажигание включено

      Загорается "ON" (ВКЛ)

      K73-34 (P-AB) - масса

      Зажигание включено

      Загорается "OFF" (ВЫКЛ)

    5. Выключите зажигание.

    6. Отсоедините провод от отрицательного (-) вывода аккумуляторной батареи.

      CAUTION:

      После отсоединения провода от отрицательного (-) вывода аккумуляторной батареи подождите не менее 90 с, чтобы предотвратить срабатывание системы SRS.

    Результат

    Перейти к

    OK

    НЕ СООТВ.

    НЕ СООТВ.

    ЗАМЕНИТЕ СИГНАЛЬНУЮ ЛАМПУ В СБОРЕ

    Нажмите здесьClick here

    СООТВ
  13. ПРОВЕРЬТЕ DTC

    1. C284134C01

      *1

      Распределительный блок панели приборов в сборе

      *2

      Центральный блок управления системы SRS

      *3

      Сигнальная лампа в сборе

      Подсоедините разъем к блоку управления системы SRS.

    2. Подсоедините провод к отрицательному (-) выводу аккумуляторной батареи.

    3. Установите замок зажигания в положение ON (ВКЛ) и подождите не менее 60 секунд.

    4. Удалите коды DTC, сохраненные в памяти.

      Body Electrical > SRS Airbag > Clear DTCs

    5. Выключите зажигание.

    6. Установите замок зажигания в положение ON (ВКЛ) и подождите не менее 60 секунд.

    7. Проверьте наличие кодов DTC.

      Body Electrical > SRS Airbag > Trouble Codes

      СООТВ

      DTC B1660 не выводится.

      Tip:

      В этот момент могут выводиться другие коды, кроме B1660, которые не связаны с данной проверкой.

    Результат

    Перейти к

    OK

    НЕ СООТВ.

    OK

    ВЫПОЛНИТЕ ПРОВЕРКУ С ИМИТАЦИЕЙ УСЛОВИЙ ВОЗНИКНОВЕНИЯ НЕИСПРАВНОСТИ

    Нажмите здесьClick hereClick hereClick here

    NG

    ЗАМЕНИТЕ ЦЕНТРАЛЬНЫЙ БЛОК УПРАВЛЕНИЯ СИСТЕМЫ SRS

    Нажмите здесьClick hereClick hereClick here

  14. ПРОВЕРЬТЕ ЖГУТ ПРОВОДОВ ПАНЕЛИ ПРИБОРОВ

    1. Отсоедините разъем от распределительного блока панели приборов в сборе.

      B477424C01

      *1

      Распределительный блок панели приборов в сборе

      *2

      Центральный блок управления системы SRS

      *3

      Сигнальная лампа в сборе

      *4

      Жгут проводов панели приборов

      *5

      Технологический провод

      -

      -

      *a

      Вид спереди разъема со стороны жгута проводов:

      (к распределительному блоку панели приборов в сборе)

      *b

      Вид спереди разъема со стороны жгута проводов:

      (блок управления системы SRS)

      *c

      Вид спереди разъема со стороны жгута проводов:

      (к сигнальной лампе в сборе)

      -

      -

    2. С помощью технологического провода соедините контакты 35 (PAON) и 34 (P-AB) разъема В.

      Note:

      Технологический провод следует вставлять в контакты разъема без усилия.

    3. Измерьте сопротивление в соответствии со значениями, приведенными в таблице ниже.

      Номинальное сопротивление

      Подключение диагностического прибора

      Условие

      Заданные условия

      3A-8 (PAON) - 3A-46 (P-AB)

      Всегда

      Менее 1 Ом

    4. Отсоедините технологический провод от разъема В.

    5. С помощью технологического провода соедините контакты 5 (PAON) и 4 (P-AB) разъема E.

      Note:

      Технологический провод следует вставлять в контакты разъема без усилия.

    6. Измерьте сопротивление в соответствии со значениями, приведенными в таблице ниже.

      Номинальное сопротивление

      Подключение диагностического прибора

      Условие

      Заданные условия

      3A-29 (PAON) - 3A-51 (P-AB)

      Всегда

      Менее 1 Ом

    7. Отсоедините технологический провод от разъема E.

    8. Измерьте сопротивление в соответствии со значениями, приведенными в таблице ниже.

      Номинальное сопротивление

      Подключение диагностического прибора

      Условие

      Заданные условия

      3A-8 (PAON) - масса или другие контакты

      Всегда

      1 МОм или более

      3A-29 (PAON) - масса или другие контакты

      Всегда

      1 МОм или более

      3A-46 (P-AB) - масса или другие контакты

      Всегда

      1 МОм или более

      3A-51 (P-AB) - масса или другие контакты

      Всегда

      1 МОм или более

    Результат

    Перейти к

    OK

    НЕ СООТВ.

    OK

    ЗАМЕНИТЕ РАСПРЕДЕЛИТЕЛЬНЫЙ БЛОК ПАНЕЛИ ПРИБОРОВ В СБОРЕ

    NG

    ЗАМЕНИТЕ ЖГУТ ПРОВОДОВ ПАНЕЛИ ПРИБОРОВ