СИСТЕМА КОНДИЦИОНИРОВАНИЯ


  1. КОНСТРУКЦИЯ


    1. В соединении жгута проводов, связывающем сервопривод с блоком управления системой кондиционирования, используется шинный разъем.

      A01FJ91C01
      *1 Разъем шины *2 Жгут проводов системы кондиционирования в сборе
      *a К датчику температуры испарителя (термистору системы кондиционирования № 1) *b К блоку управления системой кондиционирования
    2. Разъем шины содержит встроенную микросхему управления с функцией определения положения, которая обменивается данными с разъемом каждого сервопривода и приводит в действие серводвигатели. Это обеспечивает объединение в шину жгутов проводов отдельных сервоприводов, облегчает конструкцию и уменьшает количество проводов.

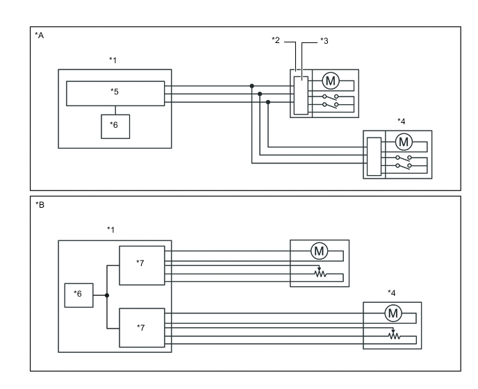
      A01FJJ4C03
      *A Для моделей с разъемом шины *B Для моделей без разъема шины
      *1 Блок управления системой кондиционирования в сборе *2 Разъем шины
      *3 ИС передачи данных / управления *4 Серводвигатель
      *5 ИС передачи данных *6 Главный процессор
      *7 ИС управления - -