СИСТЕМА ECD


  1. FUNCTION


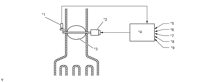
    1. The opening of the diesel throttle valve is controlled by the ECM in accordance with the engine conditions. This reduces the noise that is generated during idling and deceleration, as well as the noise and vibration that is generated when the engine is stopped.

      B002NQ6C01
      *1 Diesel Throttle Valve Fully Opened Switch *2 Throttle Control Motor
      *3 Diesel Throttle Valve *4 ECM
      *5 Engine Speed Signal *6 Engine Coolant Temperature Signal
      *7 Intake Air Pressure Signal *8 Intake Air Temperature Signal
      *9 Ignition Switch Signal - -