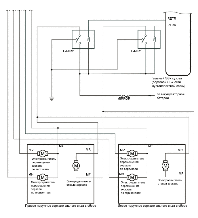
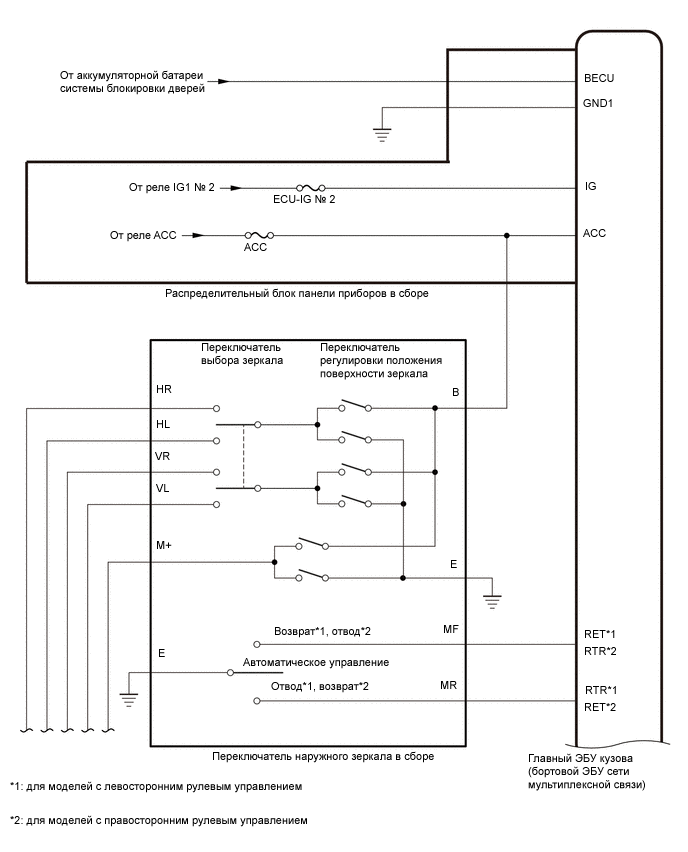
СИСТЕМА ЗЕРКАЛ С ЭЛЕКТРОПРИВОДОМ (без памяти) СХЕМА СИСТЕМЫ
Система зеркал с электроприводом
Система обогревателей зеркал (для моделей с обогревателями зеркал)
Система зеркал с электроприводом
Система обогревателей зеркал (для моделей с обогревателями зеркал)