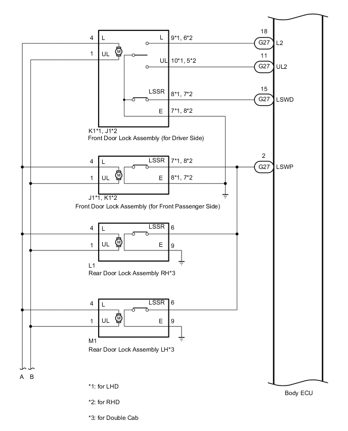
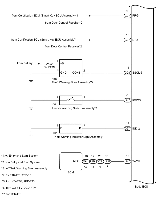
THEFT DETERRENT SYSTEM SYSTEM DIAGRAM

B0027W1E01
A01SHNVE01
B00273BE03
A01SG4BE04
A01SI9OE02