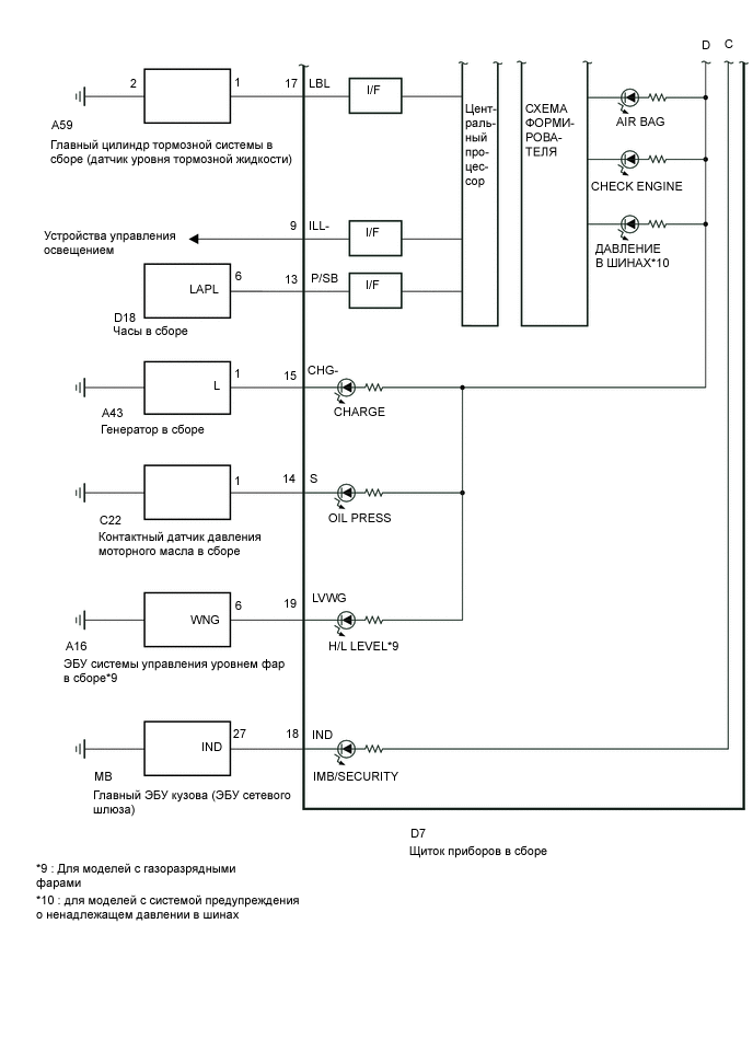
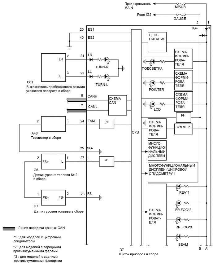
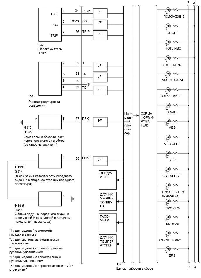
СИСТЕМА ИЗМЕРИТЕЛЬНЫХ ПРИБОРОВ И ИНДИКАТОРОВ СХЕМА СИСТЕМЫ

E246773E05
E246774E04
E296468E03