STEERING LOCK SYSTEM Unable to Lock Steering Wheel

DTC Code DTC Name
Unable to Lock Steering Wheel

DESCRIPTION

The steering lock actuator activates the steering lock motor and moves the lock bar into the steering column to lock the steering.

When the steering lock is operating, the steering may not lock when the lock bar is not aligned with the lock hole of the steering column. In this case, the steering can be locked by turning the steering wheel a little in the same manner as is done for a vehicle with a mechanical key to change the position of the lock hole.

Table 1. Related Data List and Active Test Items

Problem Symptom

Data List Item

Active Test Item

Unable to lock steering wheel

  • Main Body

  • FR Door Courtesy SW (for RHD)

  • FL Door Courtesy SW (for LHD)

-

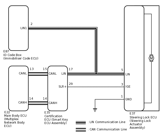
WIRING DIAGRAM

C275907E01

CAUTION / NOTICE / HINT

Note:
  • When using the GTS with the vehicle engine switch off, connect the GTS to the vehicle and turn a courtesy light switch on and off at intervals of 1.5 seconds or less until communication between the GTS and the vehicle begins. Then select the Model Code "KEY REGIST" under manual mode and enter the following menus: Body Electrical / Entry & Start(CAN). While using the GTS, periodically turn a courtesy light switch on and off at intervals of 1.5 seconds or less to maintain communication between the GTS and the vehicle.

  • Perform either of the following operations to lock/unlock the steering:

    • To unlock the steering, carry the key and turn the engine switch on (ACC) or on (IG) with the shift lever in P*1 or N*2.

    • To lock the steering, turn the engine switch off with the shift lever in P*1 or N*2, and then open a door.

  • Make sure that no DTCs are output. If any DTCs are output, proceed to the Diagnostic Trouble Code Chart.

    Click hereClick here

  • The steering lock system uses LIN communication. First perform the inspections in "How to Proceed with Troubleshooting" to confirm that there are no communication malfunctions before proceeding with troubleshooting.

    Click here

  • When replacing the steering lock ECU (steering lock actuator assembly), certification ECU (smart key ECU assembly) or ID code box (immobiliser code ECU), registration must be performed (refer to Service Bulletin).

  • After performing repairs, confirm that the problem does not recur.

  • Inspect the fuses for circuits related to this system before performing the following procedure.

  • When disconnecting the cable from the negative (-) battery terminal, some systems need to be initialized after the cable is reconnected.

    Click hereClick hereClick hereClick hereClick hereClick here

  • *1: for CVT

  • *2: for Multi-Mode Manual Transaxle

PROCEDURE

  1. CHECK DTC (ALL)

    1. Using the GTS, confirm the output of DTCs for all systems.

      OK

      No DTCs are output.

      Note:
      • When using the GTS with the vehicle engine switch off, connect the GTS to the vehicle and turn a courtesy light switch on and off at intervals of 1.5 seconds or less until communication between the GTS and the vehicle begins. Then select the Model Code "KEY REGIST" under manual mode and enter the following menus: Body Electrical / Entry & Start(CAN). While using the GTS, periodically turn a courtesy light switch on and off at intervals of 1.5 seconds or less to maintain communication between the GTS and the vehicle.

      • Make sure that no DTCs are output. If any DTCs are output, proceed to Diagnostic Trouble Code Chart.

        Click hereClick here

    Result

    Proceed to

    OK

    NG

    NG

    REPAIR CIRCUITS INDICATED BY OUTPUT DTCS

    OK
  2. READ VALUE USING GTS (LOCK REQUEST RECEIVE)

    1. Use the Data List to check if the steering lock command is functioning properly.

      Body Electrical > Entry&Start > Data List

      Tester Display

      Measurement Item

      Range

      Normal Condition

      Diagnostic Note

      Lock Request Receive

      Reception state of steering lock request signal by certification ECU (smart key ECU assembly) and sent to ID code box (immobiliser code ECU)

      Tip:
      • The reception state is maintained for 10 seconds.

      • When 10 seconds or more elapsed after receiving the signal, the item changes to "NG".

      OK or NG

      OK: Within 10 seconds of opening any door with engine switch off and shift lever in P (for CVT) or N (for Multi-Mode Manual Transaxle)

      NG: Except above

      If this item does not change to "OK" even though the steering lock conditions are met, the certification ECU (smart key ECU assembly) may be malfunctioning.

      Body Electrical > Entry&Start > Data List

      Tester Display

      Lock Request Receive

      OK

      The certification ECU (smart key ECU assembly) receives a lock request signal within 10 seconds of turning the engine switch from on (IG) to off and opening a door with the shift lever in P (for CVT) or N (for Multi-Mode Manual Transaxle), and OK is displayed on the GTS screen.

    Result

    Proceed to

    OK

    NG

    NG

    READ VALUE USING GTS (DOOR COURTESY SW)Click here

    OK
  3. INSPECT STEERING LOCK ECU (MOTOR ACTIVATION COMMAND SIGNAL)

    Result

    Proceed to

    OK

    NG

    NG

    REPAIR OR REPLACE HARNESS OR CONNECTOR

    OK
  4. CHECK HARNESS AND CONNECTOR (STEERING LOCK ECU - CERTIFICATION ECU (SMART KEY ECU ASSEMBLY))

    Result

    Proceed to

    OK

    NG

    OK

    REPLACE STEERING LOCK ACTUATOR ASSEMBLY

    NG

    REPAIR OR REPLACE HARNESS OR CONNECTOR

  5. READ VALUE USING GTS (DOOR COURTESY SW)

    1. Using the GTS, check the following main body ECU Data List item by opening and closing the driver door to confirm the state of the front door courtesy light switch assembly.

      Body Electrical > Main Body > Data List

      Tester Display

      Measurement Item

      Range

      Normal Condition

      Diagnostic Note

      FR Door Courtesy SW

      Front door courtesy light switch assembly RH (for RHD)

      ON or OFF

      ON: Front door RH open

      OFF: Front door RH closed

      If this item does not change according to the actual state of the driver door, there is a malfunction in the door courtesy light switch or a related part.

      FL Door Courtesy SW

      Front door courtesy light switch assembly LH (for LHD)

      ON or OFF

      ON: Front door LH open

      OFF: Front door LH closed

      If this item does not change according to the actual state of the driver door, there is a malfunction in the door courtesy light switch or a related part.

      Body Electrical > Main Body > Data List

      Tester Display

      FR Door Courtesy SW

      FL Door Courtesy SW

      OK

      The Data List item changes in accordance with the opening and closing of the driver door.

    Result

    Proceed to

    OK

    NG

    NG

    GO TO LIGHTING SYSTEM (FRONT DOOR COURTESY SWITCH CIRCUIT)

    OK
  6. READ VALUE USING GTS (S CODE CHECK)

    1. Use the Data List to check if S code certification is functioning properly.

      Body Electrical > Entry&Start > Data List

      Tester Display

      Measurement Item

      Range

      Normal Condition

      Diagnostic Note

      S Code Check

      Verification result between certification ECU (smart key ECU assembly) and ID code box (immobiliser code ECU)

      OK or NG

      OK: Verification result normal

      NG: Verification result abnormal

      When a malfunction is present:

      • The ID code for the certification ECU (smart key ECU assembly) or ID code box (immobiliser code ECU) is not registered or the certification ECU (smart key ECU assembly) or ID code box (immobiliser code ECU) is malfunctioning.

      • The steering cannot be locked.

      • The steering cannot be unlocked (the engine cannot be started).

      Body Electrical > Entry&Start > Data List

      Tester Display

      S Code Check

      OK

      OK is displayed on the GTS.

      Tip:

      Reasons for verification failure:

      • The certification ECU (smart key ECU assembly) or ID code box (immobiliser code ECU) is malfunctioning.

      • There is a problem with the communication between ECUs.

      • An ECU is replaced, but is not registered.

      • An ECU is replaced with an ECU which has a code already stored in it.

    Result

    Proceed to

    OK

    NG

    NG

    REPLACE CERTIFICATION ECU (SMART KEY ECU ASSEMBLY)Click here

    OK
  7. READ VALUE USING GTS (L CODE CHECK)

    1. Use the Data List to check if L code certification is functioning properly.

      Body Electrical > Entry&Start > Data List

      Verification result between ID code box (immobiliser code ECU) and steering lock ECU / OK or NG

      Tester Display

      Measurement Item

      Range

      Normal Condition

      Diagnostic Note

      L Code Check

      Verification result between ID code box (immobiliser code ECU) and steering lock ECU

      OK or NG

      OK: Verification result normal

      NG: Verification result abnormal

      When a malfunction is present:

      • The ID code for the ID code box (immobiliser code ECU) or steering lock ECU is not registered or the ID code box (immobiliser code ECU) or steering lock ECU is malfunctioning.

      • The steering cannot be locked.

      • The steering cannot be unlocked (the engine cannot be started).

      Body Electrical > Entry&Start > Data List

      Tester Display

      L Code Check

      OK

      OK is displayed on the GTS.

      Tip:

      Reasons for verification failure:

      • The steering lock ECU or ID code box (immobiliser code ECU) is malfunctioning.

      • There is a problem with the communication between ECUs.

      • An ECU is replaced, but is not registered.

      • An ECU is replaced with an ECU which has a code already stored in it.

    Result

    Proceed to

    OK

    NG

    NG

    REPLACE STEERING LOCK ACTUATOR ASSEMBLYClick here

    OK
  8. REPLACE STEERING LOCK ACTUATOR ASSEMBLY

    1. Replace the steering lock ECU (steering lock actuator assembly) with a new one.

      Click here

    2. Perform registration (refer to Service Bulletin).

    3. Turn the engine switch on (IG).

    4. Turn the steering wheel and check the steering lock condition.

      OK

      Steering is unlocked.

    Result

    Proceed to

    OK

    NG

    OK

    END

    NG

    REPLACE CERTIFICATION ECU (SMART KEY ECU ASSEMBLY)

  9. REPLACE STEERING LOCK ACTUATOR ASSEMBLY

    1. Replace the steering lock ECU (steering lock actuator assembly) with a new one.

      Click here

    2. Perform registration (refer to Service Bulletin).

    3. Use the Data List to check if L code certification is functioning properly.

      Body Electrical > Entry&Start > Data List

      Tester Display

      Measurement Item

      Range

      Normal Condition

      Diagnostic Note

      L Code Check

      Verification result between ID code box (immobiliser code ECU) and steering lock ECU

      OK or NG

      OK: Verification result normal

      NG: Verification result abnormal

      When a malfunction is present:

      • The ID code for the ID code box (immobiliser code ECU) or steering lock ECU is not registered or the ID code box (immobiliser code ECU) or steering lock ECU is malfunctioning.

      • The steering cannot be locked.

      • The steering cannot be unlocked (the engine cannot be started).

      Body Electrical > Entry&Start > Data List

      Tester Display

      L Code Check

      OK

      OK is displayed on the GTS.

    Result

    Proceed to

    OK

    NG

    OK

    END

    NG

    REPLACE ID CODE BOX (IMMOBILISER CODE ECU)

  10. REPLACE CERTIFICATION ECU (SMART KEY ECU ASSEMBLY)

    1. Replace the certification ECU (smart key ECU assembly) with a new one.

    2. Perform registration (refer to Service Bulletin).

    3. Use the Data List to check if S code certification is functioning properly.

      Body Electrical > Entry&Start > Data List

      Tester Display

      Measurement Item

      Range

      Normal Condition

      Diagnostic Note

      S Code Check

      Verification result between certification ECU (smart key ECU assembly) and ID code box (immobiliser code ECU)

      OK or NG

      OK: Verification result normal

      NG: Verification result abnormal

      When a malfunction is present:

      • The ID code for the certification ECU (smart key ECU assembly) or ID code box (immobiliser code ECU) is not registered or the certification ECU (smart key ECU assembly) or ID code box (immobiliser code ECU) is malfunctioning.

      • The steering cannot be locked.

      • The steering cannot be unlocked (the engine cannot be started).

      Body Electrical > Entry&Start > Data List

      Tester Display

      S Code Check

      OK

      OK is displayed on the GTS.

    Result

    Proceed to

    OK

    NG

    OK

    END

    NG

    REPLACE ID CODE BOX (IMMOBILISER CODE ECU)