СИСТЕМА ПРЕДУПРЕЖДЕНИЯ О НЕПРИСТЕГНУТОМ РЕМНЕ БЕЗОПАСНОСТИ (для моделей с системой классификации пассажиров) СХЕМА СИСТЕМЫ

  1. ПРЕДУПРЕЖДЕНИЕ О НЕПРИСТЕГНУТОМ РЕМНЕ БЕЗОПАСНОСТИ ПЕРЕДНЕГО СИДЕНЬЯ

    B431353E03
    B431349E02
    Table 1. Таблица обмена данными

    уровня

    Приемник

    Сигнал

    Метод передачи данных

    Блок управления системы SRS

    Щиток приборов в сборе

    • Выключатель пряжки замка ремня безопасности левого переднего сиденья в сборе

    • Выключатель пряжки замка ремня безопасности правого переднего сиденья в сборе

    • Сигнал датчика присутствия пассажира

    CAN

    ЭБУ системы противоскольжения

    Щиток приборов в сборе

    Скорость движения автомобиля

    ЭБУ гибридной системы в сборе

    Щиток приборов в сборе

    Положение рычага переключения передач

    ЭБУ обнаружения присутствия пассажира

    Блок управления системы SRS

    • Выключатель пряжки замка ремня безопасности правого переднего сиденья в сборе

    • Сигнал датчика присутствия пассажира

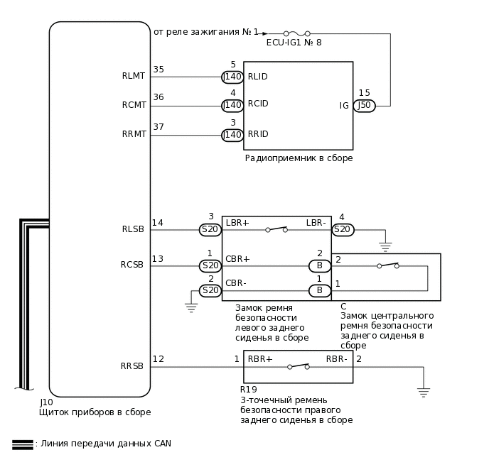
  2. ПРЕДУПРЕЖДЕНИЕ О НЕПРИСТЕГНУТОМ РЕМНЕ БЕЗОПАСНОСТИ ЗАДНЕГО СИДЕНЬЯ

    B453615E09
    B457121E01
    Table 2. Таблица обмена данными

    уровня

    Приемник

    Сигнал

    Метод передачи данных

    Главный ЭБУ кузова (ЭБУ сети мультиплексной связи кузова)

    Щиток приборов в сборе

    Сигнал выключателя освещения проема задней двери (левой / правой)

    CAN