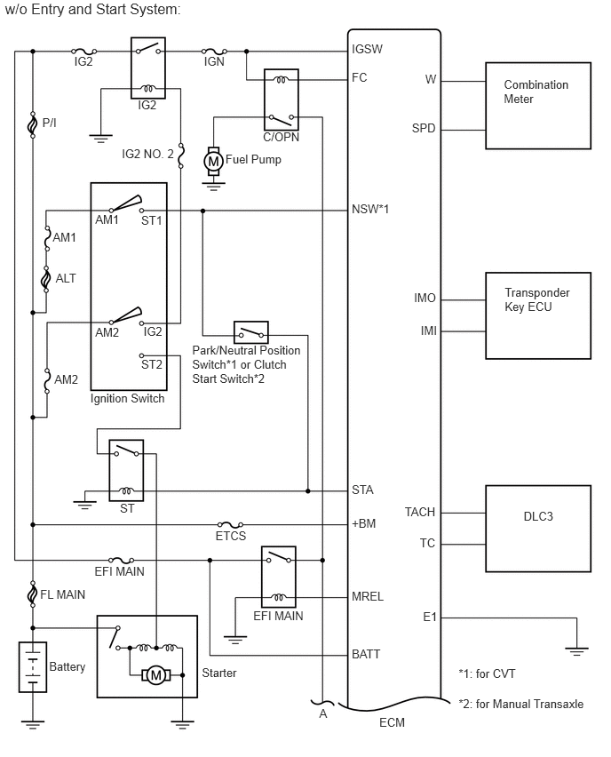
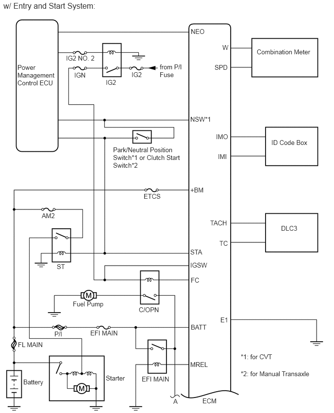
SFI SYSTEM SYSTEM DIAGRAM

A202092E02
A342935E02
A342934E01
A342921E02
A342917E01