AIRBAG SYSTEM(w/o Occupant Classification System), Diagnostic DTC:B1830/57,B1831/57,B1832/57 and B1833/57

DTC Code DTC Name
B1830/57 Short in Curtain Shield Squib RH Circuit
B1831/57 Open in Curtain Shield Squib RH Circuit
B1832/57 Short to GND in Curtain Shield Squib RH Circuit
B1833/57 Short to B+ in Curtain Shield Squib RH Circuit

DESCRIPTION

The curtain shield squib RH circuit consists of the airbag sensor assembly and curtain shield airbag assembly RH.

The circuit instructs the SRS to deploy when deployment conditions are met.

These DTCs are stored when a malfunction is detected in the curtain shield squib RH circuit.

DTC No.

Detection Item

DTC Detection Condition

Trouble Area

B1830/57

Short in Curtain Shield Squib RH Circuit

One of the following conditions is met:

  • The airbag sensor assembly detects a line short circuit signal 5 times in the curtain shield squib RH circuit during the primary check.

  • A curtain shield squib RH malfunction.

  • A airbag sensor assembly malfunction.

  • Floor wire

  • Curtain shield airbag assembly RH (Curtain shield squib RH)

  • Airbag sensor assembly

B1831/57

Open in Curtain Shield Squib RH Circuit

One of the following conditions is met:

  • The airbag sensor assembly detects an open circuit signal in the curtain shield squib RH circuit for 2 seconds.

  • A curtain shield squib RH malfunction.

  • A airbag sensor assembly malfunction.

  • Floor wire

  • Curtain shield airbag assembly RH (Curtain shield squib RH)

  • Airbag sensor assembly

B1832/57

Short to GND in Curtain Shield Squib RH Circuit

One of the following conditions is met:

  • The airbag sensor assembly detects a short circuit to ground signal in the curtain shield squib RH circuit for 0.5 seconds.

  • A curtain shield squib RH malfunction.

  • A airbag sensor assembly malfunction.

  • Floor wire

  • Curtain shield airbag assembly RH (Curtain shield squib RH)

  • Airbag sensor assembly

B1833/57

Short to B+ in Curtain Shield Squib RH Circuit

One of the following conditions is met:

  • The airbag sensor assembly detects a short circuit to B+ signal in the curtain shield squib RH circuit for 0.5 seconds.

  • A curtain shield squib RH malfunction.

  • A airbag sensor assembly malfunction.

  • Floor wire

  • Curtain shield airbag assembly RH (Curtain shield squib RH)

  • Airbag sensor assembly

WIRING DIAGRAM

C253326E45

CAUTION / NOTICE / HINT

Note:
  • After turning the power switch off, waiting time may be required before disconnecting the cable from the negative (-) auxiliary battery terminal. Therefore, make sure to read the disconnecting the cable from the negative (-) auxiliary battery terminal notices before proceeding with work.

    Click hereClick hereClick hereClick here

  • When disconnecting the cable from the negative (-) auxiliary battery terminal while performing repairs, some systems need to be initialized after the cable is reconnected.

    Click hereClick hereClick here

  • After replacing the airbag sensor assembly, refer to initialization.

    Click hereClick hereClick here

Tip:

To perform the simulation method, enter check mode (signal check) with the GTS (Click here), and then wiggle each connector of the airbag system or drive the vehicle on various types of road (Click here).

PROCEDURE

  1. CHECK CURTAIN SHIELD AIRBAG ASSEMBLY RH (CURTAIN SHIELD SQUIB RH)

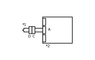
    1. C217723C01

      *1

      Curtain Shield Squib RH

      *2

      Airbag Sensor Assembly

      *3

      Connector C

      *a

      Front view of wire harness connector

      (to Curtain Shield Squib RH)

      Turn the power switch off.

    2. Disconnect the cable from the negative (-) auxiliary battery terminal, and wait for at least 90 seconds.

    3. Disconnect the connector from the curtain shield airbag assembly RH.

    4. Connect the white wire side of SST (resistance: 2.1 Ω) to connector C.

      CAUTION:

      Never connect the tester to the curtain shield airbag assembly RH (curtain shield squib RH) for measurement, as this may lead to a serious injury due to airbag deployment.

      Note:
      • Do not forcibly insert SST into the terminals of the connector when connecting SST.

      • Insert SST straight into the terminals of the connector.

    5. Connect the cable to the negative (-) auxiliary battery terminal, and wait for at least 2 seconds.

    6. Turn the power switch to on (IG), and wait for at least 60 seconds.

    7. Clear the DTCs.

      Click here

      Body Electrical > SRS Airbag > Clear DTCs

    8. Turn the power switch off.

    9. Turn the power switch to on (IG), and wait for at least 60 seconds.

    10. Check for DTCs.

      Click here

      Body Electrical > SRS Airbag > Trouble Codes

      Tip:

      Codes other than DTC B1830/57, B1831/57, B1832/57 and B1833/57 may be output at this time, but they are not related to this check.

    11. Turn the power switch off.

    12. Disconnect the cable from the negative (-) auxiliary battery terminal, and wait for at least 90 seconds.

    13. Disconnect SST from connector C.

    09843-18061

    Result

    Proceed to

    DTC B1830/57, B1831/57, B1832/57 or B1833/57 is not output

    DTC B1830/57, B1831/57, B1832/57 or B1833/57 is output

    DTC B1830/57, B1831/57, B1832/57 or B1833/57 is not output

    REPLACE CURTAIN SHIELD AIRBAG ASSEMBLY RH

    DTC B1830/57, B1831/57, B1832/57 or B1833/57 is output
  2. CHECK CONNECTOR

    1. Disconnect the connectors from the airbag sensor assembly.

    2. C208251C04

      *1

      Curtain Shield Squib RH

      *2

      Floor Wire

      *3

      Airbag Sensor Assembly

      Check that the connectors (on the airbag sensor assembly side and curtain shield airbag assembly RH side) are not damaged.

      OK

      The lock button is not disengaged, and the claw of the lock is not deformed or damaged.

    Result

    Proceed to

    OK

    NG

    NG

    REPLACE FLOOR WIRE

    OK
  3. CHECK CURTAIN SHIELD SQUIB RH CIRCUIT

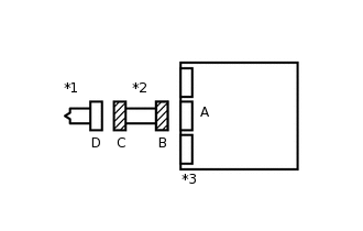
    1. C217724C02

      *1

      Curtain Shield Squib RH

      *2

      Floor Wire

      *3

      Airbag Sensor Assembly

      *4

      Connector C

      *a

      Front view of wire harness connector

      (to Curtain Shield Squib RH)

      Connect the cable to the negative (-) auxiliary battery terminal, and wait for at least 2 seconds.

    2. Turn the power switch to on (IG).

    3. Measure the voltage according to the value(s) in the table below.

      Standard Voltage

      Tester Connection

      Switch Condition

      Specified Condition

      M9-1 (ICR+) - Body ground

      Power switch on (IG)

      Below 1 V

      M9-2 (ICR-) - Body ground

      Power switch on (IG)

      Below 1 V

    4. Turn the power switch off.

    5. Disconnect the cable from the negative (-) auxiliary battery terminal, and wait for at least 90 seconds.

    6. Measure the resistance according to the value(s) in the table below.

      Standard Resistance

      Tester Connection

      Condition

      Specified Condition

      M9-1 (ICR+) - M9-2 (ICR-)

      Always

      Below 1 Ω

    7. Release the activation prevention mechanism built into connector B.

      Click here

    8. Measure the resistance according to the value(s) in the table below.

      Standard Resistance

      Tester Connection

      Condition

      Specified Condition

      M9-1 (ICR+) - M9-2 (ICR-)

      Always

      1 MΩ or higher

    9. Restore the released activation prevention mechanism of connector B to its original condition.

    10. Measure the resistance according to the value(s) in the table below.

      Standard Resistance

      Tester Connection

      Condition

      Specified Condition

      M9-1 (ICR+) - Body ground

      Always

      1 MΩ or higher

      M9-2 (ICR-) - Body ground

      Always

      1 MΩ or higher

    Result

    Proceed to

    OK

    NG

    NG

    REPLACE FLOOR WIRE

    OK
  4. CHECK AIR BAG SENSOR ASSEMBLY

    1. C207519C01

      *1

      Curtain Shield Squib RH

      *2

      Airbag Sensor Assembly

      Connect the connectors to the curtain shield airbag assembly RH and airbag sensor assembly.

    2. Connect the cable to the negative (-) auxiliary battery terminal, and wait for at least 2 seconds.

    3. Turn the power switch to on (IG), and wait for at least 60 seconds.

    4. Clear the DTCs.

      Click here

      Body Electrical > SRS Airbag > Clear DTCs

    5. Turn the power switch off.

    6. Turn the power switch to on (IG), and wait for at least 60 seconds.

    7. Check for DTCs.

      Click here

      Body Electrical > SRS Airbag > Trouble Codes

      Tip:

      Codes other than DTC B1830/57, B1831/57, B1832/57 and B1833/57 may be output at this time, but they are not related to this check.

    Result

    Proceed to

    DTC B1830/57, B1831/57, B1832/57 or B1833/57 is not output

    DTC B1830/57, B1831/57, B1832/57 or B1833/57 is output

    DTC B1830/57, B1831/57, B1832/57 or B1833/57 is not output

    USE SIMULATION METHOD TO CHECK

    DTC B1830/57, B1831/57, B1832/57 or B1833/57 is output

    REPLACE AIR BAG SENSOR ASSEMBLY