ТОПЛИВНАЯ СИСТЕМА ДЕТАЛЬНОЕ ОПИСАНИЕ


  1. СИСТЕМА УПРАВЛЕНИЯ


    1. Топливная система Common Rail


      1. В этой системе топливо, подаваемое под высоким давлением нагнетающим насосом, накапливается в общем нагнетательном трубопроводе, а ECM посредством электронного блока привода форсунок передает сигналы для форсунок, регулируя моменты и объем впрыска.

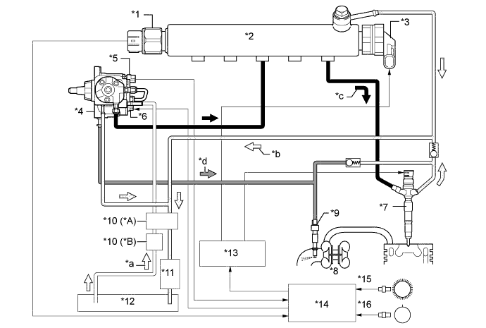
        A01EZONE01
        Обозначения на рисунке (для моделей, удовлетворяющих нормам токсичности отработавших газов EURO 5):
        *A для моделей для Европы *B Кроме моделей для Европы
        *1 Датчик давления топлива *2 Топливная система Common Rail в сборе
        *3 Клапан сброса давления *4 Нагнетающий насос в сборе
        *5 Датчик температуры топлива *6 Клапан регулирования всасывания (SCV)
        *7 Форсунка в сборе *8 Турбонагнетатель в сборе
        *9 Дополнительная форсунка подачи топлива в выпускную трубу в сборе *10 Топливный фильтр в сборе
        *11 Охладитель топлива *12 Топливный бак
        *13 Электронный блок привода форсунок *14 ECM
        *15 Датчик положения коленчатого вала (сигнал NE) *16 Датчик положения распредвала (сигнал G)
        *a Топливо (всасываемое) *b Топливо (возвратное)
        *c Топливо (под высоким давлением) *d Топливо (к дополнительной форсунке подачи топлива в выпускную трубу в сборе)
        A01EZ89E03
        Обозначения на рисунке (кроме моделей, удовлетворяющих нормам токсичности отработавших газов EURO 5):
        *A для моделей для Европы *B Кроме моделей для Европы
        *C для моделей, удовлетворяющих нормам токсичности отработавших газов EURO 4 и моделей с лопастным турбонагнетателем с регулируемыми соплами, удовлетворяющих нормам токсичности отработавших газов EURO 2 - -
        *1 Датчик давления топлива *2 Топливная система Common Rail в сборе
        *3 Клапан сброса давления *4 Нагнетающий насос в сборе
        *5 Датчик температуры топлива *6 Клапан регулирования всасывания (SCV)
        *7 Форсунка в сборе *8 Топливный фильтр в сборе
        *9 Охладитель топлива *10 Топливный бак
        *11 Электронный блок привода форсунок *12 ECM
        *13 Датчик положения коленчатого вала (сигнал NE) *14 Датчик положения распредвала (сигнал G)
        *a Топливо (всасываемое) *b Топливо (возвратное)
        *c Топливо (под высоким давлением) - -
  2. КОНСТРУКЦИЯ


    1. Нагнетающий насос в сборе


      1. Нагнетающий насос типа HP3

        A01EZ5CE01
        Текст на рисунке
        *A Для моделей, удовлетворяющих нормам токсичности отработавших газов EURO 5 *B Кроме моделей, удовлетворяющих нормам токсичности отработавших газов EURO 5
        Технические характеристики нагнетающего насоса
        Тип HP3
        Длина C 190,2 мм (7,49 дюйма)
        D 129,0 мм (85,08 дюйма)
        SCV 1
        Плунжер φ 8,5 мм x 2
        Масса 3800 г (8,38 фунта)

        Tech Tips


        • ECM оценивает и запоминает изменения нагнетаемого объема насоса, связанные с особенностями конкретного насоса. Поэтому после замены нагнетающего насоса обязательно выполните рассмотренную ниже операцию. Более подробную информацию см. в руководстве по ремонту для данной модели.

        • Подсоедините портативный диагностический прибор II к разъему DLC3 и сбросьте с помощью прибора значение параметра настройки. Также для сброса значения параметра настройки можно подсоединить SST (09843-18040) между контактами TC и CG разъема DLC3 и оставить зажигание включенным приблизительно на 3 мин.

        • После сброса запустите двигатель, дайте ему поработать на холостом ходу* в течение приблизительно 1 мин, а затем выключите зажигание, чтобы двигатель смог сохранить значение параметра настройки.


        • *: Температура охлаждающей жидкости должна быть не ниже 60°C (140°F), а температура топлива – не ниже 20°C (68°F).

      2. Нагнетающий насос состоит из эксцентрикового кулачкового вала, кулачковой шайбы, 2 плунжеров, 4 обратных клапанов, клапана регулирования всасывания (SCV), датчика температуры топлива и подающего насоса.

      3. 2 плунжера располагаются друг против друга снаружи кулачковой шайбы.

        A01EZM8E01
        Текст на рисунке
        *A Для моделей, удовлетворяющих нормам токсичности отработавших газов EURO 5 - -
        *1 Обратный клапан (для всасывания) *2 Плунжер
        *3 Эксцентриковый кулачковый вал *4 Кулачковая шайба
        *5 Обратный клапан (для нагнетания) *6 Подающий насос
        *7 Датчик температуры топлива *8 SCV
        *9 Эксцентриковый кулачок - -
        *a От топливного бака (для всасывания) *b К топливному баку (для возврата)
        *c К топливной системе Common Rail *d К дополнительной форсунке подачи топлива в выпускную трубу в сборе
    2. Топливная система Common Rail в сборе


      1. Топливная система Common Rail предназначена для накопления топлива, которое подает под давлением нагнетающий насос.

      2. Система Common Rail имеет датчик давления в топливной системе и клапан сброса давления.

      3. Датчик давления в топливной системе определяет давление топлива в системе Common Rail.

      4. Клапан сброса давления регулирует давление в топливной системе. Плунжер в клапане сброса давления открывается и закрывается в соответствии с сигналами включения от электронного блока привода форсунок. При этом он регулирует давление путем сброса избыточного давления в топливной системе Common Rail. Кроме того, он обеспечивает снижение давления в аварийной ситуации.

      5. Внутри общего нагнетательного трубопровода системы Common Rail имеется один главный канал и 5 боковых каналов, пересекающих главный. Каждый боковой канал действует как диафрагма, ослабляющая колебания давления топлива.

        A01EZP2E01
        Текст на рисунке
        *A Для моделей, удовлетворяющих нормам токсичности отработавших газов EURO 5 *B Кроме моделей, удовлетворяющих нормам токсичности отработавших газов EURO 5
        *1 Топливная система Common Rail в сборе *2 Датчик давления топлива
        *3 Клапан сброса давления *4 Боковой канал
        *5 Главный канал - -
        A01EZFI от нагнетающего насоса A01EZJZ К форсунке в сборе
        A01EZPY к топливному баку (избыточное давление) - -

        Tech Tips


        • Уплотнение датчика давления топлива подвергается пластической деформации с тем, чтобы обеспечивалась необходимая герметизация. Поэтому датчик не следует использовать повторно после разборки.

        • Если требуется заменить какие-либо детали, влияющие на центровку системы, всегда меняйте их вместе с трубкой. Детали, при замене которых следует менять трубку, перечислены ниже.


          • Топливная трубка высокого давления: форсунка, топливная система Common Rail и головка блока цилиндров

          • Трубка подвода топлива: нагнетающий насос, топливная система Common Rail, блок цилиндров, головка блока цилиндров, прокладка головки блока цилиндров и картер газораспределительного механизма

        • Более подробную информацию см. в руководстве по ремонту для данной модели.

    3. Форсунка в сборе


      1. На всех моделях, кроме моделей, удовлетворяющих нормам токсичности отработавших газов EURO 5, каждая форсунка в сборе состоит из иглы распылителя, поршня и электромагнитного клапана

      2. На моделях, удовлетворяющих нормам токсичности отработавших газов EURO 5, каждая форсунка в сборе состоит из иглы распылителя, 2 поршней, трехходового клапана и пьезоактюатора.

      3. На форсунке отпечатаны компенсационный и быстросчитываемый (QR) коды, посредством которых шифруются характеристики форсунки.

      4. Компенсационный код и код QR заключают в себе различные сведения о форсунке – такие, как код модели и поправка для объема впрыска топлива.

        A01EZOPE01
        Текст на рисунке
        *A Для моделей, удовлетворяющих нормам токсичности отработавших газов EURO 5 *B Кроме моделей, удовлетворяющих нормам токсичности отработавших газов EURO 5
        *1 Форсунка в сборе *2 Пьезоактюатор
        *3 Поршень № 1 *4 Поршень № 2
        *5 Трехходовой клапан *6 Игла распылителя
        *7 Код QR *8 Компенсационный код форсунки
        *9 Электромагнитный клапан *10 Поршень

        Tech Tips


        • Если ECM был заменен, введите в него компенсационные коды для всех 4 форсунок с помощью портативного диагностического прибора II. В случае замены какой-либо из форсунок введите компенсационный код замененной форсунки. После этого система произведет необходимую коррекцию с тем, чтобы точность формирования объема впрыска осталась такой же, как до замены. Более подробную информацию см. в руководстве по ремонту для данной модели.

        • Код QR требует применения специальной системы бортовой диагностики и не используется дилерами TOYOTA.

        • Что означает код QR (быстросчитываемый код)?


          • Код QR представляет собой матричный шифр, состоящий из множества номинально квадратных ячеек, который позволяет быстро считывать большие массивы данных с любого направления.

          • Коды QR позволяют шифровать множество видов данных: числовые, буквенно-цифровые, японское иероглифическое письмо (кандзи), японскую слоговую азбуку (кана) и двоичные коды. В общей сложности может быть зашифровано 7089 знаков (цифр).

          • Код QR (двумерный код) шифрует информацию в вертикальном и горизонтальном направлениях, тогда как штриховой код – только в одном направлении. Таким образом, код QR (двумерный) заключает в себе значительно больший объем данных по сравнению со штриховым кодом.

    4. Топливный фильтр в сборе


      1. Топливный фильтр содержит отдельный фильтрующий элемент и корпус фильтра.

      2. При этом используемый бумажный фильтрующий элемент обеспечивает высокоэффективную фильтрацию и способен задерживать мельчайшие частицы.

      3. Топливный фильтр в сборе снабжен датчиком состояния топливного фильтра.

      4. На моделях для Европы в целях улучшения нагрева топлива используется рециркуляционный подогреватель топлива.

        A01EZO5E01
        Текст на рисунке
        *A для моделей для Европы - -
        *1 Подкачивающий насос *2 Датчик состояния топливного фильтра (вакуумный переключатель)
        *3 Фильтрующий элемент *4 Корпус фильтра
        *5 Подогреватель топлива *6 Датчик присутствия воды в отстойнике топливного фильтра
    5. Охладитель топлива (для моделей, удовлетворяющих нормам токсичности отработавших газов EURO 5 и EURO 4, и моделей с лопастным турбонагнетателем с регулируемыми соплами, удовлетворяющих нормам токсичности отработавших газов EURO 2)


      1. Используется охладитель топлива с воздушным охлаждением.

      2. Охладитель топлива, установленный в контуре обратного слива топлива, охлаждает топливо, разогретое до высокой температуры после подачи нагнетающим насосом. В результате предотвращается снижение вязкости топлива, вызываемое увеличением его температуры, и повышается надежность всей топливной системы.

        A01EZJOE01
        Обозначения на рисунке
        *1 Охладитель топлива *2 Топливо
        *a Сечение A - A - -
        A01EZJZ К топливному баку A01EZFI От двигателя
  3. ПРИНЦИП РАБОТЫ


    1. Нагнетающий насос в сборе


      1. Под действием вращающегося эксцентрикового кулачка кулачковая шайба выталкивает плунжер "A" вверх, как показано на рисунке. Упругая сила пружины оттягивает вверх плунжер "B" (расположенный напротив плунжера "A"). В результате плунжер "B" втягивает топливо, а плунжер "A" в это же время нагнетает топливо.

        A01EZATE01
        Обозначения на рисунке
        *1 Обратный клапан (для всасывания) *2 Обратный клапан (для нагнетания)
        *3 Эксцентриковый кулачок *4 Плунжер "A"
        *5 Кулачковая шайба *6 Плунжер "B"
        *7 Клапан регулирования всасывания (SCV) *8 ECM
      2. ECM управляет SCV, регулируя объем топлива, которое подается нагнетающим насосом в топливную систему Common Rail. В результате в топливной системе Common Rail поддерживается требуемое давление впрыска.

      3. Когда открывание клапана SCV незначительно, площадь, на которой происходит всасывание топлива, также мала, и объем перекачиваемого топлива снижается.

      4. Когда плунжер перемещается на длину полного хода, объем всасывания оказывается небольшим из-за малой площади всасывания.

      5. Нагнетание топлива начинается, когда его давление превышает давление в топливной системе Common Rail.

        A01EZEME01
      6. Когда открывание клапана SCV значительно, площадь, на которой происходит всасывание топлива, велика, и объем перекачиваемого топлива увеличивается.

      7. Если плунжер перемещается на длину полного хода, объем всасываемого топлива увеличивается из-за большой площади всасывания.

      8. Нагнетание начинается в тот момент, когда давление топлива становится выше давления в топливной системе Common Rail.

        A01EZCWE01
    2. Форсунка в сборе (для моделей, удовлетворяющих нормам токсичности отработавших газов EURO 5)


      1. Когда в пьезоактюатор подается ток, поршень № 1, поршень № 2 и трехходовой клапан отжимаются вниз.

      2. Отверстие в верхней части трехходового клапана открывается, и топливо вытекает из камеры управления.

      3. Давление топлива в камере управления падает.

      4. В результате игла распылителя поднимается под действием давления топлива, вызывая впрыск топлива.

      5. Когда пьезоактюатор обесточивается, поршни № 1 и № 2 и трехходовой клапан отжимаются вверх под действием пружины.

      6. Отверстие в верхней части трехходового клапана закрывается, останавливая поток топлива.

      7. Давление топлива в камере управления возрастает.

      8. В результате игла распылителя опускается, прекращая впрыск топлива.

        A01EZP3E01
        Обозначения на рисунке
        *1 Форсунка в сборе *2 Пьезоактюатор
        *3 Поршень № 1 *4 Поршень № 2
        *5 Отверстие *6 Трехходовой клапан
        *7 Камера управления *8 Игла распылителя
        *a Возвратное топливо *b Топливо из топливной системы Common Rail
    3. Форсунка в сборе (кроме моделей, удовлетворяющих нормам токсичности отработавших газов EURO 5)


      1. Когда в обмотку электромагнитного клапана подается электрический ток, электромагнитный клапан подтягивается вверх.

      2. Отверстие в камере управления открывается, позволяя топливу вытекать.

      3. Давление топлива в камере управления падает.

      4. Одновременно топливо поступает из отверстия к дну поршня и выталкивает поршень вверх (улучшая реакцию).

      5. В результате поршень поднимает иглу распылителя для впрыска топлива.

        A01EZPHE01
        Обозначения на рисунке
        *1 Форсунка в сборе *2 Катушка электромагнита
        *3 Электромагнитный клапан *4 Поршень
        *5 Игла распылителя - -
        *a Топливо из топливной системы Common Rail *b Возвратное топливо
    4. Топливный фильтр в сборе


      1. Датчик состояния топливного фильтра


        • Когда вода в отстойнике топливного фильтра достигает определенного уровня, датчик присутствия воды в отстойнике переходит во включенное состояние, загорается контрольная лампа на щитке приборов, и включается многофункциональный зуммер.


        • Топливный фильтр снабжается датчиком состояния топливного фильтра, который срабатывает, когда возрастает степень вакуума внутри фильтра. Этот датчик посредством жгута проводов соединяется с ЭБУ щитка приборов и выключается, когда степень вакуума внутри топливного фильтра достигает заданного уровня.

          A01EZK4E01

        • Когда ЭБУ щитка приборов (по сигналу выключения датчика состояния топливного фильтра) обнаруживает, что степень вакуума внутри топливного фильтра возросла, он заключает, что топливный фильтр засорен. После этого он включает контрольную лампу топливной системы на щитке приборов, чтобы предупредить водителя о необходимости замены топливного фильтра.

          A01EZK1E02
      2. Подогреватель топлива (для моделей для Европы)


        • Этот подогреватель подогревает топливо, обеспечивая рециркуляцию возвратного топлива, температура которого повышается в результате подачи топлива нагнетающим насосом, через топливный фильтр.

          A01EZAGE01

        • Пока двигатель прогревается, перепускной клапан внутри подогревателя топлива вследствие биметаллического эффекта остается открытым, и возвратное топливо поступает в топливный фильтр и топливный бак.


        • После прогрева двигателя перепускной клапан закрывается (опять же вследствие биметаллического эффекта), и все возвратное топливо начинает возвращаться в топливный бак.

          A01EZHLE01
          Обозначения на рисунке
          *1 Подогреватель топлива *2 Перепускной клапан (биметаллический)
          *a

          Непрогретый двигатель

          (Перепускной клапан: открыт)

          *b

          Прогретый двигатель

          (Перепускной клапан: закрыт)

          *c К топливному фильтру *d К топливному баку
          *e От нагнетательного насоса в сборе - -