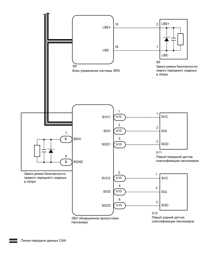
СИСТЕМА ПРЕДУПРЕЖДЕНИЯ О НЕПРИСТЕГНУТОМ РЕМНЕ БЕЗОПАСНОСТИ (для моделей с системой классификации пассажиров) СХЕМА СИСТЕМЫ

B431353E03
B431349E02
Table 1. Таблица обмена данными

уровня

Приемник

Сигнал

Метод передачи данных

Блок управления системы SRS

Щиток приборов в сборе

  • Выключатель пряжки замка ремня безопасности левого переднего сиденья в сборе

  • Выключатель пряжки замка ремня безопасности правого переднего сиденья в сборе

  • Сигнал датчика присутствия пассажира

CAN

ЭБУ системы противоскольжения

Щиток приборов в сборе

Скорость движения автомобиля

ЭБУ гибридной системы в сборе

Щиток приборов в сборе

Положение рычага переключения передач

ЭБУ обнаружения присутствия пассажира

Блок управления системы SRS

  • Выключатель пряжки замка ремня безопасности правого переднего сиденья в сборе

  • Сигнал датчика присутствия пассажира