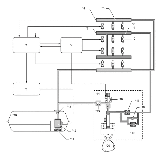
| *1 | ECM Assembly | *2 | Injector Driver |
| *3 | Fuel Pump Control ECU Assembly | *4 | Fuel Pressure Sensor (for Low Pressure) |
| *5 | Fuel Delivery Pipe Sub-assembly (for Port Injection) | *6 | Fuel Injector Assembly (for Port Injection) |
| *7 | Fuel Pressure Sensor (for High Pressure) | *8 | Fuel Delivery Pipe Sub-assembly (for Direct Injection) |
| *9 | Fuel Injector Assembly (for Direct Injection) | *10 | Fuel Tank Assembly |
| *11 | Fuel Pump Filter | *12 | Fuel Pump (for Low Pressure) |
| *13 | Fuel Main Valve Assembly | *14 | Fuel Pump Assembly (for High Pressure) |
| *15 | Fuel Pressure Pulsation Damper | *16 | Spill Control Valve |
| *17 | Check Valve | *18 | Orifice |
| *19 | Relief Valve | *20 | Camshaft (Cam to Drive Fuel Pump Assembly (High Pressure)) |