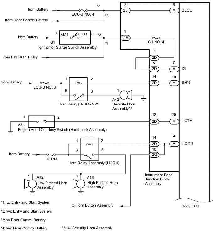
THEFT DETERRENT SYSTEM SYSTEM DIAGRAM

B0027W1E01
B0024EZE02
B0027NIE01
B00273BE03
B0028AKE10
B002797E05
B0028OEE04
B00252AE04