СИСТЕМА SFI, диагностический DTC:P107A11

Код DTC Наименование DTC
P107A11 Датчик давления в распределителе топлива (в контуре низкого давления), цепь — короткое замыкание на массу

ОПИСАНИЕ

A107720E57

Датчик давления в топливной системе в контуре низкого давления преобразует давление в топливной системе в электрический сигнал, который направляет в ECM. ECM поддерживает оптимальное давление в топливной системе для снижения энергопотребления топливного насоса и повышения экономии топлива.

№ DTC

Неисправность

Условие обнаружения DTC

Неисправный участок

MIL

Память

Примечание

P107A11

Датчик давления в распределителе топлива (в контуре низкого давления), цепь — короткое замыкание на массу

Выходное напряжение датчика давления в топливной системе в контуре низкого давления составляет менее 0,43 В в течение не менее 3 с (логика диагностирования за 1 поездку).

  • Обрыв или короткое замыкание в цепи датчика давления в топливной системе в контуре низкого давления

  • Правая топливная рампа (датчик давления в топливной системе в контуре низкого давления)

  • ECM

Загорается

Код DTC сохраняется

Код SAE: P107C

Tip:

Если этот код DTC выводится, проверьте давление в топливной системе (в части системы с низким давлением) в списке Data List. Войдите в следующие меню: Powertrain / Engine / Data List / Fuel Pressure (Low).

№ DTC

Fuel Pressure (Low)

Неисправность

P107A11

Примерно 0 кПа изб.

  • Короткое замыкание на массу в цепи PFL

  • Короткое замыкание цепи PFL на цепь EPFL

  • Обрыв в цепи VCPF

Если в режиме Data List отображаются нормальные значения, это может указывать на временное восстановление после неисправного состояния. Проверьте, нет ли эпизодических неисправностей.

ОПИСАНИЕ РАБОТЫ СИСТЕМЫ КОНТРОЛЯ

Этот DTC регистрируется, если значение выходного напряжения датчика давления в топливной системе в контуре низкого давления выходит за пределы диапазона допустимых значений вследствие обрыва или короткого замыкания в цепи датчика.

ПРИНЦИП РАБОТЫ СИСТЕМЫ КОНТРОЛЯ

Требуемые датчики/устройства

Датчик давления топлива (в контуре низкого давления)

Продолжительность работы

Постоянно

ПРОВЕРОЧНАЯ ПОЕЗДКА

  1. Подключите GTS к DLC3.

  2. Включите зажигание (IG).

  3. Включите GTS.

  4. Удалите коды DTC (даже если нет сохраненных DTC, выполните процедуру удаления DTC).

  5. Выключите зажигание и подождите не менее 30 с.

  6. Запустите двигатель.

  7. Прогрейте двигатель не менее 10 с на холостом ходу [A].

  8. Включите диагностический прибор TechDoc3.

  9. Войдите в следующие меню: Powertrain / Engine / Trouble Codes [B].

  10. Считайте ожидающие обработки коды DTC.

    Tip:
    • Если выводятся ожидающие обработки DTC, система неисправна.

    • Если ожидающие обработки DTC не выводятся, выполните следующую процедуру.

  11. Войдите в следующие меню: Powertrain / Engine / Utility / All Readiness.

  12. Введите DTC: P107A11.

  13. Проверьте результат проверки DTC.

    Дисплей GTS

    Описание

    NORMAL

    • Проверка DTC завершена

    • Cистема работает нормально

    ABNORMAL

    • Проверка DTC завершена

    • Нарушения в работе системы

    INCOMPLETE

    • Проверка DTC не завершена

    • Выполните поездку в проверочном режиме после создания условий регистрации DTC

    Tip:
    • Если результат проверки NORMAL, система исправна.

    • Если результат проверки ABNORMAL, система неисправна.

    • Если результат проверки INCOMPLETE, повторно выполните шаги с [A] по [B].

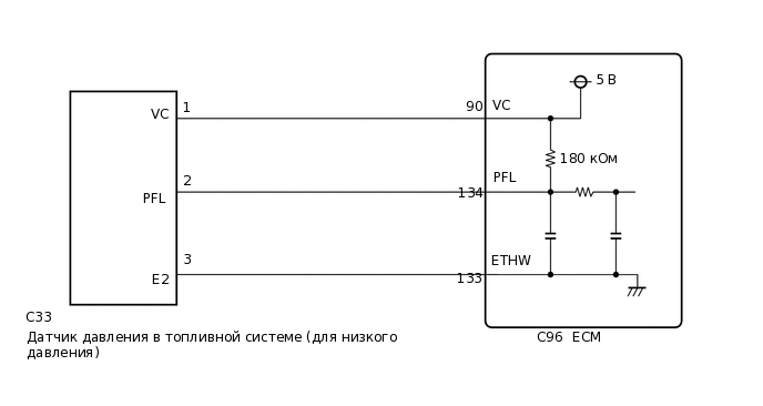
СХЕМА ЭЛЕКТРИЧЕСКИХ СОЕДИНЕНИЙ

A399958E04

ПРЕДОСТЕРЕЖЕНИЕ / ПРИМЕЧАНИЕ / УКАЗАНИЕ

Tip:

С помощью GTS считайте данные фиксированного набора параметров. Одновременно с записью в память кода DTC ECM сохраняет параметры состояния автомобиля и условий движения как данные фиксированного набора параметров. При поиске неисправностей фиксированные параметры позволяют определить, двигался ли автомобиль в момент возникновения неисправности или нет, был ли прогрет двигатель, каким было соотношение воздух-топливо (обедненным или обогащенным) и пр.

ПОРЯДОК ВЫПОЛНЕНИЯ

  1. ПРОВЕРЬТЕ ЖГУТ ПРОВОДОВ И РАЗЪЕМ

    A327836C53

    *a

    Вид спереди разъема со стороны жгута проводов:

    (к датчику давления в топливной системе (в части системы с низким давлением))

    Tip:

    Убедитесь, что разъем правильно подключен. В противном случае надежно подключите его и повторите проверку на наличие DTC.

    1. Отсоедините разъем датчика давления в топливной системе (в контуре низкого давления).

    2. Включите зажигание (IG).

    3. Измерьте напряжение в соответствии со значениями, приведенными в таблице.

      Номинальное напряжение

      Подключение диагностического прибора

      Условие

      Заданные условия

      C33-1 (VC) - C33-3 (E2)

      Зажигание включено (IG)

      4,75 - 5,25 В

      C33-2 (PFL) - C33-3 (E2)

      Зажигание включено (IG)

      от 4,4 до 5,6 В

    4. Выключите зажигание и подождите не менее 30 с.

    5. Измерьте сопротивление в соответствии со значениями, приведенными в таблице ниже.

      Номинальное сопротивление

      Подключение диагностического прибора

      Условие

      Заданные условия

      C33-1 (VC) - C33-2 (PFL)

      Зажигание выключено

      171 - 189 кОм

    Tip:

    Выполните "Проверку после ремонта" после замены датчика давления в топливной системе в контуре низкого давления.

    Нажмите здесьЩелкните по следующей ссылке

    Результат

    Перейти к

    OK

    НЕ СООТВ.

    СООТВ

    ЗАМЕНИТЕ ПРАВУЮ ТОПЛИВНУЮ РАМПУ (ДАТЧИК ДАВЛЕНИЯ В ТОПЛИВНОЙ СИСТЕМЕ В КОНТУРЕ НИЗКОГО ДАВЛЕНИЯ)

    НЕ СООТВ.
  2. ПРОВЕРЬТЕ ЖГУТ ПРОВОДОВ И РАЗЪЕМ (ДАТЧИК ДАВЛЕНИЯ В ТОПЛИВНОЙ СИСТЕМЕ (В ЧАСТИ СИСТЕМЫ С НИЗКИМ ДАВЛЕНИЕМ) - ЕСМ)

    1. Отсоедините разъем датчика давления в топливной системе (в контуре низкого давления).

    2. Отсоедините разъем ECM.

    3. Измерьте сопротивление в соответствии со значениями, приведенными в таблице ниже.

      Номинальное сопротивление

      Подключение диагностического прибора

      Условие

      Заданные условия

      C33-1 (VC) - C96-90 (VC)

      Всегда

      Менее 1 Ом

      C33-2 (PFL) или C96-134 (PFL) - масса и другие контакты

      Всегда

      10 кОм или более

    Результат

    Перейти к

    OK

    НЕ СООТВ.

    NG

    ОТРЕМОНТИРУЙТЕ ИЛИ ЗАМЕНИТЕ ЖГУТ ПРОВОДОВ ИЛИ РАЗЪЕМ