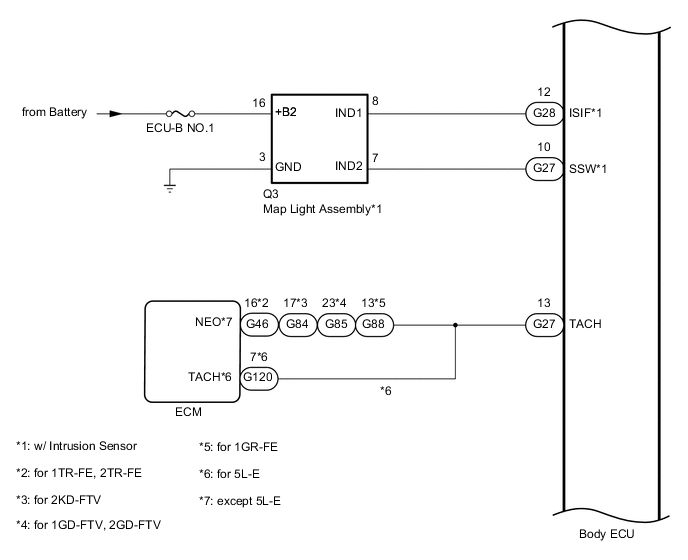
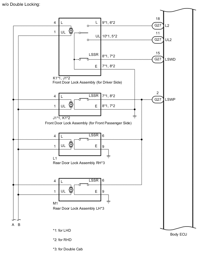
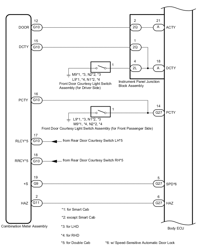
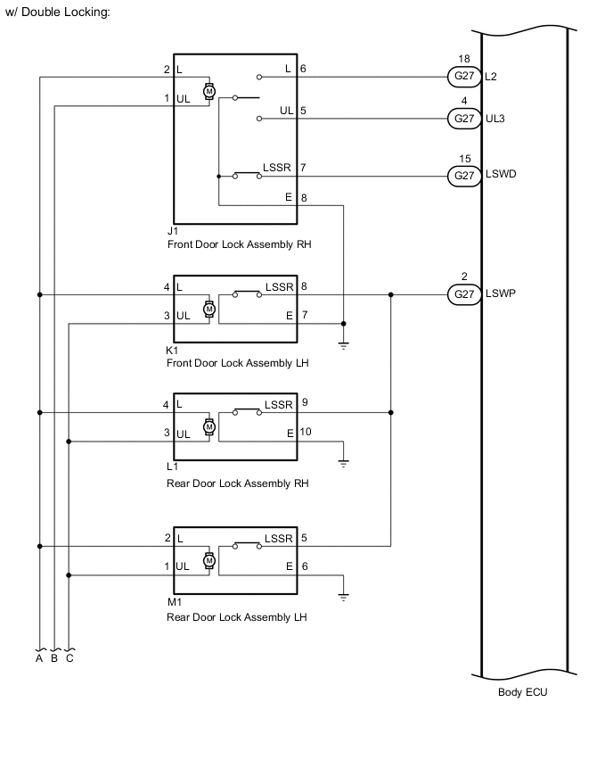
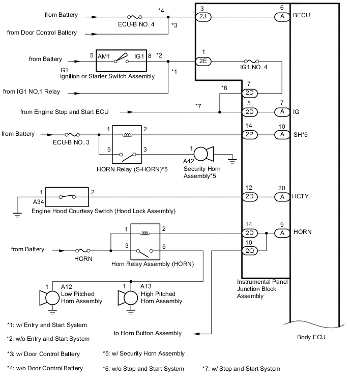
THEFT DETERRENT SYSTEM SYSTEM DIAGRAM

B0026YVE01
B0024EZE02
B0027NIE02
B00273BE08
B0028AKE10
B002797E05
B0028OEE04
B00252AE04