СИСТЕМА СТЕКЛООЧИСТИТЕЛЕЙ И СТЕКЛООМЫВАТЕЛЕЙ СХЕМА СИСТЕМЫ

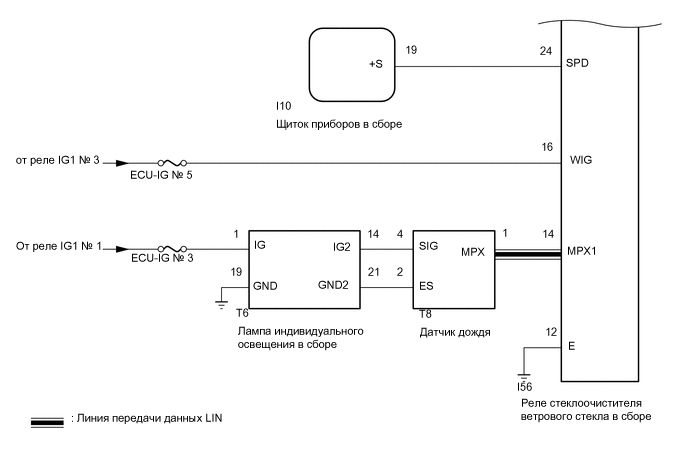
  1. СИСТЕМА ПЕРЕДНЕГО СТЕКЛООЧИСТИТЕЛЯ И СТЕКЛООМЫВАТЕЛЯ (для моделей с датчиком дождя)

    E299864E02
    E299868E01
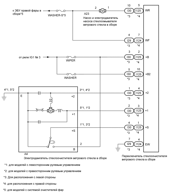
  2. СИСТЕМА ПЕРЕДНЕГО СТЕКЛООЧИСТИТЕЛЯ И СТЕКЛООМЫВАТЕЛЯ (для моделей без датчика дождя)

    E299865E02
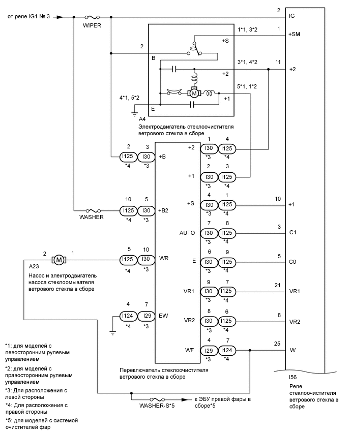
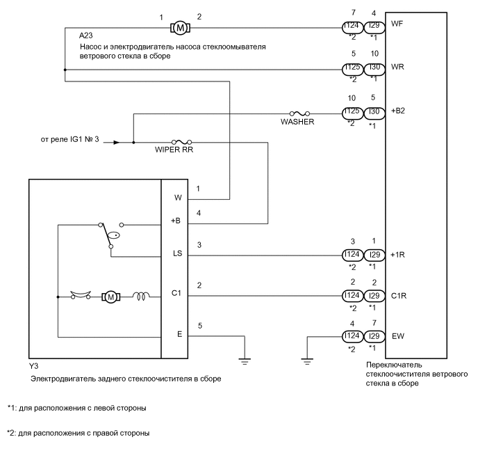
  3. СТЕКЛООЧИСТИТЕЛЬ И СТЕКЛООМЫВАТЕЛЬ ЗАДНЕГО СТЕКЛА

    E299867E01
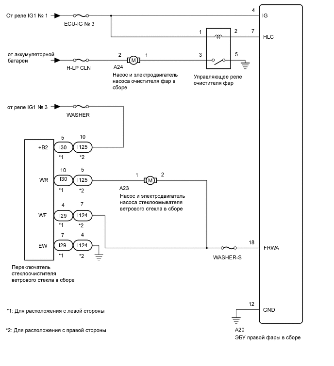
  4. СИСТЕМА ОЧИСТИТЕЛЕЙ ФАР (для моделей с системой очистителей фар)

    E310442E02
  5. СИСТЕМА ПРЕДУПРЕЖДЕНИЯ О НИЗКОМ УРОВНЕ ЖИДКОСТИ СТЕКЛООМЫВАТЕЛЯ (для моделей с системой предупреждения о низком уровне жидкости стеклоомывателя)

    E296776E03