ECD SYSTEM (w/o EGR Cooler), Diagnostic DTC:P0400

DTC Code DTC Name
P0400 Exhaust Gas Recirculation Flow

DESCRIPTION

The EGR system recirculates exhaust gases, and adjusts the volume of the exhaust gases to the proper level depending on driving conditions. The recirculated gas mixes with the intake air, allowing the EGR system to slow down engine combustion and lower the combustion temperature. This helps reduce NOx emissions.

In order to increase circulation efficiency, the ECM adjusts the lift amount of the EGR valve and throttle valve.

DTC No. DTC Detection Condition Trouble Area
P0400

When either condition below is met:


  • Mass air flow rate is not changed when turning on EGR valve assembly

    (1 trip detection logic)


  • EGR valve assembly stuck

  • EGR valve assembly does not move smoothly

  • E-VRV for EGR (EGR valve assembly)

  • E-VRV for EGR circuit

  • EGR blockage in line between exhaust manifold and intake manifold

  • Mass air flow meter

  • Intake system (leaks or blockages)

  • Exhaust system (Exhaust gas leaks)

  • ECM

Tech Tips

DTC detection is not performed for 4 seconds after the brake switch is turned ON and OFF.

MONITOR DESCRIPTION



A01DWULE05

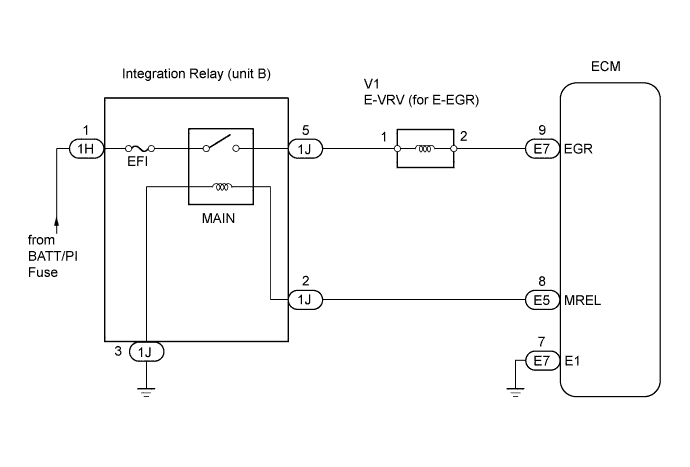
WIRING DIAGRAM

A01E0T8E04

INSPECTION PROCEDURE

Tech Tips

Read freeze frame data using the intelligent tester. Freeze frame data records the engine conditions when a malfunction is detected. When troubleshooting, freeze frame data can help determine if the vehicle was moving or stationary, if the engine was warmed up or not, and other data from the time the malfunction occurred.

Note

After replacing the ECM, the new ECM needs registration Click here and initialization Click here.

PROCEDURE


  1. CHECK OTHER DTC OUTPUT


    1. Connect the intelligent tester to the DLC3.

    2. Turn the ignition switch ON and turn the intelligent tester ON.

    3. Enter the following menus: Powertrain / Engine and ECT / DTC.

    4. Read DTCs.

      Result
      Display (DTC output) Proceed to
      P0400 A
      P0400 and other DTCs B

      Tech Tips

      If codes other than P0400 are output, perform troubleshooting for those DTCs first.


    B
    A
  2. PERFORM ACTIVE TEST USING INTELLIGENT TESTER (ACTIVATE THE EGR VALVE CLOSE)


    1. Connect the intelligent tester to the DLC3.

    2. Start the engine and warm it up (engine coolant temperature is 70°C (158°F) or higher) with the A/C switch and all accessory switches off.

    3. Turn the ignition switch off. Wait for 30 seconds, and then restart the engine.

    4. Turn the tester on.

    5. Select the following menus: Powertrain / Engine and ECT / Data List / MAF.

    6. Read the MAF value displayed on the tester while the engine is idling.

    7. Select the following menus: Powertrain / Engine and ECT / Active Test / Activate the EGR Valve Close.

    8. Read the MAF value when the EGR valve is closed using the Active Test function.

      Tech Tips


      • If idling continues for 15 minutes or more, the EGR valve target opening angle becomes 0% (EGR valve fully closed). As this makes diagnosis impossible, it becomes necessary to drive the vehicle or restart the engine.

      • Before performing the diagnosis, confirm that the EGR valve target opening angle is not 0%.

      Result
      Active Test Result Proceed to

      Activate the EGR Valve Close:

      Off (Open) to on (Closed)

      MAF value does not change A
      MAF value changes B

      Note

      As the measured values may differ from those shown below due to factors such as differences in measuring environments and changes in vehicle condition due to aging, do not use these values to determine whether the vehicle is malfunctioning or not.

      Tech Tips

      The problem may be a temporary one, due to the entry of deposits or foreign matter. Check that there are no deposits or foreign matter in the E-VRV or mass air flow meter.

      Reference
      EGR Valve Condition (Opening) Measuring Condition MAF (Reference)
      Open (55%)
      • Atmosphere pressure: 101 kPa

      • Intake air temperature: 30°C (86°F)

      • Engine coolant temperature: 88°C (190°F)

      3.0 to 9.0 gm/s
      Closed (0%) 13 to 20 gm/s

    B
    A
  3. INSPECT VACUUM PUMP ASSEMBLY


    1. Check the negative pressure of the vacuum pump.

      Standard
      More than 86.7 kPa (650 mmHg, 26 in.Hg)

    NG
    OK
  4. CHECK VACUUM HOSE


    1. Check the vacuum hoses.

      OK
      The hoses are not damaged and securely connected.

    NG
    OK
  5. INSPECT E-VRV FOR EGR


    1. Inspect the E-VRV Click here.


    NG
    OK
  6. CHECK WIRE HARNESS (E-VRV FOR EGR - ECM)

    A01E1M3E18

    1. Disconnect the V1 E-VRV connector.

    2. Disconnect the E7 ECM connector.

    3. Measure the resistance of the wire harness side connectors.

      Standard resistance
      Tester Connection Specified Condition
      E7-9 (EGR) - V1-2 Below 1 Ω
      E7-9 (EGR) or V1-2 - Body ground 10 kΩ or higher

    NG
    OK
  7. CHECK WIRE HARNESS (E-VRV FOR EGR - INTEGRATION RELAY (MAIN RELAY))

    A01E2ZPE10

    1. Remove the integration relay from the engine room junction block.

    2. Disconnect the 1J integration relay connector.

    3. Disconnect the V1 E-VRV connector.

    4. Measure the resistance of the wire harness side connectors.

      Standard resistance
      Tester Connection Specified Condition
      1J-5 - V1-1 Below 1 Ω
      1J-5 or V1-1 - Body ground 10 kΩ or higher

    NG
    OK
  8. INSPECT EGR VALVE ASSEMBLY


    1. Inspect the EGR valve assembly Click here.

      Tech Tips


      • If there are any deposits adhering to the valve, clean the valve.

      • When inspecting the EGR valve, make sure that the valve is fully closed.


    OK
    NG
  9. REPLACE EGR VALVE ASSEMBLY


    1. Replace the EGR valve assembly Click here.


    NEXT
  10. CHECK FOR BLOCKAGE IN EGR GAS PASSAGE (EXHAUST MANIFOLD - EGR VALVE ASSEMBLY)


    1. Check for blockage in the EGR gas passage between the exhaust manifold and EGR valve assembly.

      OK
      No blockage in the EGR gas passage
      Result
      Result Proceed to
      NG A
      OK B

    B
    A
  11. REPAIR OR REPLACE MALFUNCTIONING PARTS, COMPONENT AND AREA


    1. Repair or replace the malfunctioning parts, component and area.


    NEXT
  12. CHECK WHETHER DTC OUTPUT RECURS


    1. Connect the intelligent tester to the DLC3.

    2. Turn the ignition switch to ON and turn the tester on.

    3. Start the engine and warm it up until the engine coolant temperature reaches 80°C (176°F).

    4. Move the shift lever to 2nd gear and decelerate from a speed of 50 km/h (31 mph) or more (fully closing the accelerator for approximately 5 seconds or more).

    5. Select the following menu items: Powertrain / Engine and ECT / DTC.

    6. Read the DTC.

      Result
      Display (DTC Output) Proceed to
      P0400 A
      No output B

    B
    A
  13. REPLACE ECM


    1. Replace the ECM Click here.


    NEXT
  14. CONFIRM WHETHER MALFUNCTION HAS BEEN SUCCESSFULLY REPAIRED


    1. Connect the intelligent tester to the DLC3.

    2. Turn the ignition switch to ON and turn the tester on.

    3. Start the engine and warm it up until the engine coolant temperature reaches 80°C (176°F).

    4. Move the shift lever to 2nd gear and decelerate from a speed of 50 km/h (31 mph) or more (fully closing the accelerator for approximately 5 seconds or more).

    5. Select the following menu items: Powertrain / Engine and ECT / DTC.

    6. Confirm that the DTC is not output again.

      Tech Tips

      If the DTC is output again, the mass air flow meter may be malfunctioning.


    NEXT