SFI SYSTEM


  1. FUNCTION


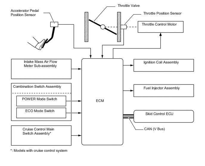
    1. The Electronic Throttle Control System-intelligent (ETCS-i) is used, providing excellent throttle control in all the operating ranges. An accelerator pedal position sensor has been provided on the accelerator pedal.

    2. The ETCS-i uses the ECM to calculate the optimal throttle valve opening that is appropriate for the respective driving conditions and uses a throttle control motor to control the opening.

    3. The ETCS-i controls the Idle Speed Control (ISC) system.

    4. In case of an abnormal condition, this system switches to limp mode.

      A01KXECE02
      Controls of ETCS-i
      Idle Speed Control (ISC) The ECM controls the throttle valve in order to constantly maintain an ideal idle speed.
      Driving Mode Control NORMAL Mode When the NORMAL mode is selected, in order to generate engine output according to driving conditions and the accelerator pedal opening angle, the ECM controls the throttle valve opening angle.
      POWER Mode When the POWER mode is selected, throttle valve opening angle control is performed in accordance with the pedal opening angle.
      ECO Mode When the ECO mode is selected, in order to improve actual fuel economy, the ECM controls the throttle valve opening angle to gradually increase output according to the accelerator pedal opening angle.
      Cruise Control* The ECM directly actuates the throttle valve for operation of the cruise control.
      Brake Control Coordination Control The ECM ensures vehicle stability by controlling the throttle valve opening angle according to request signals received from the skid control ECU in order to maximize the effectiveness of the brake control system through cooperation with the skid control ECU.

      • *: Models with cruise control system

    5. The ECM drives the throttle control motor by determining the target throttle valve opening in accordance with the respective operating conditions.

    6. The ECM controls the throttle to an optimal throttle valve opening that is appropriate for the driving conditions, such as the amount of accelerator pedal effort and the engine speed, in order to achieve excellent throttle control and comfort in all operating ranges.

      Figure 1. Control Examples during Acceleration and Deceleration

      A01KX4AE06