СИСТЕМА SFI, диагностический DTC:P061512

Код DTC Наименование DTC
P061512 Реле стартера, цепь — короткое замыкание на цепь аккумуляторной батареи

ОПИСАНИЕ РАБОТЫ СИСТЕМЫ КОНТРОЛЯ

При прокручивании коленчатого вала двигателя стартером на контакт STA блока ECM подается положительное напряжение аккумуляторной батареи. Если ECM обнаруживает сигнал управления стартером (STA) во время движения автомобиля, регистрируется неисправность в цепи управления стартера. ЕСМ включает контрольную лампу MIL и регистрирует код DTC.

Данная функция контроля включается при движении автомобиля со скоростью 20 км/час (12,43 мили в час) или выше в течение не менее 20 с.

№ DTC

Неисправность

Условие обнаружения DTC

Неисправный участок

MIL

Память

Примечание

P061512

Реле стартера, цепь — короткое замыкание на цепь аккумуляторной батареи

При выполнении всех перечисленных ниже условий в ECM в течение 20 с подается напряжение аккумуляторной батареи величиной не менее 10,5 В (логика диагностирования за 1 поездку):

  • (a) Скорость автомобиля не ниже 20 км/час (12,43 миль в час).

  • (b) Частота вращения коленчатого вала двигателя составляет 1000 об/мин и более.

  • (c) Сигнал STA во включенном состоянии.

  • Реле ST

  • Датчик положения паркинга/нейтрали в сборе

  • Цепь реле стартера (ST)

  • ECM

Загорается

Код DTC сохраняется

Код SAE: P0617

ПРИНЦИП РАБОТЫ СИСТЕМЫ КОНТРОЛЯ

Продолжительность работы

Постоянно

ПРОВЕРОЧНАЯ ПОЕЗДКА

A231469E84
  1. Подключите GTS к DLC3.

  2. Включите зажигание (IG).

  3. Включите GTS.

  4. Удалите коды DTC (даже если нет сохраненных DTC, выполните процедуру удаления DTC).

  5. Выключите зажигание и подождите не менее 30 с.

  6. Включите зажигание (IG) [A].

  7. Включите диагностический прибор TechDoc3.

  8. Запустите двигатель.

  9. Дайте двигателю поработать на холостом ходу не менее 5 секунд [B].

  10. Совершите поездку на автомобиле продолжительностью не менее 20 секунд со скоростью не менее 24 км/час (15 миль в час) [C].

    CAUTION:

    Во время поездки в проверочном режиме соблюдайте все ограничения скорости и правила дорожного движения.

  11. Войдите в следующие меню: Powertrain / Engine / Trouble Codes [D].

  12. Считайте ожидающие обработки коды DTC.

    Tip:
    • Если выводятся ожидающие обработки DTC, система неисправна.

    • Если ожидающие обработки DTC не выводятся, выполните следующую процедуру.

  13. Войдите в следующие меню: Powertrain / Engine / Utility / All Readiness.

  14. Введите DTC: P061512.

  15. Проверьте результат проверки DTC.

    Дисплей GTS

    Описание

    NORMAL

    • Проверка DTC завершена

    • Cистема работает нормально

    ABNORMAL

    • Проверка DTC завершена

    • Нарушения в работе системы

    INCOMPLETE

    • Проверка DTC не завершена

    • Выполните поездку в проверочном режиме после создания условий регистрации DTC

    Tip:
    • Если результат проверки NORMAL, система исправна.

    • Если результат проверки ABNORMAL, система неисправна.

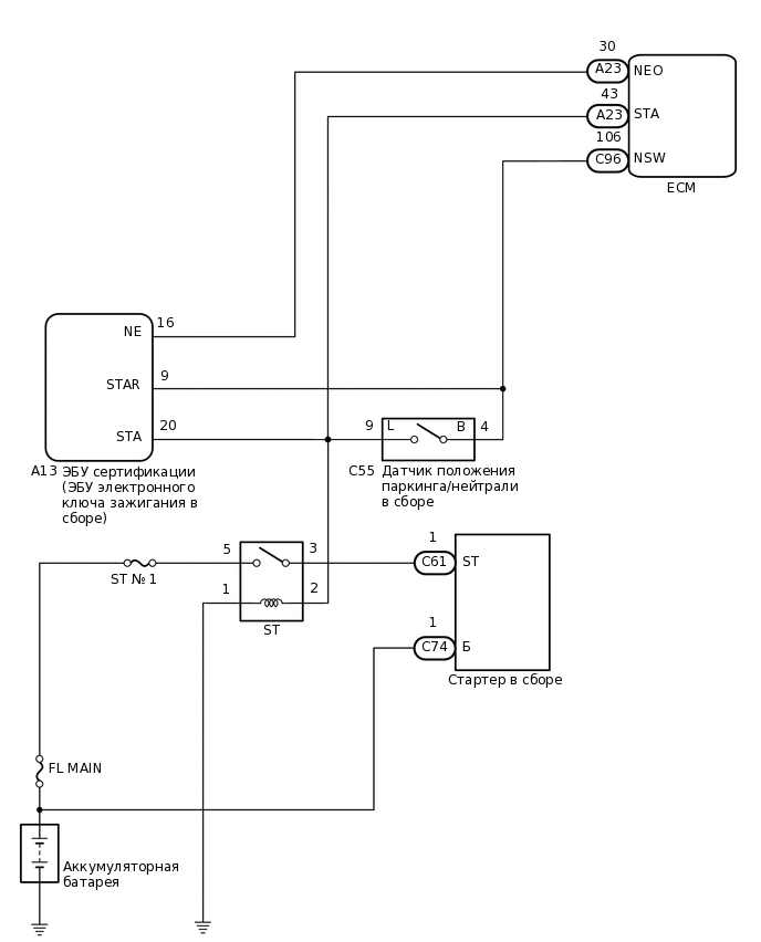
СХЕМА ЭЛЕКТРИЧЕСКИХ СОЕДИНЕНИЙ

A408705E03

ПРЕДОСТЕРЕЖЕНИЕ / ПРИМЕЧАНИЕ / УКАЗАНИЕ

Tip:

С помощью GTS считайте данные фиксированного набора параметров. В этих параметрах отражается состояние двигателя на момент обнаружения неисправности. При поиске неисправностей фиксированные параметры позволяют определить, двигался ли автомобиль в момент возникновения неисправности или нет, был ли прогрет двигатель, каким было соотношение воздух-топливо (обедненным или обогащенным) и пр.

ПОРЯДОК ВЫПОЛНЕНИЯ

  1. СНИМИТЕ ПОКАЗАНИЯ GTS (ПЕРЕКЛЮЧАТЕЛЬ СТАРТЕРА)

    1. Подключите GTS к DLC3.

    2. Включите зажигание (IG).

    3. Включите GTS.

    4. Войдите в следующие меню: Powertrain / Engine / Data List / Starter SW.

      Powertrain > Engine > Data List

      Информация на дисплее прибора

      Starter SW

    5. Снимите показания параметров в режиме Data List, отображаемые на дисплее GTS.

      Номинальное значение / Номинальный режим

      Режим

      Starter SW

      Выключатель зажигания в состоянии ON (ВКЛ) (IG)

      OFF (ВЫКЛ)

    6. Считайте значения параметров в режиме Data List, отображаемые на экране GTS, во время движения автомобиля с частотой вращения коленчатого вала двигателя не менее 1000 об/мин при скорости автомобиля не менее 20 км/час (12,43 мили в час).

      CAUTION:

      Во время поездки в проверочном режиме соблюдайте все ограничения скорости и правила дорожного движения.

      Стандартная

      Режим

      Starter SW

      Движется со скоростью не менее 20 км/час (12,43 мили в час) (частота вращения коленчатого вала двигателя не менее 1000 об/мин)

      OFF (ВЫКЛ)

    Tip:

    Если результат любой из проверок не отвечает требованиям, перейдите к следующему шагу, когда зажигание включено (IG), GTS подключен, и выбран параметр Data List "Starter SW".

    Результат

    Перейти к

    OK

    NG

    Tip:

    Если стартер работает непрерывно при включенном зажигании (IG), перейдите к следующему шагу, когда не выбран параметр Data List "Starter SW".

    OK

    ПРОВЕРЬТЕ, НЕТ ЛИ ЭПИЗОДИЧЕСКИХ НЕИСПРАВНОСТЕЙ

    Нажмите здесьClick here

    NG
  2. ПРОВЕРЬТЕ РЕЛЕ ST (НА КОРОТКОЕ ЗАМЫКАНИЕ)

    1. Войдите в следующие меню: Powertrain / Engine / Data List / Starter SW.

      Powertrain > Engine > Data List

      Информация на дисплее прибора

      Выключатель стартера

    2. Извлеките реле ST из блока реле моторного отсека и распределительного блока в сборе.

    3. Снимите показания параметров в режиме Data List, отображаемые на дисплее GTS.

      Result

      Result

      Перейти К

      Параметр "Starter SW" в списке Data List не выходит из состояния ON (ВКЛ).

      A

      Параметр "Starter SW" в списке Data List переходит из состояния ON (ВКЛ) в состояние OFF (ВЫКЛ).

      B

      Tip:
      • Если результатом описанной выше проверки является сообщение "The Data List item "Starter SW" does not change from ON", то реле ST исправно.

      • Во время данной проверки могут сохраняться коды DTC. Проверьте DTC и удалите их с помощью GTS.

    B

    ЗАМЕНИТЕ РЕЛЕ ST

    A
  3. ПРОВЕРЬТЕ НАПРЯЖЕНИЕ НА КОНТАКТЕ (ПИТАНИЕ РЕЛЕ ST)

    A402442C04

    *1

    Блок реле моторного отсека и распределительный блок

    *2

    Реле ST

    Tip:

    Целью данной операции является проверка напряжения на контакте реле ST в условиях, отклоняющихся от нормы.

    1. Извлеките реле ST из блока реле моторного отсека и распределительного блока в сборе.

    2. Включите зажигание (IG).

    3. Измерьте напряжение между контактом 2 разъема реле ST и массой.

      Tip:
      • Запишите величину измеренного напряжения, поскольку она будет необходима для проверки изменения напряжения на следующем шаге. Поскольку следующая операция должна производиться при тех же условиях, оставьте зажигание включенным (IG) и не устанавливайте реле ST.

      • Во время данной проверки могут сохраняться коды DTC. Проверьте DTC и удалите их с помощью GTS.

      • Если при включенном зажигании (IG) обнаружено какое-то напряжение, то, предположительно, возможны следующие неисправности:

        • Короткое замыкание на +B в цепи подключенного ЭБУ или переключателя.

        • Короткое замыкание на +B в жгуте проводов.

    Результат

    Перейти к

    СЛЕДУЮЩЕЕ -

    ДАЛЕЕ
  4. ПРОВЕРЬТЕ РАБОТУ ДАТЧИКА ПОЛОЖЕНИЯ ПАРКИНГА/НЕЙТРАЛИ В СБОРЕ (ПРОВЕРЬТЕ НА НАЛИЧИЕ КОРОТКОГО ЗАМЫКАНИЯ)

    A402442C04

    *1

    Блок реле моторного отсека и распределительный блок

    *2

    Реле ST

    1. Отсоедините разъем датчика положения паркинга/нейтрали в сборе.

    2. Измерьте напряжение между контактом 2 разъема реле ST и массой и сравните его с напряжением, измеренным на предыдущем шаге.

      Result

      Result

      Перейти К

      Напряжение между контактом 2 разъема реле ST и массой не меняется при отсоединении разъема.

      А

      Напряжение между контактом 2 разъема реле ST и массой меняется при отсоединении разъема.

      B

      Tip:
      • Если напряжение одинаково до и после отсоединения разъема, то датчик положения паркинга/нейтрали в сборе исправен.

      • Во время данной проверки могут сохраняться коды DTC. Проверьте DTC и удалите их с помощью GTS.

    B

    ЗАМЕНИТЕ ДАТЧИК ПОЛОЖЕНИЯ ПАРКИНГА/НЕЙТРАЛИ В СБОРЕ

    Нажмите здесьClick hereClick here

    A
  5. ПРОВЕРЬТЕ ECM (НА КОРОТКОЕ ЗАМЫКАНИЕ)

    A402442C04

    *1

    Блок реле моторного отсека и распределительный блок

    *2

    Реле ST

    1. Отсоедините разъем ECM.

    2. Измерьте напряжение между контактом 2 разъема реле ST и массой и сравните его с напряжением, измеренным на предыдущем шаге.

      Result

      Result

      Перейти К

      Напряжение между контактом 2 разъема реле ST и массой не меняется при отсоединении разъема.

      А

      Напряжение между контактом 2 разъема реле ST и массой меняется при отсоединении разъема.

      B

      Tip:
      • Если напряжение одинаково до и после отсоединения разъема, то ECM исправен.

      • Во время данной проверки могут сохраняться коды DTC. Проверьте DTC и удалите их с помощью GTS.

    B

    ЗАМЕНИТЕ ECM

    Нажмите здесьClick hereClick here

    A
  6. ПРОВЕРЬТЕ ЖГУТ ПРОВОДОВ И РАЗЪЕМ (ECM — ДАТЧИК ПОЛОЖЕНИЯ ПАРКИНГА/НЕЙТРАЛИ В СБОРЕ — ЭБУ ЭЛЕКТРОННОГО КЛЮЧА ЗАЖИГАНИЯ В СБОРЕ — РЕЛЕ ST)

    1. Отсоедините разъем ЭБУ.

    2. Отсоедините разъем датчика положения паркинга/нейтрали в сборе.

    3. Отсоедините разъем ЭБУ сертификации (ЭБУ электронного ключа зажигания в сборе).

    4. Извлеките реле ST из блока реле моторного отсека и распределительного блока в сборе.

    5. Измерьте сопротивление в соответствии со значениями, приведенными в таблице ниже.

      Номинальное сопротивление

      Подключение диагностического прибора

      Условие

      Заданные условия

      A23-43 (STA), C55-9 (L), A13-20 (STA) или 2 (реле ST) - другие контакты

      Всегда

      10 кОм или более

    Результат

    Перейти к

    OK

    НЕ СООТВ.

    OK

    ПРОВЕРЬТЕ ИНТЕЛЛЕКТУАЛЬНУЮ СИСТЕМУ ПОСАДКИ И ЗАПУСКА (ПРОВЕРЬТЕ НАПРЯЖЕНИЕ НА КОНТАКТЕ STA ЭБУ ЭЛЕКТРОННОГО КЛЮЧА ЗАЖИГАНИЯ)

    Нажмите здесьClick hereClick hereClick here

    NG

    ОТРЕМОНТИРУЙТЕ ИЛИ ЗАМЕНИТЕ ЖГУТ ПРОВОДОВ ИЛИ РАЗЪЕМ