СИСТЕМА БЛОКА ИНДИКАЦИИ НА ВЕТРОВОМ СТЕКЛЕ СХЕМА СИСТЕМЫ
Tip:
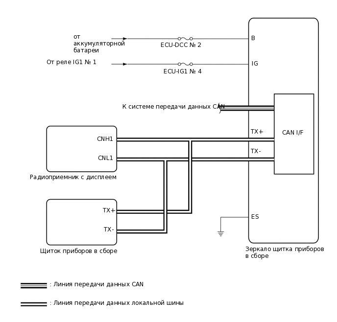
См. схему системы передачи данных CAN.
Нажмите здесьЩелкните по следующей ссылкеЩелкните по следующей ссылкеЩелкните по следующей ссылке
См. схему системы передачи данных CAN.
Нажмите здесьЩелкните по следующей ссылкеЩелкните по следующей ссылкеЩелкните по следующей ссылке