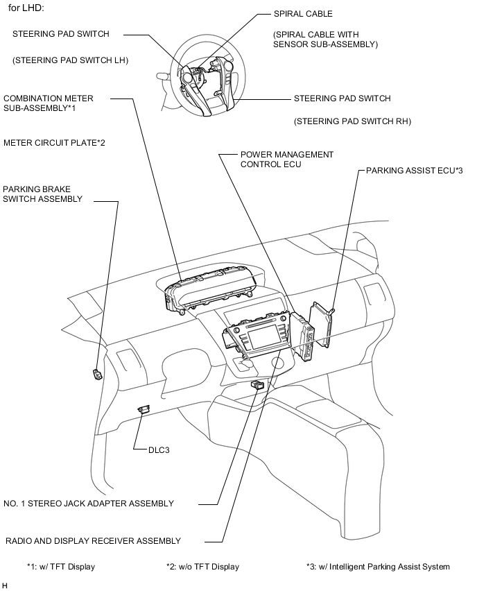
AUDIO AND VISUAL SYSTEM PARTS LOCATION

ILLUSTRATION

A005A2BE04

ILLUSTRATION

A005CUME02

ILLUSTRATION

A005CMGE05

ILLUSTRATION

A005CHCE04

ILLUSTRATION

A005DV6E05