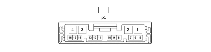
СИСТЕМА БЛОКА ИНДИКАЦИИ НА ВЕТРОВОМ СТЕКЛЕ КОНТАКТЫ ЭБУ

  1. ЗЕРКАЛО ЩИТКА ПРИБОРОВ В СБОРЕ

    E235641E10
    1. Измерьте напряжение и сопротивление и сравните с допустимыми значениями, указанными в следующей таблице.

      Номера контактов (обозначения)

      Цвет провода

      Вход/выход сигнала

      Условие

      Заданные условия

      p1-1 (IG) - масса

      L - масса

      Вход

      Замок зажигания: OFF (ВЫКЛ) → ON (ВКЛ)

      Менее 1 В → 11-14 В

      p1-2 (B) - масса

      P - масса

      Вход

      Всегда

      11–14 В

      p1-4 (ES) - масса

      W-B - масса

      -

      Всегда

      Менее 1 Ом

      p1-12 (MPX1)

      P

      Вход/выход

      -

      -

      p1-13 (MPX2)

      R

      Вход/выход

      -

      -

      p1-14 (TX+)

      L

      Вход/выход

      -

      -

      p1-15 (TX-)

      GR

      Вход/выход

      -

      -