STOP AND START SYSTEM, Diagnostic DTC:P0335

DTC Code DTC Name
P0335 Engine Speed Sensor Circuit (NE Circuit)

DESCRIPTION

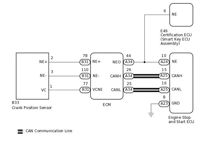
The crank position sensor sends an engine speed signal (NE signal) to the ECM. The engine speed signal is then sent directly from the NEO terminal of the ECM to the engine stop and start ECU.

Additionally, the ECM sends the engine speed value to the engine stop and start ECU via CAN communication. The engine stop and start ECU compares the NE signal and engine speed sent via CAN communication to check for errors in the NE signal.

If any errors are detected, the engine stop and start ECU cancels stop and start control.

DTC No.

Detection Item

DTC Detection Condition

Trouble Area

Warning Indicate

Memory

P0335

Engine Speed Sensor Circuit (NE Circuit)

All of the following conditions are met for 10 seconds (2 trip detection logic):

  • Normal communication between the ECM and the engine stop and start ECU.

  • Engine speed (NE signal) is below 6000 rpm.

  • Difference between the NE signal that is sent directly from ECM and the engine speed that is sent via CAN is 200 rpm or higher.

Both of the following conditions are met for 2 seconds or more (1 trip detection logic):

  • Starter is operating.

  • No NE signal input.

  • Wire harness or connector

  • Crank position sensor

  • ECM

  • Engine stop and start ECU

Blinks

DTC stored

CONFIRMATION DRIVING PATTERN

Tip:

DTCs for the stop and start system are not cleared automatically, even if the malfunction has been repaired. After repairing the malfunction, be sure to clear the DTCs.

Click here

  1. CONFIRMATION AFTER TROUBLESHOOTING

    Tip:
    • When the cable is disconnected from the negative (-) battery terminal, stop and start control is prohibited until refresh charge is completed. After connecting the cable, drive the vehicle until stop and start control is permitted (approximately 15 to 40 minutes).

    • Allow the engine to idle for 3 minutes after it is warmed up and check that the engine idle speed is within 50 rpm of the target idle speed.

    1. Connect the GTS to the DLC3.

    2. Turn the ignition switch to ON and turn the GTS on.

    3. Clear the DTCs.

      Click here

      Powertrain > Stop and Start > Clear DTCs

    4. Start the engine and wait for at least 15 seconds.

    5. Check that DTCs are not output.

      Click here

      Powertrain > Stop and Start > Trouble Codes

      A199262E07
  2. STOP AND START SYSTEM OPERATION CHECK

    Tip:

    When the cable is disconnected from the negative (-) battery terminal, stop and start control is prohibited until refresh charge is completed. After connecting the cable, drive the vehicle until stop and start control is permitted (approximately 15 to 40 minutes).

    1. Start the engine and warm it up.

    2. Turn the air conditioning system off.

    3. Drive the vehicle at 7 km/h (4.3 mph) or more.

      CAUTION:

      When performing Confirmation Driving Pattern, obey all speed limits and traffic laws.

    4. Stop the vehicle, move the shift lever to neutral and release the clutch pedal.

    5. Allow the engine to be stopped by stop and start control.

    6. Depress the clutch pedal to start the engine.

WIRING DIAGRAM

A318277E07

CAUTION / NOTICE / HINT

Note:
  • Before replacing the engine stop and start ECU, download the current status (number of starter operations) and upload it into a new engine stop and start ECU.

    Click here

  • After replacing the engine stop and start ECU or air conditioning control assembly, initialize and perform learning of the air conditioning information in the engine stop and start ECU.

    Click here

  • After replacing the engine stop and start ECU or airbag sensor assembly, clear and calibrate the deceleration sensor zero point in the engine stop and start ECU.

    Click here

Tip:

Using the GTS, read the freeze frame data before troubleshooting. System condition information is recorded as freeze frame data the moment a DTC is stored. This information can be useful when troubleshooting.

Click here

PROCEDURE

  1. CHECK DTC OUTPUT (SFI SYSTEM)

    1. Connect the GTS to the DLC3.

    2. Turn the ignition switch to ON.

    3. Turn the GTS on.

    4. Enter the following menus: Powertrain / Engine and ECT / Trouble Codes.

    5. Read the DTCs

      Powertrain > Engine and ECT > Trouble Codes

      Result

      Result

      Proceed to

      SFI system DTCs are output

      A

      SFI system DTC P0335, P0336, P0337, P0338 or P0339 is output

      B

    B

    GO TO SFI SYSTEM

    A
  2. READ VALUE USING GTS (Engine Spd (NE Signal))

    1. Connect the GTS to the DLC3

    2. Start the engine.

    3. Turn the tester on.

    4. Enter the following menus: Powertrain / Stop and Start / Data List / Engine Spd (NE Signal).

    5. According to the display on the GTS, read the Data List.

      Powertrain > Stop and Start > Data List

      Tester Display

      Engine Spd (NE Signal)

      OK

      Engine speed signal is input (the speeds displayed on the tachometer and the GTS are almost the same).

    Result

    Proceed to

    OK

    NG

    OK

    USE SIMULATION METHOD TO CHECK

    NG
  3. CHECK HARNESS AND CONNECTOR (ENGINE STOP AND START ECU - ECM)

    1. Turn the ignition switch to OFF

    2. Disconnect the E49 certification ECU (smart key ECU assembly) connector (w/ Entry and Start System).

    3. Disconnect the A24 engine stop and start ECU connector.

    4. Disconnect the A34 ECM connector.

    5. Measure the resistance according to the value(s) in the table below.

      Standard Resistance

      Tester Connection

      Condition

      Specified Condition

      A24-10 (NE) - A34-44 (NEO)

      Always

      Below 1 Ω

      A24-10 (NE) - Body ground

      Always

      10 kΩ or higher

      A34-44 (NEO) - Body ground

      Always

      10 kΩ or higher

    Result

    Proceed to

    OK

    NG

    NG

    REPAIR OR REPLACE HARNESS OR CONNECTOR

    OK
  4. CHECK HARNESS AND CONNECTOR (ENGINE STOP AND START ECU - BODY GROUND)

    1. Disconnect the A23 engine stop and start ECU connector.

    2. Measure the resistance according to the value(s) in the table below.

      Standard Resistance

      Tester Connection

      Condition

      Specified Condition

      A23-8 (GND) - Body ground

      Always

      Below 1 Ω

    Result

    Proceed to

    OK

    NG

    NG

    REPAIR OR REPLACE HARNESS OR CONNECTOR

    OK
  5. CHECK ENGINE STOP AND START ECU (NE SIGNAL INPUT)

    1. Connect an oscilloscope to terminals A24-10 (NE) and A23-8 (GND).

      A285225C56

      *a

      Component with harness connected

      (Engine Stop and Start ECU)

      -

      -

    2. Start the engine.

    3. A301717E02

      Check the signal waveform according to the condition(s) in the table below.

      Item

      Condition

      Tester Connection

      A24-10 (NE) - A23-8 (GND)

      Tool Setting

      5 V/DIV., 2 ms./DIV.

      Condition

      Idling with warm engine

      Result

      Result

      Proceed to

      Stuck at 0 to 1.5 V

      A

      Stuck at 8 to 14 V

      B

      Pulse generation

      (See waveform)

      C

    B

    GO TO SFI SYSTEM

    C

    REPLACE ENGINE STOP AND START ECU

    A
  6. CHECK ENGINE STOP AND START ECU (NE TERMINAL VOLTAGE)

    1. Disconnect the A34 ECM connector.

      A285225C56

      *a

      Component with harness connected

      (Engine Stop and Start ECU)

      -

      -

    2. Turn the ignition switch to ON.

    3. Measure the voltage according to the value(s) in the table below.

      Standard Voltage

      Tester Connection

      Condition

      Specified Condition

      A24-10 (NE) - A23-8 (GND)

      Ignition switch ON

      8 to 14 V

      Tip:

      DTCs may be stored during this inspection. Check for DTCs and clear them using the GTS.

    Result

    Proceed to

    OK

    NG

    OK

    GO TO SFI SYSTEM

    NG

    REPLACE ENGINE STOP AND START ECU