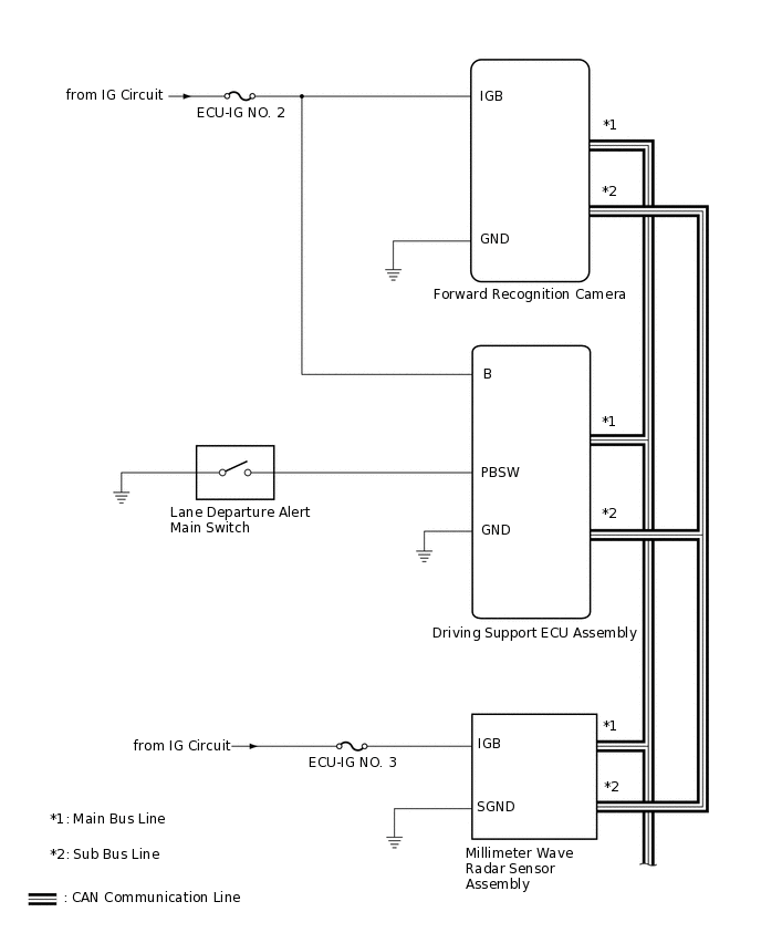
LANE DEPARTURE ALERT SYSTEM(w/ Steering Control) SYSTEM DIAGRAM

C342752E03
C347633E02
Table 1. Communication Table

Sender ECU

Receiver ECU

Signal

Line

Forward Recognition Camera

Combination Meter Assembly

  • Lane departure alert indicator light signal

  • Lane marker signal

  • Forward Recognition Camera malfunction signal

  • LDA customization infomation

  • Break message and exertion level display

  • Lane departure alert buzzer signal

CAN

Hybrid Vehicle Control ECU

Forward Recognition Camera

  • Shift position signal (P, R, N, D)

  • Vehicle specification information (2WD/4WD information, conventional/ hybrid information)

CAN

Driving Support ECU Assembly

Lane departure alert main switch operation signal

CAN

Skid Control ECU (Brake Booster with Master Cylinder Assembly)

  • Wheel speed signal

  • Wheel speed sensor malfunction signal

  • Under VSC control

  • Under TRC control

  • Airbag ECU assembly zero point signal

  • Airbag ECU assembly zero point error signal

CAN

Combination Meter Assembly

  • Turn signal light switch signal

  • Vehicle speed tolerance signal

CAN

Steering Angle Sensor (Spiral with Sensor Cable Sub-assembly)

  • Steering signal

  • Steering angle sensor malfunction signal

CAN

Yaw Rate and Acceleration Sensor (Airbag Sensor Assembly)

  • Yaw rate sensor signal

  • Yaw rate sensor voltage signal

  • Yaw rate sensor malfunction signal

CAN

Main Body ECU (Multiplex Network Body ECU)

  • Country specification information signal

  • Steering wheel information signal

CAN

Hybrid Vehicle Control ECU

Accelerator opening angle percentage signal

CAN