СИСТЕМА ПОМОЩИ ПРИ ПАРКОВКЕ Черный экран

Код DTC Наименование DTC
Черный экран

ОПИСАНИЕ

Видеосигнал задней телекамеры в сборе передается в радиоприемник с дисплеем в сборе.

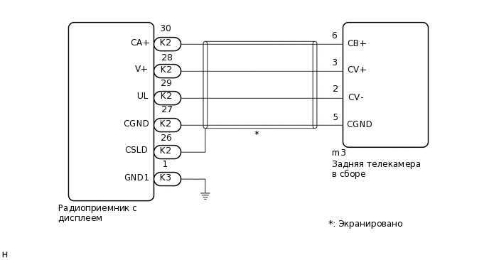
СХЕМА ЭЛЕКТРИЧЕСКИХ СОЕДИНЕНИЙ

E378704E03

ПРЕДОСТЕРЕЖЕНИЕ / ПРИМЕЧАНИЕ / УКАЗАНИЕ

Note:

В зависимости от замененных деталей или операций, которые были выполнены при проверке или обслуживании автомобиля, может потребоваться калибровка других систем, а также системы помощи при парковке.

Нажмите здесьЩелкните по следующей ссылке

ПОРЯДОК ВЫПОЛНЕНИЯ

  1. ПРОВЕРЬТЕ ЖГУТ ПРОВОДОВ И РАЗЪЕМ (РАДИОПРИЕМНИК С ДИСПЛЕЕМ В СБОРЕ – ЗАДНЯЯ ТЕЛЕКАМЕРА В СБОРЕ)

    Нажмите здесьЩелкните по следующей ссылке

    Результат

    Перейти к

    OK

    НЕ СООТВ.

    НЕ СООТВ.

    ОТРЕМОНТИРУЙТЕ ИЛИ ЗАМЕНИТЕ ЖГУТ ПРОВОДОВ ИЛИ РАЗЪЕМ

    СООТВ
  2. ПРОВЕРЬТЕ РАДИОПРИЕМНИК С ДИСПЛЕЕМ В СБОРЕ

    Нажмите здесьЩелкните по следующей ссылке

    Результат

    Перейти к

    OK

    НЕ СООТВ.

    НЕ СООТВ.

    ЗАМЕНИТЕ РАДИОПРИЕМНИК С ДИСПЛЕЕМ В СБОРЕ

    СООТВ
  3. ПРОВЕРЬТЕ РАДИОПРИЕМНИК С ДИСПЛЕЕМ В СБОРЕ (V+, GND1)

    Нажмите здесьЩелкните по следующей ссылке

    Результат

    Перейти к

    OK

    НЕ СООТВ.

    НЕ СООТВ.

    ЗАМЕНИТЕ ТЕЛЕКАМЕРУ ЗАДНЕГО ВИДА В СБОРЕ

    OK
  4. ЗАМЕНИТЕ РАДИОПРИЕМНИК С ДИСПЛЕЕМ В СБОРЕ

    1. Замените радиоприемник с дисплеем в сборе новым или заведомо исправным.

      Нажмите здесьЩелкните по следующей ссылкеЩелкните по следующей ссылкеЩелкните по следующей ссылке

    2. Проверьте, нормально ли работает мониторная система помощи при парковке.

      OK

      Мониторная система помощи при парковке работает нормально.

    Result

    Перейти к

    OK

    НЕ СООТВ.

    OK

    КОНЕЦ

    NG

    ЗАМЕНИТЕ ТЕЛЕКАМЕРУ ЗАДНЕГО ВИДА В СБОРЕ