ENTRY AND START SYSTEM(for Entry Function) Front Passenger Side Door Entry Lock and Unlock Functions do not Operate

DESCRIPTION

If the entry lock and unlock functions do not operate for the front passenger door only, the request code may not be being transmitted from the front passenger door or the front door outside handle assembly (for front passenger door) (touch sensor) may be malfunctioning. If the entry functions for other doors operate properly, communication between the electrical key transmitter sub-assembly and door control receiver is normal. In this case, there may be a problem with request code transmission (communication between the certification ECU (smart key ECU assembly) and front door outside handle assembly (for front passenger door) [front passenger door electrical key antenna]), or there may be wave interference.

Tech Tips

If the cause of the malfunction is stored in the certification ECU (smart key ECU assembly), the following table is helpful in checking whether or not the malfunction was caused by wave interference.

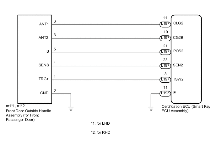
WIRING DIAGRAM

A005AW6E02

CAUTION / NOTICE / HINT

Note


  • The entry and start system (for Entry Function) uses a multiplex communication system (LIN communication system) and the CAN communication system. Inspect the communication function by following How to Proceed with Troubleshooting Click here. Troubleshoot the entry and start system (for Entry Function) after confirming that the communication systems are functioning properly.

  • When using the GTS with the power switch off, connect the GTS to the DLC3 and turn a courtesy light switch on and off at intervals of 1.5 seconds or less until communication between the GTS and the vehicle begins. Then select Model Code "KEY REGIST" under manual mode and enter the following menus: Body Electrical / Entry&Start (CAN). While using the GTS, periodically turn a courtesy light switch on and off at intervals of 1.5 seconds or less to maintain communication between the GTS and the vehicle.

  • Check that there are no electrical key transmitter sub-assemblies in the vehicle.

  • Before performing the inspection, check that DTC B1242 (wireless door lock control) is not output Click here.

  • Before replacing the certification ECU (smart key ECU assembly), refer to the entry and start system (for Entry Function) precaution Click here.

  • After repair, confirm that no DTCs are output by performing the "DTC Output Confirmation Operation".

  • When the entry lock and unlock functions do not operate for doors other than the driver door and if the power switch has not been turned on (IG) for 14 days or more, lock/unlock the doors using the wireless door lock function or key linked unlock operation and then check if the entry door lock and unlock functions operate.

PROCEDURE


  1. CHECK POWER DOOR LOCK CONTROL SYSTEM


    1. When the door control switch on the multiplex network master switch assembly is operated, check that the doors unlock and lock according to the switch operation Click here.

      OK
      Door locks operate normally.

    NG
    OK
  2. CHECK WAVE ENVIRONMENT


    1. A005BLSE01
      Text in Illustration
      *A for LHD
      *B for RHD
      *a Approximately 0.3 m (0.984 ft.)

      Bring the electrical key transmitter sub-assembly approximately 0.3 m (0.984 ft.) from the front door outside handle assembly (for front passenger door) and perform an entry function check Click here.

      Note

      If the electrical key transmitter sub-assembly is brought within 0.2 m (0.656 ft.) of the door handle, communication may not be possible.

      Tech Tips

      If the inspection result is that the problem only occurs in certain locations or at certain times of day, the possibility of wave interference is high. Also, added vehicle components may cause wave interference. If installed, remove them and perform the operation check.

      Result
      Result Proceed to
      Entry function does not operate normally. A
      Entry function operates normally. B

    B
    A
  3. CHECK HARNESS AND CONNECTOR (FRONT DOOR OUTSIDE HANDLE - CERTIFICATION ECU)


    1. Disconnect the m1*1, or n1*2 front door outside handle assembly (for front passenger door) connector.

    2. Disconnect the L197 certification ECU (smart key ECU assembly) connector.

    3. Measure the resistance according to the value(s) in the table below.


      • *1: for LHD

      • *2: for RHD

      Standard Resistance
      for LHD
      Tester Connection Condition Specified Condition
      m1-3 (ANT2) - L197-10 (CG2B) Always Below 1 Ω
      m1-6 (ANT1) - L197-11 (CLG2) Always Below 1 Ω
      m1-5 (B) - L197-21 (POS2) Always Below 1 Ω
      m1-2 (GND) - Body ground Always Below 1 Ω
      m1-3 (ANT2) or L197-10 (CG2B) - Body ground Always 10 kΩ or higher
      m1-6 (ANT1) or L197-11 (CLG2) - Body ground Always 10 kΩ or higher
      m1-5 (B) or L197-21 (POS2) - Body ground Always 10 kΩ or higher
      for RHD
      Tester Connection Condition Specified Condition
      n1-3 (ANT2) - L197-10 (CG2B) Always Below 1 Ω
      n1-6 (ANT1) - L197-11 (CLG2) Always Below 1 Ω
      n1-5 (B) - L197-21 (POS2) Always Below 1 Ω
      n1-2 (GND) - Body ground Always Below 1 Ω
      n1-3 (ANT2) or L197-10 (CG2B) - Body ground Always 10 kΩ or higher
      n1-6 (ANT1) or L197-11 (CLG2) - Body ground Always 10 kΩ or higher
      n1-5 (B) or L197-21 (POS2) - Body ground Always 10 kΩ or higher

    NG
    OK
  4. CHECK CERTIFICATION ECU (SMART KEY ECU ASSEMBLY) (OUTPUT TO FRONT PASSENGER DOOR ELECTRICAL KEY ANTENNA)


    1. A005E7GE02
      Text in Illustration
      *A for LHD
      *B for RHD
      *1 Waveform
      *a

      Front view of wire harness connector

      (to Front Door Outside handle assembly (for front passenger door))

      Disconnect the m1*1 or n1*2 front door outside handle assembly (for front passenger door) connector.

    2. Connect the L197 certification ECU (smart key ECU assembly) connector.

    3. Measure the voltage according to the value(s) in the table below.

      Standard Voltage
      Tester Connection Condition Specified Condition

      m1-5 (B) - m1-2 (GND)*1

      n1-5 (B) - n1-2 (GND)*2

      Power switch off → on (IG) 9 to 14 V → Below 2 V
    4. Using an oscilloscope, check the waveform.

      OK
      Tester Connection Condition Tool Setting Specified Condition

      m1-3 (ANT2) - m1-6 (ANT1)*1

      n1-3 (ANT2) - n1-6 (ANT1)*2

      Procedure:


      1. Power switch off

      2. Electrical key transmitter sub-assembly brought outside vehicle

      3. All doors closed

      4. Electrical key transmitter sub-assembly not inside vehicle

      5. Electrical key transmitter sub-assembly brought outside detection area

      6. All doors locked through wireless operation

      2 V/DIV., 500 ms/DIV. Pulse generation (See waveform)

      • *1: for LHD

      • *2: for RHD


    NG
    OK
  5. REPLACE FRONT DOOR OUTSIDE HANDLE ASSEMBLY (FOR FRONT PASSENGER DOOR)


    1. Temporarily replace the front door outside handle assembly (for front passenger door) with a new or known good one Click here.


    NEXT
  6. CHECK FRONT DOOR OUTSIDE HANDLE ASSEMBLY (OPERATION)


    1. Check that the entry functions operate normally Click here.

      OK
      Entry functions operate normally.

    OK
    NG