СИСТЕМА ПОСАДКИ И ЗАПУСКА (для моделей с функцией посадки) Не действуют функции блокировки и разблокировки для двери багажного отделения

Код DTC Наименование DTC
Не действуют функции блокировки и разблокировки для двери багажного отделения

ОПИСАНИЕ

Если функции блокировки и разблокировки системы посадки не работают только для двери багажного отделения, это означает, что код запроса может не передаваться от двери багажного отделения. Если функции системы посадки для других дверей действуют нормально, то обмен данными между передатчиком электронного ключа в сборе и приемником системы управления замками дверей происходит нормально. В этом случае неисправность может быть связана с передачей кода запроса (связь между ЭБУ сертификации (ЭБУ электронного ключа зажигания) и антенной электронного ключа (снаружи багажного отделения)), либо интерференцией электромагнитных волн.

СХЕМА ЭЛЕКТРИЧЕСКИХ СОЕДИНЕНИЙ

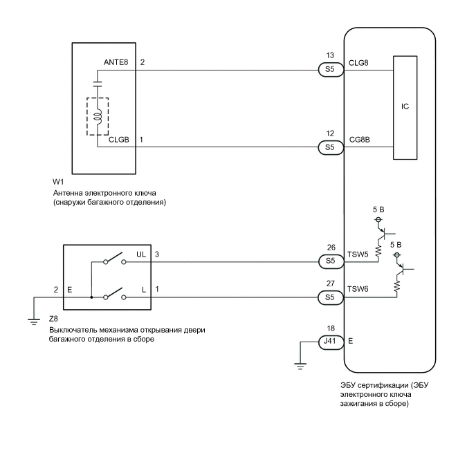
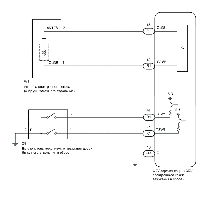
Figure 1. Для моделей с левосторонним рулевым управлением.
B423528E07
Figure 2. для моделей с правосторонним рулевым управлением.
B423528E08

ПРЕДОСТЕРЕЖЕНИЕ / ПРИМЕЧАНИЕ / УКАЗАНИЕ

Note:
  • Система посадки и запуска (функция посадки) использует системы передачи данных LIN и CAN. Проверьте работоспособность системы передачи данных, следуя указаниям из раздела "Порядок поиска неисправностей". Приступать к диагностике системы посадки и запуска (функции посадки) следует только после подтверждения нормальной работы систем передачи данных.

    Нажмите здесьClick here

  • При использовании GTS с выключенным питанием, подсоедините GTS к DLC3 и включайте и выключайте освещение проема двери с интервалами 1,5 с или менее до тех пор, пока не начнется обмен данными между GTS и автомобилем. Затем выберите код модели "KEY REGIST" в ручном режиме и войдите в следующие пункты меню: Body Electrical / Entry&Start(CAN). При использовании GTS периодически включайте и выключайте выключатель освещения дверного проема с интервалом не более 1,5 с, чтобы поддерживать связь между GTS и автомобилем.

  • Убедитесь, что в автомобиле отсутствуют передатчики электронных ключей в сборе.

  • Перед заменой ЭБУ сертификации (ЭБУ электронного ключа зажигания в сборе) обратитесь к мерам предосторожности.

    Нажмите здесьClick hereClick here

  • После ремонта убедитесь, что коды DTC не выводятся снова.

ПОРЯДОК ВЫПОЛНЕНИЯ

  1. ПРОВЕРЬТЕ СИСТЕМУ УПРАВЛЕНИЯ ЗАМКАМИ ДВЕРЕЙ

    1. Приводя в действие выключатель системы блокировки дверей на главном переключателе сети мультиплексной связи, убедитесь, что двери блокируются и разблокируются в соответствии с состоянием выключателя.

      Нажмите здесьClick here

      OK

      Дверные замки работают надлежащим образом.

    Result

    Перейти к

    OK

    НЕ СООТВ.

    НЕ СООТВ.

    ПЕРЕЙДИТЕ К РАЗДЕЛУ "СИСТЕМА УПРАВЛЕНИЯ ЗАМКАМИ ДВЕРЕЙ"

    Нажмите здесьClick here

    СООТВ
  2. ПРОВЕРЬТЕ DTC

    1. Проверьте наличие кодов DTC.

      Body Electrical > Entry&Start > Trouble Codes

    Result

    Result

    Перейти К

    DTC B27A8 не выводится

    A

    Выводится DTC B27A8

    Б

    B

    ПЕРЕЙДИТЕ К "ТАБЛИЦЕ ДИАГНОСТИЧЕСКИХ КОДОВ НЕИСПРАВНОСТЕЙ"

    Нажмите здесьClick hereClick here

    A
  3. ПРОВЕРЬТЕ ПРОХОЖДЕНИЕ РАДИОВОЛН

    1. B416815C01

      *a

      Примерно 0,3 м (0,984 фута)

      Поднесите передатчик электронного ключа в сборе к антенне электронного ключа (снаружи багажного отделения) на расстояние приблизительно 0,3 м (0,984 фута) и проверьте функцию открывания/закрывания двери багажного отделения системы посадки.

      Нажмите здесьClick here

      Tip:
      • Когда передатчик электронного ключа располагается в пределах 0,2 м (0,656 фута) от антенны электронного ключа (снаружи багажного отделения), обмен данными невозможен

      • Когда передатчик электронного ключа находится вблизи антенны электронного ключа (вне багажного отделения), вероятность интерференции снижается, поэтому можно проверить, является ли интерференция причиной признака неисправности.

      • Если результат проверки работы указывает на то, что неисправность проявляется в определенном месте или в определенное время, высока вероятность интерференции. Кроме того, причиной помех могут быть дополнительно установленные устройства. Если данные устройства установлены, снимите их и выполните проверку работы.

      • Помехами Если автомобиль находится рядом с радиовещательными антенн, больших видеоизображение отображается, систем дистанционного открывания гаражных дверей, камер безопасности дистанционной системы безопасности, "HOME" и т. д. В этом случае переместите автомобиль в другое место и проверьте, имеются ли улучшения.

      • При наличии прибора для контроля электромагнитного излучения, например, измерителя уровня сигнала, изучите зону, проведя измерения как в низкочастотном диапазоне (который используется антеннами автомобиля для формирования области обнаружения ключа), так и в высокочастотном диапазоне (который используется передатчиком электронного ключа для передачи данных), чтобы выявить места, где действуют электромагнитные помехи.

      • Если несколько раз проверить работу функцию блокировки системы посадки, она может последовательно сработать только до 2 раз. Чтобы последовательно задействовать функцию не менее 3 раз, необходимо один раз разблокировать двери. Однако это относится только к функции блокировки системы посадки. Другие функции управления замками дверей, например, дистанционную блокировку дверей, можно задействовать последовательно неограниченное число раз. *

        • *: Для моделей без системы двойной блокировки

    Результат

    Result

    Перейдите к

    Функции системы не работают должным образом

    А

    Функции системы посадки работают нормально

    Б

    B

    ПОДВЕРГАЕТСЯ ИНТЕРФЕРЕНЦИИ

    A
  4. СНИМИТЕ ПОКАЗАНИЯ GTS (TR/B DOOR LOCK SW, TR/B DOOR UNLOCK SW)

    1. Подключите GTS к DLC3.

    2. Включите зажигание (IG).

    3. Включите GTS.

    4. Войдите в следующие меню: Body Electrical / Entry&Start / Data List.

    5. Снимите показания с дисплея GTS в режиме DATA LIST.

      Body Electrical > Entry&Start > Data List

      Информация на дисплее прибора

      Измеряемая величина

      Диапазон

      Нормальное состояние

      Замечание по диагностике

      Tr/B-Door Lock SW

      Выключатель механизма открывания двери багажного отделения (выключатель блокировки)

      ON (ВКЛ) или OFF (ВЫКЛ)

      ON (ВКЛ): Выключатель механизма открывания двери багажного отделения (выключатель блокировки) нажат

      OFF (ВЫКЛ): Выключатель механизма открывания двери багажного отделения в сборе (выключатель блокировки) не нажат

      • Отображается, в каком состоянии находится выключатель механизма открывания двери багажного отделения (выключатель блокировки): во включенном или в выключенном.

      • Когда функция блокировки двери багажного отделения не работает, этот параметр Data List помогает определить, имеется ли неисправность в выключателе.

      Tr/B-Door Unlock SW

      Выключатель механизма открывания двери багажного отделения в сборе (выключатель открывания)

      ON (ВКЛ) или OFF (ВЫКЛ)

      ON (ВКЛ): Выключатель механизма открывания двери багажного отделения в сборе (выключатель открывания) нажат

      OFF (ВЫКЛ): Выключатель механизма открывания двери багажного отделения в сборе (выключатель открывания) не нажат

      • Отображается, в каком состоянии находится выключатель механизма открывания двери багажного отделения (выключатель открывания): во включенном или в выключенном.

      • Когда функция открывания двери багажного отделения не работает, этот параметр Data List помогает определить, имеется ли неисправность в выключателе.

      Body Electrical > Entry&Start > Data List

      Информация на дисплее прибора

      Tr/B-Door Lock SW

      Tr/B-Door Unlock SW

      OK

      Показания на экране GTS правильно изменяются в соответствии с управлением выключателем механизма открывания двери багажного отделения.

    Result

    Перейти к

    OK

    НЕ СООТВ.

    НЕ СООТВ.

    ПРОВЕРЬТЕ ЖГУТ ПРОВОДОВ И РАЗЪЕМ (ВЫКЛЮЧАТЕЛЬ МЕХАНИЗМА ОТКРЫВАНИЯ ДВЕРИ БАГАЖНОГО ОТДЕЛЕНИЯ - ЭБУ СЕРТИФИКАЦИИ (ЭБУ ЭЛЕКТРОННОГО КЛЮЧА ЗАЖИГАНИЯ В СБОРЕ) И МАССА)Click here

    СООТВ
  5. ПРОВЕРЬТЕ РЕЖИМ ДИАГНОСТИКИ КЛЮЧА

    1. Проверьте следующую антенну в режиме диагностики ключа.

      Body Electrical > Entry&Start > Utility

      Информация на дисплее прибора

      Communication Check (Key Diag Mode)

    2. B416815C01

      *a

      0,7 - 1 м (2,30 - 3,28 фута)

      Выберите либо канал 1, либо канал 2 и выполните проверку в режиме диагностики ключа для каждого канала.

      1. Проверьте антенну электронного ключа (снаружи багажного отделения):

        Когда передатчик электронного ключа в сборе находится на расстоянии 0,7-1 м (2,30-3,28 фута) от антенны электронного ключа (снаружи багажного отделения), убедитесь, что звучит зуммер системы дистанционного управления замками дверей.

        Tip:
        • Выберите либо канал 1, либо канал 2 и выполните проверку в режиме диагностики ключа для каждого канала.

        • Если сигнал зуммера раздается при отображении [CH1], но не при [CH2], передатчик электронного ключа в сборе не может быть обнаружен каналом 2 по причине неисправности такой, как электромагнитные помехи.

    Result

    Result

    Перейдите к

    Зуммер системы дистанционного управления замками дверей не звучит

    А

    Зуммер системы дистанционного управления замками дверей звучит

    Б

    B

    ЗАМЕНИТЕ ЭБУ СЕРТИФИКАЦИЕЙ (ЭБУ ЭЛЕКТРОННЫМ КЛЮЧОМ ЗАЖИГАНИЯ В СБОРЕ)

    A
  6. ПРОВЕРЬТЕ ЖГУТ ПРОВОДОВ И РАЗЪЕМ (АНТЕННА ЭЛЕКТРОННОГО КЛЮЧА (СНАРУЖИ БАГАЖНОГО ОТДЕЛЕНИЯ) - ЭБУ СЕРТИФИКАЦИИ (ЭБУ ЭЛЕКТРОННОГО КЛЮЧА ЗАЖИГАНИЯ В СБОРЕ))

    1. Отсоедините разъем R1*1 или S5*2 ЭБУ сертификации (ЭБУ электронного ключа зажигания).

      • *1: для моделей с левосторонним рулевым управлением

      • *2: для моделей с правосторонним рулевым управлением

    2. Отсоедините разъем W1 антенны электронного ключа (снаружи багажного отделения).

    3. Измерьте сопротивление в соответствии со значениями, приведенными в таблице ниже.

      Номинальное сопротивление

      Table 1. для моделей с левосторонним рулевым управлением.

      Подключение диагностического прибора

      Условие

      Заданные условия

      R1-13 (CLG8) - W1-2 (ANTE8)

      Всегда

      Менее 1 Ом

      R1-12 (CG8B) - W1-1 (CLGB)

      Всегда

      Менее 1 Ом

      R1-13 (CLG8) или W1-2 (ANTE8) - масса

      Всегда

      10 кОм или более

      R1-12 (CG8B) или W1-1 (CLGB) - масса

      Всегда

      10 кОм или более

      Table 2. Для моделей с правосторонним рулевым управлением

      Подключение диагностического прибора

      Условие

      Заданные условия

      S5-13 (CLG8) - W1-2 (ANTE8)

      Всегда

      Менее 1 Ом

      S5-12 (CG8B) - W1-1 (CLGB)

      Всегда

      Менее 1 Ом

      S5-13 (CLG8) или W1-2 (ANTE8) - масса

      Всегда

      10 кОм или более

      S5-12 (CG8B) или W1-1 (CLGB) - масса

      Всегда

      10 кОм или более

    4. Подсоедините разъем W1 антенны электронного ключа (снаружи багажного отделения).

    5. Подсоедините разъем R1*1 или S5*2 ЭБУ сертификации (ЭБУ электронного ключа зажигания).

      • *1: для моделей с левосторонним рулевым управлением

      • *2: для моделей с правосторонним рулевым управлением

    Результат

    Перейти к

    OK

    НЕ СООТВ.

    НЕ СООТВ.

    ОТРЕМОНТИРУЙТЕ ИЛИ ЗАМЕНИТЕ ЖГУТ ПРОВОДОВ ИЛИ РАЗЪЕМ

    СООТВ
  7. ПРОВЕРЬТЕ ЭБУ СЕРТИФИКАЦИИ (ЭБУ ЭЛЕКТРОННОГО КЛЮЧА ЗАЖИГАНИЯ В СБОРЕ) (ВЫХОД НА АНТЕННУ ЭЛЕКТРОННОГО КЛЮЧА (СНАРУЖИ БАГАЖНОГО ОТДЕЛЕНИЯ))

    1. С помощью осциллографа проверьте форму сигнала.

      B416828C08

      *A

      Для моделей с левосторонним рулевым управлением

      *B

      Для моделей с правосторонним рулевым управлением

      *a

      Устройство с подсоединенным жгутом проводов

      (ЭБУ сертификации (ЭБУ электронного ключа зажигания в сборе))

      *b

      Осциллограмма 1

      OK

      Table 3. Для моделей с левосторонним рулевым управлением.

      Подключение диагностического прибора

      Условие

      Настройки прибора

      Заданные условия

      R1-13 (CLG8) - J41-18 (E)

      Процедура:

      1. Зажигание выключено

      2. Передатчик электронного ключа в сборе вынесен за пределы автомобиля

      3. все двери закрыты

      4. Выключатель механизма открывания двери багажного отделения выключен → включен

      2 В / дел., 500 мс / дел.

      Формирование импульсов

      (см. осциллограмму 1)

      R1-12 (CG8B) - J41-18 (E)

      Процедура:

      1. Зажигание выключено

      2. Передатчик электронного ключа в сборе вынесен за пределы автомобиля

      3. все двери закрыты

      4. Выключатель механизма открывания двери багажного отделения выключен → включен

      2 В / дел., 500 мс / дел.

      Формирование импульсов

      (см. осциллограмму 1)

      Table 4. для моделей с правосторонним рулевым управлением.

      Подключение диагностического прибора

      Условие

      Настройки прибора

      Заданные условия

      S5-13 (CLG8) - J41-18 (E)

      Процедура:

      1. Зажигание выключено

      2. Передатчик электронного ключа в сборе вынесен за пределы автомобиля

      3. все двери закрыты

      4. Выключатель механизма открывания двери багажного отделения выключен → включен

      2 В / дел., 500 мс / дел.

      Формирование импульсов

      (см. осциллограмму 1)

      S5-12 (CG8B) - J41-18 (E)

      Процедура:

      1. Зажигание выключено

      2. Передатчик электронного ключа в сборе вынесен за пределы автомобиля

      3. все двери закрыты

      4. Выключатель механизма открывания двери багажного отделения выключен → включен

      2 В / дел., 500 мс / дел.

      Формирование импульсов

      (см. осциллограмму 1)

    Результат

    Перейти к

    OK

    НЕ СООТВ.

    OK

    ЗАМЕНИТЕ АНТЕННУ ЭЛЕКТРОННОГО КЛЮЧА (СНАРУЖИ БАГАЖНОГО ОТДЕЛЕНИЯ)

    Нажмите здесьClick hereClick hereClick here

    NG
  8. ПРОВЕРЬТЕ ДЕЙСТВИЕ ФУНКЦИИ БЛОКИРОВКИ СИСТЕМЫ ПОСАДКИ

    1. Подсоедините все разъемы и убедитесь, что функция работает должным образом.

      Нажмите здесьClick here

    Result

    Result

    Перейдите к

    Функции системы не работают должным образом

    А

    Функции системы посадки работают нормально

    Б

    A

    ЗАМЕНИТЕ ЭБУ СЕРТИФИКАЦИИ (ЭБУ ЭЛЕКТРОННОГО КЛЮЧА ЗАЖИГАНИЯ В СБОРЕ)

    Б

    КОНЕЦ (РАЗЪЕМ НЕ БЫЛ ПОДСОЕДИНЕН НАДЕЖНО)

  9. ПРОВЕРЬТЕ ЖГУТ ПРОВОДОВ И РАЗЪЕМ (ВЫКЛЮЧАТЕЛЬ МЕХАНИЗМА ОТКРЫВАНИЯ ДВЕРИ БАГАЖНОГО ОТДЕЛЕНИЯ - ЭБУ СЕРТИФИКАЦИИ (ЭБУ ЭЛЕКТРОННОГО КЛЮЧА ЗАЖИГАНИЯ В СБОРЕ) И МАССА)

    1. Отсоедините разъем R1*1 или S5*2 ЭБУ сертификации (ЭБУ электронного ключа зажигания).

      • *1: для моделей с левосторонним рулевым управлением

      • *2: для моделей с правосторонним рулевым управлением

    2. Отсоедините разъем Z8 выключателя механизма открывания двери багажного отделения в сборе.

    3. Измерьте сопротивление в соответствии со значениями, приведенными в таблице ниже.

      Номинальное сопротивление

      Table 5. для моделей с левосторонним рулевым управлением.

      Подключение диагностического прибора

      Условие

      Заданные условия

      R1-27 (TSW6) - Z8-1 (L)

      Всегда

      Менее 1 Ом

      R1-26 (TSW5) - Z8-3 (UL)

      Всегда

      Менее 1 Ом

      Z8-2 (E) - масса

      Всегда

      Менее 1 Ом

      R1-26 (TSW5) или Z8-3 (UL) - масса

      Всегда

      10 кОм или более

      Z8-3 (UL) или R1-26 (TSW5) - масса

      Всегда

      10 кОм или более

      Table 6. Для моделей с правосторонним рулевым управлением

      Подключение диагностического прибора

      Условие

      Заданные условия

      S5-27 (TSW6) - Z8-1 (L)

      Всегда

      Менее 1 Ом

      S5-26 (TSW5) - Z8-3 (UL)

      Всегда

      Менее 1 Ом

      Z8-2 (E) - масса

      Всегда

      Менее 1 Ом

      S5-26 (TSW5) или Z8-3 (UL) - масса

      Всегда

      10 кОм или более

      Z8-3 (UL) или S5-26 (TSW5) - масса

      Всегда

      10 кОм или более

    Результат

    Перейти к

    OK

    НЕ СООТВ.

    НЕ СООТВ.

    ОТРЕМОНТИРУЙТЕ ИЛИ ЗАМЕНИТЕ ЖГУТ ПРОВОДОВ ИЛИ РАЗЪЕМ

    СООТВ
  10. ПРОВЕРЬТЕ ВЫКЛЮЧАТЕЛЬ МЕХАНИЗМА ОТКРЫВАНИЯ ДВЕРИ БАГАЖНОГО ОТДЕЛЕНИЯ

    1. Снимите переключатель открывания двери багажного отделения в сборе.

      Нажмите здесьClick here

    2. Проверьте выключатель механизма открывания двери багажного отделения в сборе.

      Нажмите здесьClick here

    Результат

    Перейти к

    OK

    НЕ СООТВ.

    НЕ СООТВ.

    ЗАМЕНИТЕ ВЫКЛЮЧАТЕЛЬ МЕХАНИЗМА ОТКРЫВАНИЯ ДВЕРИ БАГАЖНОГО ОТДЕЛЕНИЯ В СБОРЕ

    Нажмите здесьClick here

    СООТВ
  11. ПРОВЕРЬТЕ ДЕЙСТВИЕ ФУНКЦИИ БЛОКИРОВКИ СИСТЕМЫ ПОСАДКИ

    1. Подсоедините все разъемы и убедитесь, что функция работает должным образом.

      Нажмите здесьClick here

    Result

    Result

    Перейдите к

    Функции системы не работают должным образом

    А

    Функции системы посадки работают нормально

    Б

    A

    ЗАМЕНИТЕ ЭБУ СЕРТИФИКАЦИИ (ЭБУ ЭЛЕКТРОННОГО КЛЮЧА ЗАЖИГАНИЯ В СБОРЕ)

    Б

    КОНЕЦ (РАЗЪЕМ НЕ БЫЛ ПОДСОЕДИНЕН НАДЕЖНО)