CAN COMMUNICATION SYSTEM(for RHD) Check Bus 3 Line for Short to +B

DTC Code DTC Name
Check Bus 3 Line for Short to +B

DESCRIPTION

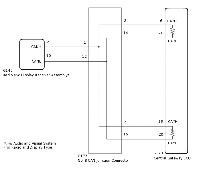
There may be a short circuit between one of the CAN bus lines and +B when no resistance exists between terminal 6 (CA3H) of the central gateway ECU and terminal 16 (BAT) of the DLC3, or terminal 21 (CA3L) of the central gateway ECU and terminal 16 (BAT) of the DLC3.

Detection Item

Trouble Area

No resistance exists between terminal 6 (CA3H) of the central gateway ECU and terminal 16 (BAT) of the DLC3, or terminal 21 (CA3L) of the central gateway ECU and terminal 16 (BAT) of the DLC3.

  • Short to +B in bus 3 CAN main wires

  • Short to +B in bus 3 CAN branch wires

  • Central gateway ECU

  • Radio and display receiver assembly*

  • No. 8 CAN junction connector

*: w/ Audio and Visual System (for Radio and Display Type)

WIRING DIAGRAM

C334603E05

CAUTION / NOTICE / HINT

Note:
  • Because the order of diagnosis is important to allow correct diagnosis, make sure to begin troubleshooting using How to Proceed with Troubleshooting when CAN communication system related DTCs are output.

    Click here

  • Before measuring the resistance of the CAN bus, turn the power switch off and leave the vehicle for 1 minute or more without operating the key, switches or opening or closing the doors. After that, disconnect the cable from the negative (-) auxiliary battery terminal and leave the vehicle for 1 minute or more before measuring the resistance.

  • After turning the power switch off, waiting time may be required before disconnecting the cable from the auxiliary battery terminal. Therefore, make sure to read the disconnecting the cable from the auxiliary battery terminal notice before proceeding with work.

    Click hereClick hereClick hereClick here

  • After the repair, perform CAN Bus Check and check that all the ECUs and sensors connected to the CAN communication system are displayed.

    Click hereClick hereClick here

Tip:
  • Operating the power switch, any switches or any doors triggers related ECU and sensor communication with the CAN, which causes resistance variation.

  • Even after DTCs are cleared, if a DTC is stored again after driving the vehicle for a while, the malfunction may be occurring due to vibration of the vehicle. In such a case, wiggling the ECUs or wire harness while performing the inspection below may help determine the cause of the malfunction.

PROCEDURE

  1. CHECK FOR SHORT TO B+ IN CAN BUS WIRE (NO. 8 CAN JUNCTION CONNECTOR)

    1. Disconnect the cable from the negative (-) auxiliary battery terminal.

      C312658C57

      *a

      Front view of wire harness connector

      (to No. 8 CAN Junction Connector)

      *b

      Front view of DLC3

      *c

      to Radio and Display Receiver Assembly (w/ Audio and Visual System [for Radio and Display Type])

      *d

      to Central Gateway ECU

    2. Disconnect the No. 8 CAN junction connector.

    3. Measure the resistance according to the value(s) in the table below.

      Standard Resistance

      Tester Connection

      Condition

      Specified Condition

      Connect to

      G173-1 (CANH) - G14-16 (BAT)

      Cable disconnected from negative (-) auxiliary battery terminal

      6 kΩ or higher

      Radio and display receiver assembly*

      G173-12 (CANL) - G14-16 (BAT)

      G173-3 (CANH) - G14-16 (BAT)

      Cable disconnected from negative (-) auxiliary battery terminal

      6 kΩ or higher

      Central gateway ECU

      G173-14 (CANL) - G14-16 (BAT)

      G173-4 (CANH) - G14-16 (BAT)

      Cable disconnected from negative (-) auxiliary battery terminal

      6 kΩ or higher

      Central gateway ECU

      G173-15 (CANL) - G14-16 (BAT)

      *: w/ Audio and Visual System (for Radio and Display Type)

    Result

    Proceed to

    OK

    A

    NG (Central gateway ECU CAN main wire)

    B

    NG (ECU or sensor CAN branch wires)

    C

    A

    REPLACE NO. 8 CAN JUNCTION CONNECTOR

    C

    CHECK FOR SHORT TO B+ IN CAN BUS WIRE (ECU, SENSOR)Click here

    B
  2. CONNECT CONNECTOR

    1. Reconnect the G173 No. 8 CAN junction connector.

    Result

    Proceed to

    NEXT

    NEXT
  3. CHECK FOR SHORT TO B+ IN CAN BUS WIRE (CENTRAL GATEWAY ECU)

    1. C338146C24

      *a

      Front view of wire harness connector

      (to Central Gateway ECU)

      *b

      Front view of DLC3

      Disconnect the central gateway ECU connector.

    2. Measure the resistance according to the value(s) in the table below.

      Standard Resistance

      Tester Connection

      Condition

      Specified Condition

      G170-6 (CA3H) - G14-16 (BAT)

      Cable disconnected from negative (-) auxiliary battery terminal

      6 kΩ or higher

      G170-21 (CA3L) - G14-16 (BAT)

      G170-19 (CAYH) - G14-16 (BAT)

      Cable disconnected from negative (-) auxiliary battery terminal

      6 kΩ or higher

      G170-20 (CAYL) - G14-16 (BAT)

    Result

    Proceed to

    OK

    NG

    OK

    REPLACE CENTRAL GATEWAY ECU

    NG

    REPAIR OR REPLACE CAN MAIN WIRE OR CONNECTOR (CENTRAL GATEWAY ECU - NO. 8 CAN JUNCTION CONNECTOR)

  4. CHECK FOR SHORT TO B+ IN CAN BUS WIRE (ECU, SENSOR)

    1. C334464C39

      *a

      Component with harness connected

      (Central Gateway ECU)

      *b

      Front view of DLC3

      Reconnect the CAN junction connector.

    2. Disconnect the connector that includes terminals CANH and CANL from the ECU or sensor to which the bus line shorted to +B is connected.

    3. Measure the resistance according to the value(s) in the table below.

      Standard Resistance

      Tester Connection

      Condition

      Specified Condition

      G170-6 (CA3H) - G14-16 (BAT)

      Cable disconnected from negative (-) auxiliary battery terminal

      6 kΩ or higher

      G170-21 (CA3L) - G14-16 (BAT)

      Tip:

      If the resistance changes to 6 kΩ or higher when the connector is disconnected from the ECU or sensor, there may be a short in the ECU or sensor.

    Result

    Proceed to

    OK

    NG

    OK

    REPLACE CORRESPONDING ECU OR SENSOR

    NG

    REPAIR OR REPLACE CORRESPONDING ECU OR SENSOR CAN BRANCH WIRES OR CONNECTOR