СИСТЕМА ОСВЕЩЕНИЯ Цепь лампы освещения салона

Код DTC Наименование DTC
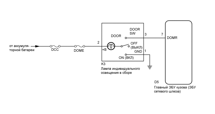
Цепь лампы освещения салона

ОПИСАНИЕ

Главный ЭБУ кузова (ЭБУ сетевого шлюза) управляет работой лампы индивидуального освещения

СХЕМА ЭЛЕКТРИЧЕСКИХ СОЕДИНЕНИЙ

E249234E03

ПРЕДОСТЕРЕЖЕНИЕ / ПРИМЕЧАНИЕ / УКАЗАНИЕ

Note:

Перед выполнением следующей процедуры проверки проверьте предохранители цепей, относящихся к данной системе.

ПОРЯДОК ВЫПОЛНЕНИЯ

  1. ВЫПОЛНИТЕ АКТИВНУЮ ДИАГНОСТИКУ С ПОМОЩЬЮ GTS

    1. Подключите GTS к DLC3.

    2. Установите замок зажигания в положение ON (ВКЛ).

    3. Включите GTS.

    4. Войдите в следующие меню: Body Electrical / Main Body / Active Test.

    5. Убедитесь, что лампы работают.

      OK

      Лампа индивидуального освещения плавно загорается.

      Table 1. Main Body (Кузов)

      Информация на дисплее прибора

      Испытываемое устройство

      Диапазон регулирования

      Замечание по диагностике

      Illuminated Entry System

      Лампа индивидуального освещения

      ON (ВКЛ) / OFF (ВЫКЛ)

      -

    ПЕРЕЙДИТЕ К СЛЕДУЮЩЕМУ ПРЕДПОЛАГАЕМОМУ УЧАСТКУ, УКАЗАННОМУ В ТАБЛИЦЕ ПРИЗНАКОВ НЕИСПРАВНОСТЕЙ

    (см.Click hereстр.)

  2. ПРОВЕРЬТЕ ЛАМПУ ИНДИВИДУАЛЬНОГО ОСВЕЩЕНИЯ

    1. Снимите лампу индивидуального освещения в сборе (см. стр.Click here).

    2. Проверьте лампу индивидуального освещения в сборе (см. стр.Click here).

      OK

      Лампа индивидуального освещения исправна.

    ЗАМЕНИТЕ ЛАМПУ ИНДИВИДУАЛЬНОГО ОСВЕЩЕНИЯ

    (см.Click hereстр.)

  3. ПРОВЕРЬТЕ ЖГУТ ПРОВОДОВ И РАЗЪЕМ (АККУМУЛЯТОРНАЯ БАТАРЕЯ - ЛАМПА ИНДИВИДУАЛЬНОГО ОСВЕЩЕНИЯ)

    1. Отсоедините разъем K3 лампы индивидуального освещения.

    2. U147280E01

      Измерьте напряжение в соответствии со значениями, приведенными в таблице.

      Номинальное напряжение

      Подключение диагностического прибора

      Условие

      Заданные условия

      K3-2 (+B) - масса

      Всегда

      11-14 В

    Table 2. Обозначения на рисунке

    *a

    Вид спереди разъема со стороны жгута проводов:

    (к лампе индивидуального освещения)

    ОТРЕМОНТИРУЙТЕ ИЛИ ЗАМЕНИТЕ ЖГУТ ПРОВОДОВ ИЛИ РАЗЪЕМ

  4. ПРОВЕРЬТЕ ЖГУТ ПРОВОДОВ И РАЗЪЕМ (ЛАМПА ИНДИВИДУАЛЬНОГО ОСВЕЩЕНИЯ - ГЛАВНЫЙ ЭБУ КУЗОВА (ЭБУ СЕТЕВОГО ШЛЮЗА))

    1. Отсоедините разъем K3 лампы индивидуального освещения.

    2. Отсоедините разъем D5 главного ЭБУ кузова (ЭБУ сетевого шлюза).

    3. Измерьте сопротивление в соответствии со значениями, приведенными в таблице ниже.

      Номинальное сопротивление

      Подключение диагностического прибора

      Условие

      Заданные условия

      K3-3 (DOOR SW) - D5-7 (DOMR)

      Всегда

      Менее 1 Ом

      D5-7 (DOMR) - масса

      Всегда

      10 кОм или более

    ЗАМЕНИТЕ ГЛАВНЫЙ ЭБУ КУЗОВА (ЭБУ СЕТЕВОГО ШЛЮЗА)

    (см.Click hereстр.)

    ОТРЕМОНТИРУЙТЕ ИЛИ ЗАМЕНИТЕ ЖГУТ ПРОВОДОВ ИЛИ РАЗЪЕМ