СИСТЕМА ДОВОДЧИКОВ РАЗДВИЖНЫХ ДВЕРЕЙ Цепь питания реле доводчика раздвижной двери

ОПИСАНИЕ



СХЕМА ЭЛЕКТРИЧЕСКИХ СОЕДИНЕНИЙ


  1. для левой стороны (для моделей без электропривода раздвижных дверей)

    B007T5SE01
  2. для правой стороны (для моделей без раздвижных дверей с электроприводом)

    B007T5SE02
  3. для левой стороны (для моделей с раздвижными дверями с электроприводом)

    B007RXPE01
  4. для правой стороны (для моделей с раздвижными дверями с электроприводом)

    B007RXPE02

ПОСЛЕДОВАТЕЛЬНОСТЬ ПРОВЕРКИ

Note

Перед выполнением следующей процедуры проверки проверьте предохранители цепей, относящихся к данной системе.

ПОРЯДОК ВЫПОЛНЕНИЯ


  1. ПРОВЕРЬТЕ ТИП АВТОМОБИЛЯ


    1. Проверьте тип автомобиля.

      Результат
      Результат Следующий шаг
      Для моделей с автоматизированным приводом раздвижной двери А
      для левой стороны (для моделей без электропривода раздвижных дверей) B
      для правой стороны (для моделей без раздвижных дверей с электроприводом) C

    B
    C
    А
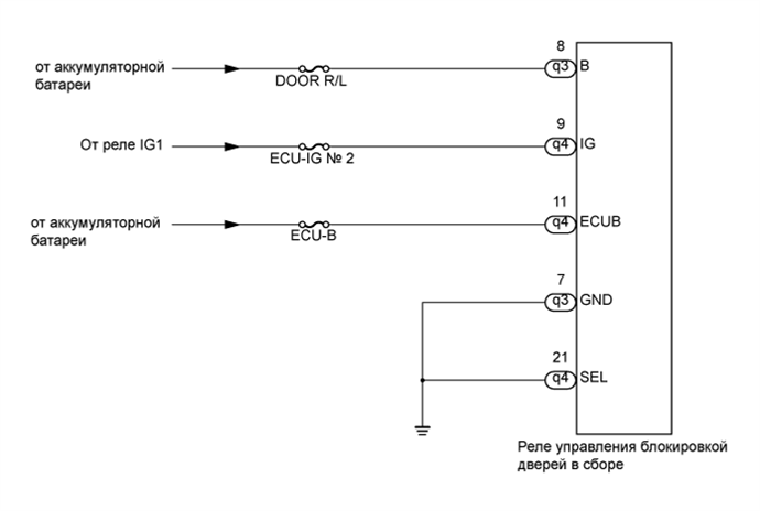
  2. ПРОВЕРЬТЕ ЖГУТ ПРОВОДОВ И РАЗЪЕМ (РЕЛЕ УПРАВЛЕНИЯ ДВЕРЯМИ В СБОРЕ - АККУМУЛЯТОРНАЯ БАТАРЕЯ И МАССА)


    1. Для левой стороны


      1. B007QUAE01
        Обозначения на рисунке
        *a

        Вид спереди разъема со стороны жгута проводов:

        (к реле управления дверями в сборе)

        Отсоедините разъемы реле управления дверями.

      2. Измерьте сопротивление в соответствии со значениями, приведенными в таблице ниже.

        Номинальное сопротивление
        Подключение диагностического прибора Условие Заданные условия
        q3-7 (GND) - масса Всегда Менее 1 Ом
        q4-21 (SEL) - масса Всегда Менее 1 Ом
      3. Измерьте напряжение в соответствии со значениями, приведенными в таблице.

        Номинальное напряжение
        Подключение диагностического прибора Условие Заданные условия
        q3-8 (B) - масса Всегда 11–14 В
        q4-9 (IG) - масса Зажигание включено 11–14 В
        q4-9 (IG) - масса Зажигание выключено Менее 1 В
        q4-11 (ECUB) - масса Всегда 11–14 В
    2. Для правой стороны


      1. B007QUAE02
        Обозначения на рисунке
        *a

        Вид спереди разъема со стороны жгута проводов:

        (к реле управления дверями в сборе)

        Отсоедините разъемы реле управления дверями.

      2. Измерьте сопротивление в соответствии со значениями, приведенными в таблице ниже.

        Номинальное сопротивление
        Подключение диагностического прибора Условие Заданные условия
        I3-7 (GND) - масса Всегда Менее 1 Ом
        I4-21 (SEL) - масса Всегда Менее 1 Ом
      3. Измерьте напряжение в соответствии со значениями, приведенными в таблице.

        Номинальное напряжение
        Подключение диагностического прибора Условие Заданные условия
        I3-8 (B) - масса Всегда 11–14 В
        I4-9 (PCV1) - масса Зажигание включено 11–14 В
        I4-9 (PCV1) - масса Зажигание выключено Менее 1 В
        I4-11 (ECUB) - масса Всегда 11–14 В

    NG
    OK
  3. ПРОВЕРЬТЕ РАЗЪЕМ РАЗДВИЖНОЙ ДВЕРИ (ГНЕЗДОВУЮ ЧАСТЬ)


    1. B007VNWE01

      Снимите разъем раздвижной двери (гнездовую часть) (см. стр. Click here).

    2. Измерьте сопротивление в соответствии со значениями, приведенными в таблице ниже.

      Номинальное сопротивление
      Подключение диагностического прибора Условие Заданные условия
      B - 3 Всегда Менее 1 Ом
      D - 1 Всегда Менее 1 Ом

    NG
    OK
  4. ПРОВЕРЬТЕ РАЗЪЕМ РАЗДВИЖНОЙ ДВЕРИ (ШТЕКЕРНУЮ ЧАСТЬ)


    1. B007RTAE01

      Снимите разъем раздвижной двери (штекерную часть).

    2. Измерьте сопротивление в соответствии со значениями, приведенными в таблице ниже.

      Номинальное сопротивление
      Подключение диагностического прибора Значение Заданные условия
      B - 4 Всегда Менее 1 Ом
      D - 1 Всегда Менее 1 Ом

    NG
    OK
  5. ПРОВЕРЬТЕ ВЫКЛЮЧАТЕЛЬ ЗАМКА ЛЕВОЙ ДВЕРИ


    1. B007SMJE01
      Обозначения на рисунке
      *a Разъем раздвижной двери (гнездовая часть)
      *b Реле доводчика левой раздвижной двери

      Отсоедините разъемы A и B выключателя замка левой двери.

    2. Измерьте сопротивление в соответствии со значениями, приведенными в таблице ниже.

      Номинальное сопротивление
      Подключение диагностического прибора Условие Заданные условия
      A-1 - B-5 (+B) Всегда Менее 1 Ом
      A-3 - B-7(GND) Всегда Менее 1 Ом

    NG
    OK
  6. ПРОВЕРЬТЕ ЖГУТ ПРОВОДОВ И РАЗЪЕМ (РЕЛЕ УПРАВЛЕНИЯ БЛОКИРОВКОЙ ЛЕВОЙ ДВЕРИ - РАЗЪЕМ РАЗДВИЖНОЙ ДВЕРИ (ШТЕКЕРНАЯ ЧАСТЬ))


    1. Отсоедините разъем B32 реле доводчика левой раздвижной двери.

    2. Отсоедините разъем B55 разъема раздвижной двери (штекерной части).

    3. Измерьте сопротивление в соответствии со значениями, приведенными в таблице ниже.

      Номинальное сопротивление
      Подключение диагностического прибора Условие Заданные условия
      B32-5 (RLY) - B55-1 Всегда Менее 1 Ом
      B32-3 (E) - B55-4 Всегда Менее 1 Ом
      B32-5 (RLY) или B55-1 - масса Всегда 10 кОм или более
      B32-3 (E) или B55-4 - масса Всегда 10 кОм или более

    NG
    OK
  7. ПРОВЕРЬТЕ РЕЛЕ ДОВОДЧИКА ЛЕВОЙ РАЗДВИЖНОЙ ДВЕРИ


    1. B007UY2E01
      Обозначения на рисунке
      *a

      Вид спереди разъема со стороны жгута проводов:

      (к реле доводчика левой раздвижной двери)

      Отсоедините разъемы реле доводчика левой раздвижной двери.

    2. Измерьте сопротивление в соответствии со значениями, приведенными в таблице ниже.

      Номинальное сопротивление
      Контакты для подключения диагностического прибора Условие Заданные условия
      B-7 (GND) - масса Всегда Менее 1 Ом
    3. Измерьте напряжение в соответствии со значениями, приведенными в таблице.

      Номинальное напряжение
      Контакты для подключения диагностического прибора Условие Заданные условия
      B-5 (+B) - масса Раздвижная дверь ОТКРЫТА → в полуоткрытом положении Менее 1 В → 11-14 В

    NG
    OK
  8. ПРОВЕРЬТЕ РАЗЪЕМ РАЗДВИЖНОЙ ДВЕРИ (ГНЕЗДОВУЮ ЧАСТЬ)


    1. B007VNWE01

      Снимите разъем раздвижной двери (гнездовую часть) (см. стр. Click here).

    2. Измерьте сопротивление в соответствии со значениями, приведенными в таблице ниже.

      Номинальное сопротивление
      Подключение диагностического прибора Условие Заданные условия
      B - 3 Всегда Менее 1 Ом
      D - 1 Всегда Менее 1 Ом

    NG
    OK
  9. ПРОВЕРЬТЕ РАЗЪЕМ РАЗДВИЖНОЙ ДВЕРИ (ШТЕКЕРНУЮ ЧАСТЬ)


    1. B007R24E02

      Снимите разъем раздвижной двери (штекерную часть).

    2. Измерьте сопротивление в соответствии со значениями, приведенными в таблице ниже.

      Номинальное сопротивление
      Контакты для подключения диагностического прибора Условие Заданные условия
      B - 5 Всегда Менее 1 Ом
      D - 4 Всегда Менее 1 Ом

    NG
    OK
  10. ПРОВЕРЬТЕ ВЫКЛЮЧАТЕЛЬ ЗАМКА ПРАВОЙ ДВЕРИ


    1. B007SMJE01
      Обозначения на рисунке
      *a Разъем раздвижной двери (гнездовая часть)
      *b Реле доводчика правой раздвижной двери

      Отсоедините разъемы A и B выключателя замка правой двери.

    2. Измерьте сопротивление в соответствии со значениями, приведенными в таблице ниже.

      Номинальное сопротивление
      Подключение диагностического прибора Условие Заданные условия
      A-3 - B-5 (+B) Всегда Менее 1 Ом
      A-1 - B-7(GND) Всегда Менее 1 Ом

    NG
    OK
  11. ПРОВЕРЬТЕ ЖГУТ ПРОВОДОВ И РАЗЪЕМ (РЕЛЕ УПРАВЛЕНИЯ ПРАВОЙ ДВЕРЬЮ - РАЗЪЕМ РАЗДВИЖНОЙ ДВЕРИ (ШТЕКЕРНАЯ ЧАСТЬ))


    1. Отсоедините разъем M2 реле доводчика правой раздвижной двери.

    2. Отсоедините разъем M1 разъема раздвижной двери (штекерной части).

    3. Измерьте сопротивление в соответствии со значениями, приведенными в таблице ниже.

      Номинальное сопротивление
      Подключение диагностического прибора Условие Заданные условия
      M2-5 (IG) - M1-4 Всегда Менее 1 Ом
      M2-3 (GND) - M1-5 Всегда Менее 1 Ом
      M2-5 (IG) или M1-4 - масса Всегда 10 кОм или более
      M2-3 (GND) - M1-5 - масса Всегда 10 кОм или более

    NG
    OK
  12. ПРОВЕРЬТЕ РЕЛЕ ДОВОДЧИКА ПРАВОЙ РАЗДВИЖНОЙ ДВЕРИ


    1. B007UY2E02
      Обозначения на рисунке
      *a

      Вид спереди разъема со стороны жгута проводов:

      (к реле доводчика правой раздвижной двери)

      Отсоедините разъемы реле доводчика правой раздвижной двери.

    2. Измерьте сопротивление в соответствии со значениями, приведенными в таблице ниже.

      Номинальное сопротивление
      Подключение диагностического прибора Условие Заданные условия
      B-7 (GND) - масса Всегда Менее 1 Ом
    3. Измерьте напряжение в соответствии со значениями, приведенными в таблице.

      Номинальное напряжение
      Подключение диагностического прибора Условие Заданные условия
      B-5 (+B) - масса Раздвижная дверь ОТКРЫТА → в полуоткрытом положении Менее 1 В → 11-14 В

    NG
    OK