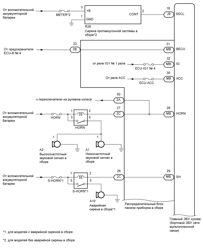
ПРОТИВОУГОННАЯ СИСТЕМА СХЕМА СИСТЕМЫ

B438346E05
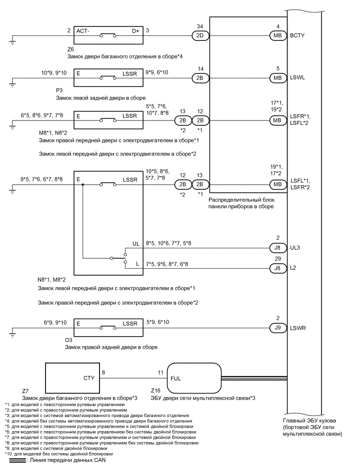
B424463E05
B424464E02
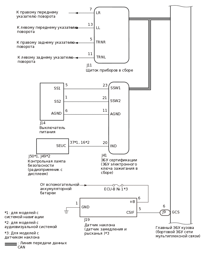
B508207E01
B508208E01