AIRBAG SYSTEM, Diagnostic DTC:B1800/51, B1801/51, B1802/51, B1803/51

DTC Code DTC Name
B1800/51 Short in Driver Side Squib Circuit
B1801/51 Open in Driver Side Squib Circuit
B1802/51 Short to GND in Driver Side Squib Circuit
B1803/51 Short to B+ in Driver Side Squib Circuit

DESCRIPTION

The driver side squib circuit consists of the airbag ECU assembly, spiral cable with sensor sub-assembly and horn button assembly.

The airbag ECU assembly uses this circuit to deploy the airbag when deployment conditions are met.

These DTCs are stored when a malfunction is detected in the driver side squib circuit.

DTC No. DTC Detection Condition Trouble Area
B1800/51
  • The airbag ECU assembly receives a line short circuit signal in the driver side squib circuit during primary check.

  • Spiral cable with sensor sub-assembly malfunction

  • Driver side squib malfunction

  • Airbag ECU assembly malfunction


  • Instrument panel wire

  • Spiral cable with sensor sub-assembly

  • Horn button assembly (Driver side squib)

  • Airbag ECU assembly

B1801/51
  • The airbag ECU assembly receives an open circuit signal in the driver side squib circuit.

  • Spiral cable with sensor sub-assembly malfunction

  • Driver side squib malfunction

  • Airbag ECU assembly malfunction

B1802/51
  • The airbag ECU assembly receives a short circuit to ground signal in the driver side squib circuit.

  • Spiral cable with sensor sub-assembly malfunction

  • Driver side squib malfunction

  • Airbag ECU assembly malfunction

B1803/51
  • The airbag ECU assembly receives a short circuit to B+ signal in the driver side squib circuit.

  • Spiral cable with sensor sub-assembly malfunction

  • Driver side squib malfunction

  • Airbag ECU assembly malfunction

WIRING DIAGRAM

B005ZC9E08

CAUTION / NOTICE / HINT

Note

After turning the power switch off, waiting time may be required before disconnecting the cable from the negative (-) auxiliary battery terminal. Therefore, make sure to read the disconnecting the cable from the negative (-) auxiliary battery terminal notices before proceeding with work Click here.

Tech Tips


  • Perform the simulation method by selecting check mode (Signal Check) using the GTS Click here.

  • After selecting check mode (Signal Check), perform the simulation method by wiggling each connector of the airbag system or driving the vehicle on a city road or rough road Click here.

PROCEDURE


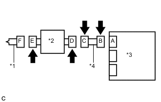
  1. CHECK CONNECTORS


    1. B005YDLE07
      Text in Illustration
      *1 Horn Button Assembly
      *2 Spiral Cable with Sensor Sub-assembly
      *3 Airbag ECU Assembly
      *4 Instrument Panel Wire

      Turn the power switch off.

    2. Disconnect the cable from the negative (-) auxiliary battery terminal.

      CAUTION:

      Wait at least 90 seconds after disconnecting the cable from the negative (-) auxiliary battery terminal to disable the SRS system.

    3. Check that the connectors are properly connected to the horn button assembly, spiral cable with sensor sub-assembly and airbag ECU assembly.

      OK
      The connectors are properly connected.

      Tech Tips

      If the connectors are not connected securely, reconnect the connectors and proceed to the next inspection.

    4. Disconnect the connectors from the horn button assembly, spiral cable with sensor sub-assembly and airbag ECU assembly.

    5. Check that the terminals of the connectors are not damaged.

      OK
      The terminals are not deformed or damaged.
    6. Check that the spiral cable with sensor sub-assembly connector (on the horn button assembly side) is not damaged.

      OK
      The lock button is not disengaged, or the claw of the lock is not deformed or damaged.
    7. Check that the short springs for the instrument panel wire and spiral cable with sensor sub-assembly with the activation prevention mechanism are not deformed or damaged.

      OK
      The short springs are not deformed or damaged.

    NG
    OK
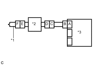
  2. CHECK HORN BUTTON ASSEMBLY (DRIVER SIDE SQUIB)


    1. B005YJME02
      Text in Illustration
      *1 Horn Button Assembly
      *2 Spiral Cable with Sensor Sub-assembly
      *3 Airbag ECU Assembly
      *a

      Front view of wire harness connector

      (to Horn Button Assembly)

      Connect the instrument panel wire to the airbag ECU assembly and spiral cable with sensor sub-assembly.

    2. Connect SST (resistance 2.1 Ω) to connector E (orange connector).

      CAUTION:

      Never connect the tester to the horn button assembly (driver side squib) for measurement, as this may lead to a serious injury due to airbag deployment.

      Note


      • Do not forcibly insert SST into the terminals of the connector when connecting it.

      • Insert SST straight into the terminals of the connector.

      SST
      09843-18061
    3. Connect the cable to the negative (-) auxiliary battery terminal.

    4. Clear the DTCs stored in memory Click here.

    5. Turn the power switch off.

    6. Turn the power switch on (IG), and wait for at least 60 seconds.

    7. Check for DTCs Click here.

      OK
      DTC B1800/51, B1801/51, B1802/51 or B1803/51 is not output.

      Tech Tips

      Codes other than DTCs B1800/51, B1801/51, B1802/51 and B1803/51 may be output at this time, but they are not related to this check.

    8. Turn the power switch off.

    9. Disconnect the cable from the negative (-) auxiliary battery terminal.

      CAUTION:

      Wait at least 90 seconds after disconnecting the cable from the negative (-) auxiliary battery terminal to disable the SRS system.

    10. Disconnect SST from connector E.


    OK
    NG
  3. CHECK DRIVER SIDE SQUIB CIRCUIT


    1. B005XDBE02
      Text in Illustration
      *1 Horn Button Assembly
      *2 Spiral Cable with Sensor Sub-assembly
      *3 Airbag ECU Assembly
      *a

      Front view of wire harness connector

      (to Horn Button Assembly)

      Disconnect the instrument panel wire from the airbag ECU assembly.

    2. Check for a short to B+ in the circuit.


      1. Connect the cable to the negative (-) auxiliary battery terminal.

      2. Turn the power switch on (IG).

      3. Measure the voltage according to the value(s) in the table below.

        Standard Voltage
        Tester Connection Condition Specified Condition
        z8-2 (D+) - Body ground Power switch on (IG) Below 1 V
        z8-1 (D-) - Body ground Power switch on (IG) Below 1 V
      4. Turn the power switch off.

      5. Disconnect the cable from the negative (-) auxiliary battery terminal.

        CAUTION:

        Wait at least 90 seconds after disconnecting the cable from the negative (-) auxiliary battery terminal to disable the SRS system.

    3. Check for an open in the circuit.


      1. Measure the resistance according to the value(s) in the table below.

        Standard Resistance
        Tester Connection Condition Specified Condition
        z8-2 (D+) - z8-1 (D-) Always Below 1 Ω
    4. Check for a short to ground in the circuit.


      1. Measure the resistance according to the value(s) in the table below.

        Standard Resistance
        Tester Connection Condition Specified Condition
        z8-2 (D+) - Body ground Always 1 MΩ or higher
        z8-1 (D-) - Body ground Always 1 MΩ or higher
    5. Check for a short in the circuit.


      1. Release the activation prevention mechanism built into connector B Click here.

      2. Measure the resistance according to the value(s) in the table below.

        Standard Resistance
        Tester Connection Condition Specified Condition
        z8-2 (D+) - z8-1 (D-) Always 1 MΩ or higher
      3. Restore the released activation prevention mechanism of connector B to the original condition.


    NG
    OK
  4. CHECK DTC


    1. B005XE5E01
      Text in Illustration
      *1 Horn Button Assembly
      *2 Spiral Cable with Sensor Sub-assembly
      *3 Airbag ECU Assembly

      Connect the connectors to the horn button assembly and airbag ECU assembly.

    2. Connect the cable to the negative (-) auxiliary battery terminal.

    3. Clear the DTCs stored in memory Click here.

    4. Turn the power switch off.

    5. Turn the power switch on (IG), and wait for at least 60 seconds.

    6. Check for DTCs Click here.

      OK
      DTC B1800/51, B1801/51, B1802/51 or B1803/51 is not output.

      Tech Tips

      Codes other than DTCs B1800/51, B1801/51, B1802/51 and B1803/51 may be output at this time, but they are not related to this check.


    OK
    NG
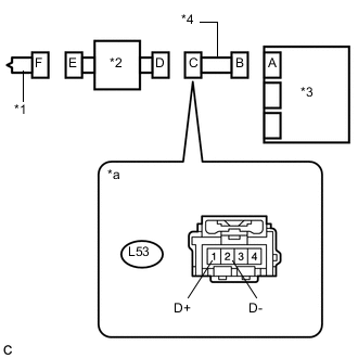
  5. CHECK INSTRUMENT PANEL WIRE


    1. B005ZEQE01
      Text in Illustration
      *1 Horn Button Assembly
      *2 Spiral Cable with Sensor Sub-assembly
      *3 Airbag ECU Assembly
      *4 Instrument Panel Wire
      *a

      Front view of wire harness connector

      (to Spiral Cable with Sensor Sub-assembly)

      Disconnect the instrument panel wire from the spiral cable with sensor sub-assembly.

    2. Check for a short to B+ in the circuit.


      1. Connect the cable to the negative (-) auxiliary battery terminal.

      2. Turn the power switch on (IG).

      3. Measure the voltage according to the value(s) in the table below.

        Standard Voltage
        Tester Connection Condition Specified Condition
        L53-1 (D+) - Body ground Power switch on (IG) Below 1 V
        L53-2 (D-) - Body ground Power switch on (IG) Below 1 V
      4. Turn the power switch off.

      5. Disconnect the cable from the negative (-) auxiliary battery terminal.

        CAUTION:

        Wait at least 90 seconds after disconnecting the cable from the negative (-) auxiliary battery terminal to disable the SRS system.

    3. Check for an open in the circuit.


      1. Measure the resistance according to the value(s) in the table below.

        Standard Resistance
        Tester Connection Condition Specified Condition
        L53-1 (D+) - L53-2 (D-) Always Below 1 Ω
    4. Check for a short to ground in the circuit.


      1. Measure the resistance according to the value(s) in the table below.

        Standard Resistance
        Tester Connection Condition Specified Condition
        L53-1 (D+) - Body ground Always 1 MΩ or higher
        L53-2 (D-) - Body ground Always 1 MΩ or higher
    5. Check for a short in the circuit.


      1. Release the activation prevention mechanism built into connector B Click here.

      2. Measure the resistance according to the value(s) in the table below.

        Standard Resistance
        Tester Connection Condition Specified Condition
        L53-1 (D+) - L53-2 (D-) Always 1 MΩ or higher
      3. Restore the released activation prevention mechanism of connector B to the original condition.


    NG
    OK
  6. CHECK SPIRAL CABLE WITH SENSOR SUB-ASSEMBLY


    1. B005ZSQE02
      Text in Illustration
      *1 Horn Button Assembly
      *2 Spiral Cable with Sensor Sub-assembly
      *3 Airbag ECU Assembly
      *4 Instrument Panel Wire
      *a

      Front view of wire harness connector

      (to Horn Button Assembly)

      Check for a short to B+ in the circuit.


      1. Connect the cable to the negative (-) auxiliary battery terminal.

      2. Turn the power switch on (IG).

      3. Measure the voltage according to the value(s) in the table below.

        Standard Voltage
        Tester Connection Condition Specified Condition
        z8-2 (D+) - Body ground Power switch on (IG) Below 1 V
        z8-1 (D-) - Body ground Power switch on (IG) Below 1 V
      4. Turn the power switch off.

      5. Disconnect the cable from the negative (-) auxiliary battery terminal.

        CAUTION:

        Wait at least 90 seconds after disconnecting the cable from the negative (-) auxiliary battery terminal to disable the SRS system.

    2. Check for an open in the circuit.


      1. Measure the resistance according to the value(s) in the table below.

        Standard Resistance
        Tester Connection Condition Specified Condition
        z8-2 (D+) - z8-1 (D-) Always Below 1 Ω
    3. Check for a short to ground in the circuit.


      1. Measure the resistance according to the value(s) in the table below.

        Standard Resistance
        Tester Connection Condition Specified Condition
        z8-2 (D+) - Body ground Always 1 MΩ or higher
        z8-1 (D-) - Body ground Always 1 MΩ or higher
    4. Check for a short in the circuit.


      1. Release the activation prevention mechanism built into connector D Click here.

      2. Measure the resistance according to the value(s) in the table below.

        Standard Resistance
        Tester Connection Condition Specified Condition
        z8-2 (D+) - z8-1 (D-) Always 1 MΩ or higher
      3. Restore the released activation prevention mechanism of connector D to the original condition.


    OK
    NG