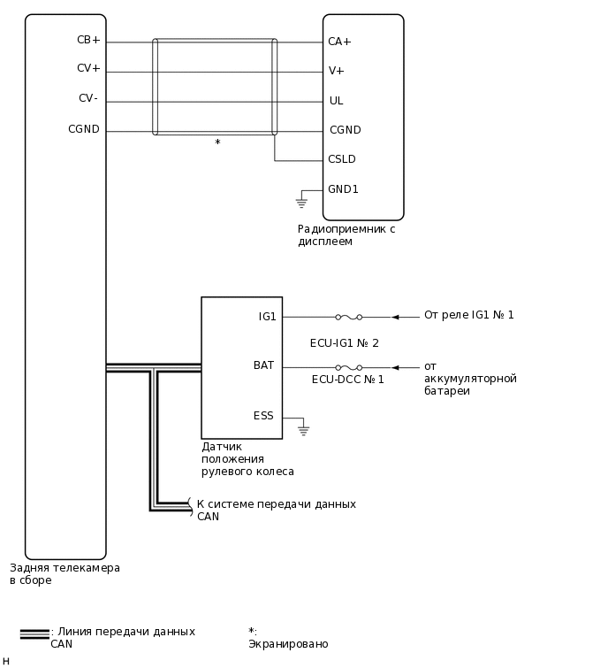
СИСТЕМА ПОМОЩИ ПРИ ПАРКОВКЕ СХЕМА СИСТЕМЫ

E372810E02
B484041E01
Table 1. Таблица обмена данными

уровня

Приемник

Сигнал

Линия

Радиоприемник с дисплеем

Задняя телекамера в сборе

Сигнал данных настройки

CAN

Датчик положения рулевого колеса

Задняя телекамера в сборе

Сигнал угла поворота рулевого колеса

CAN

ECM

Задняя телекамера в сборе

  • Сигнал данных об автомобиле

  • Сигнал заднего хода

CAN

Главный ЭБУ кузова (бортовой ЭБУ сети мультиплексной связи)

Задняя телекамера в сборе

  • Сигнал выключателя освещения проема двери багажного отделения

  • Сигнал данных об автомобиле

CAN

Датчик системы контроля слепых зон*

Задняя телекамера в сборе

Сигнал информации RCTA

CAN

ЭБУ предупреждения о недопустимой дистанции в сборе

Задняя телекамера в сборе

Информационный сигнал ультразвукового локатора

CAN

  • *: для моделей с системой контроля слепых зон