ОБОГРЕВАТЕЛИ СТЕКОЛ Система обогревателей заднего стекла не работает

Код DTC Наименование DTC
Система обогревателя заднего стекла не работает

ОПИСАНИЕ

При нажатии выключателя обогревателя заднего стекла на радиоприемнике в сборе в блок управления системой кондиционирования по шине CAN передается управляющий сигнал. Когда блок управления системой кондиционирования в сборе получает этот сигнал, он включает силовой полупроводниковый интегрированный ЭБУ для управления системой обогревателя стекла.

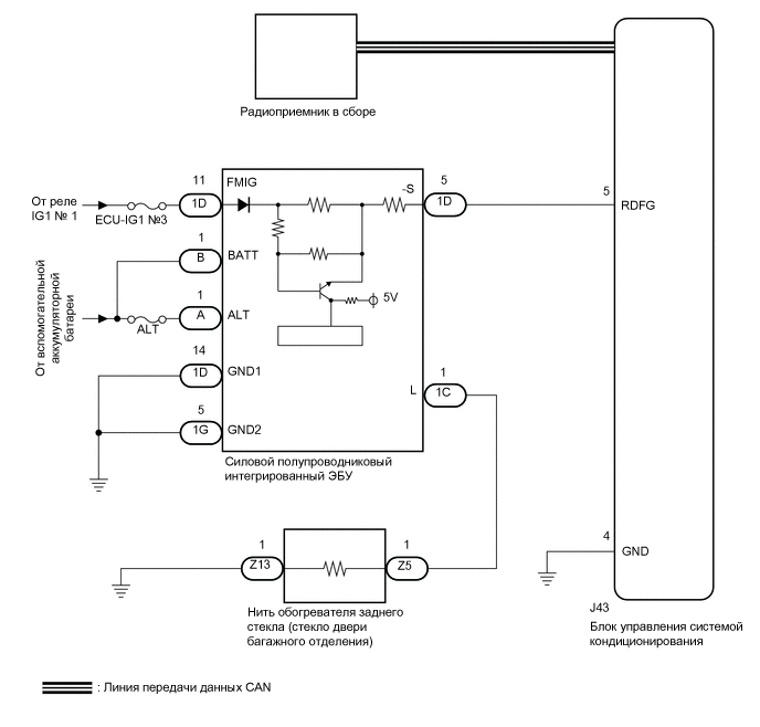
СХЕМА ЭЛЕКТРИЧЕСКИХ СОЕДИНЕНИЙ

B416367E08

ПРЕДОСТЕРЕЖЕНИЕ / ПРИМЕЧАНИЕ / УКАЗАНИЕ

Note:
  • Перед выполнением последующей процедуры проверки проверьте плавкие предохранители цепей, относящихся к данной системе.

  • При низком напряжении вспомогательной аккумуляторной батареи система обогревателя стекла может не работать. Если сообщение "Operation of Electrical Items Restricted" (работа электрических устройств ограничена) не отображается на мультиинформационном дисплее щитка приборов в сборе, проверьте параметр Data List "Battery Control Count (Body ECU)".

    Нажмите здесьClick here

  • В системе обогревателей стекла используется связь по шине CAN. Сначала убедитесь в отсутствии неисправностей линии передачи данных CAN. См. раздел "Порядок поиска неисправностей".

ПОРЯДОК ВЫПОЛНЕНИЯ

  1. ПРОВЕРЬТЕ СИСТЕМУ КОНДИЦИОНИРОВАНИЯ

    1. Проверьте систему кондиционирования.

      Tip:

      Сигналы управления системой обогревателя стекла и сигналы управления системой кондиционирования передаются в блок управления системой кондиционирования по одной и той же шине системы передачи данных.

      OK

      Система кондиционирования работает нормально.

    Result

    Перейти к

    OK

    НЕ СООТВ.

    НЕ СООТВ.

    ПЕРЕЙДИТЕ К СИСТЕМЕ КОНДИЦИОНИРОВАНИЯ

    Нажмите здесьClick hereClick here

    СООТВ
  2. ВЫПОЛНИТЕ АКТИВНУЮ ДИАГНОСТИКУ С ПОМОЩЬЮ GTS

    1. Подключите GTS к DLC3.

    2. Включите зажигание (IG).

    3. Включите GTS.

    4. Войдите в следующие меню: Body Electrical / Air Conditioner / Active Test.

    5. Выполните диагностику в режиме ACTIVE TEST в соответствии с указаниями на дисплее GTS.

      Body Electrical > Air Conditioner > Active Test

      Информация на дисплее прибора

      Измеряемая величина

      Диапазон регулирования

      Замечание по диагностике

      Defogger Relay (Rear)

      Нить обогревателя заднего стекла (стекло двери багажного отделения)

      OFF (ВЫКЛ) или ON (ВКЛ)

      -

      Body Electrical > Air Conditioner > Active Test

      Информация на дисплее прибора

      Defogger Relay (Rear)

      OK

      Система обогревателя заднего стекла работает нормально.

    Result

    Перейти к

    OK

    НЕ СООТВ.

    НЕ СООТВ.

    ПРОВЕРЬТЕ СИЛОВОЙ ПОЛУПРОВОДНИКОВЫЙ ИНТЕГРИРОВАННЫЙ ЭБУClick here

    OK
  3. ЗАМЕНИТЕ БЛОК УПРАВЛЕНИЯ СИСТЕМОЙ КОНДИЦИОНИРОВАНИЯ

    1. Замените блок управления системы кондиционирования новым или заведомо исправным.

      Нажмите здесьClick hereClick here

    2. Убедитесь, что система обогревателей стекла работает нормально.

      Нажмите здесьClick here

      OK

      Система обогревателя стекла работает нормально.

    Result

    Перейти к

    OK

    НЕ СООТВ.

    OK

    КОНЕЦ (БЛОК УПРАВЛЕНИЯ СИСТЕМОЙ КОНДИЦИОНИРОВАНИЯ БЫЛ НЕИСПРАВЕН)

    NG

    ЗАМЕНИТЕ РАДИОПРИЕМНИК В СБОРЕ

    Нажмите здесьClick hereClick hereClick here

  4. ПРОВЕРЬТЕ СИЛОВОЙ ПОЛУПРОВОДНИКОВЫЙ ИНТЕГРИРОВАННЫЙ ЭБУ

    1. С помощью вольтметра снимите показания сигнала силового полупроводникового интегрированного ЭБУ.

      Нажмите здесьClick here

      OK

      Показания выходного сигнала нормальные.

    Result

    Перейти к

    OK

    НЕ СООТВ.

    НЕ СООТВ.

    ПРОВЕРЬТЕ СИЛОВОЙ ПОЛУПРОВОДНИКОВЫЙ ИНТЕГРИРОВАННЫЙ ЭБУ (РЕЗУЛЬТАТЫ ПРОВЕРКИ ПОКАЗАНИЙ СИГНАЛОВ)

    Нажмите здесьClick here

    СООТВ
  5. ПРОВЕРЬТЕ ЖГУТ ПРОВОДОВ И РАЗЪЕМ (ИСТОЧНИК ПИТАНИЯ СИЛОВОГО ПОЛУПРОВОДНИКОВОГО ИНТЕГРИРОВАННОГО ЭБУ И МАССА)

    1. Снимите силовой полупроводниковый интегрированный ЭБУ с блока реле моторного отсека.

      Нажмите здесьClick hereClick hereClick here

      B416339C04

      *a

      Устройство без силового полупроводникового интегрированного ЭБУ

      (блок реле моторного отсека)

      -

      -

    2. Измерьте напряжение в соответствии со значениями, приведенными в таблице.

      Номинальное напряжение

      Подключение диагностического прибора

      Условие

      Заданные условия

      B-1 (BATT) - масса

      Питание выключено

      11–14 В

      A-1 (ALT) - масса

      Питание выключено

      11 - 14 В

    3. Измерьте сопротивление в соответствии со значениями, приведенными в таблице ниже.

      Номинальное сопротивление

      Подключение диагностического прибора

      Условие

      Номинальное значение

      1D-14 (GND1) - масса

      Всегда

      Менее 1 Ом

      1G-5 (GND2) - масса

      Всегда

      Менее 1 Ом

    Результат

    Перейти к

    OK

    НЕ СООТВ.

    НЕ СООТВ.

    ОТРЕМОНТИРУЙТЕ ИЛИ ЗАМЕНИТЕ ЖГУТ ПРОВОДОВ ИЛИ РАЗЪЕМ

    СООТВ
  6. ПРОВЕРЬТЕ ЖГУТ ПРОВОДОВ И РАЗЪЕМ (СИЛОВОЙ ПОЛУПРОВОДНИКОВЫЙ ИНТЕГРИРОВАННЫЙ ЭБУ – БЛОК УПРАВЛЕНИЯ СИСТЕМОЙ КОНДИЦИОНИРОВАНИЯ В СБОРЕ)

    1. Отсоедините разъем J43 блока управления системой кондиционирования.

    2. Измерьте сопротивление в соответствии со значениями, приведенными в таблице ниже.

      Номинальное сопротивление

      Подключение диагностического прибора

      Условие

      Заданные условия

      J43-5 (RDEF) - 1D-5 (-S)

      Всегда

      Менее 1 Ом

      J43-5 (RDEF) или 1D-5 (-S) - масса

      Всегда

      10 кОм или более

    Результат

    Перейти к

    OK

    НЕ СООТВ.

    НЕ СООТВ.

    ОТРЕМОНТИРУЙТЕ ИЛИ ЗАМЕНИТЕ ЖГУТ ПРОВОДОВ ИЛИ РАЗЪЕМ

    СООТВ
  7. ПРОВЕРЬТЕ СИЛОВОЙ ПОЛУПРОВОДНИКОВЫЙ ИНТЕГРИРОВАННЫЙ ЭБУ

    1. Установите силовой полупроводниковый интегрированный ЭБУ.

      Нажмите здесьClick hereClick here

    2. B416359C05

      *a

      Вид спереди разъема со стороны жгута проводов:

      (к блоку управления системой кондиционирования)

      Измерьте напряжение в соответствии со значениями, приведенными в таблице.

      Номинальное напряжение

      Подключение диагностического прибора

      Условие

      Заданные условия

      J43-5 (RDEF) - масса

      Питание включено (IG), выключатель обогревателя заднего стекла выключен

      11–14 В

    Result

    Перейти к

    OK

    НЕ СООТВ.

    НЕ СООТВ.

    ЗАМЕНИТЕ СИЛОВОЙ ПОЛУПРОВОДНИКОВЫЙ ИНТЕГРИРОВАННЫЙ ЭБУ

    Нажмите здесьClick hereClick hereClick here

    OK
  8. ПРОВЕРЬТЕ БЛОК УПРАВЛЕНИЯ СИСТЕМОЙ КОНДИЦИОНИРОВАНИЯ

    1. Подсоедините разъем J43 блока управления системой кондиционирования.

    2. B416363C06

      *a

      Устройство с подсоединенным жгутом проводов

      (блок управления системой кондиционирования)

      Измерьте напряжение в соответствии со значениями, приведенными в таблице.

      Номинальное напряжение

      Подключение диагностического прибора

      Условие

      Заданные условия

      J43-5 (RDEF) - J43-4 (GND)

      Питание включено (IG), выключатель обогревателя заднего стекла включен

      Менее 2,2 В

      J43-5 (RDEF) - J43-4 (GND)

      Питание включено (IG), выключатель обогревателя заднего стекла выключен

      11–14 В

    Результат

    Перейти к

    OK

    НЕ СООТВ.

    НЕ СООТВ.

    ЗАМЕНИТЕ БЛОК УПРАВЛЕНИЯ СИСТЕМОЙ КОНДИЦИОНИРОВАНИЯ

    Нажмите здесьClick hereClick here

    СООТВ
  9. ПРОВЕРЬТЕ ЖГУТ ПРОВОДОВ И РАЗЪЕМ (СИЛОВОЙ ПОЛУПРОВОДНИКОВЫЙ ИНТЕГРИРОВАННЫЙ ЭБУ - НИТЬ ОБОГРЕВАТЕЛЯ ЗАДНЕГО СТЕКЛА (СТЕКЛО ДВЕРИ БАГАЖНОГО ОТДЕЛЕНИЯ))

    1. Отсоедините разъем Z5 нити обогревателя заднего стекла (стекла двери багажного отделения).

    2. Отсоедините разъем 1C силового полупроводникового интегрированного ЭБУ.

    3. Измерьте сопротивление в соответствии со значениями, приведенными в таблице ниже.

      Номинальное сопротивление

      Подключение диагностического прибора

      Условие

      Заданные условия

      1C-1 (L) - Z5-1

      Всегда

      Менее 1 Ом

    Результат

    Перейти к

    OK

    НЕ СООТВ.

    НЕ СООТВ.

    ОТРЕМОНТИРУЙТЕ ИЛИ ЗАМЕНИТЕ ЖГУТ ПРОВОДОВ ИЛИ РАЗЪЕМ

    СООТВ
  10. ПРОВЕРЬТЕ СИЛОВОЙ ПОЛУПРОВОДНИКОВЫЙ ИНТЕГРИРОВАННЫЙ ЭБУ

    1. Подсоедините разъем 2C полупроводникового силового интегрированного ЭБУ.

    2. B388950C07

      *a

      Вид спереди разъема со стороны жгута проводов:

      (к нити обогревателя заднего стекла (стеклу двери багажного отделения))

      Измерьте напряжение в соответствии со значениями, приведенными в таблице.

      Номинальное напряжение

      Подключение диагностического прибора

      Условие

      Заданные условия

      Z5-1 - масса

      Питание включено (IG), выключатель обогревателя заднего стекла включен

      11–14 В

      Z5-1 - масса

      Питание включено (IG), выключатель обогревателя заднего стекла выключен

      Менее 1 В

    Результат

    Перейти к

    OK

    НЕ СООТВ.

    НЕ СООТВ.

    ЗАМЕНИТЕ СИЛОВОЙ ПОЛУПРОВОДНИКОВЫЙ ИНТЕГРИРОВАННЫЙ ЭБУ

    Нажмите здесьClick hereClick hereClick here

    СООТВ
  11. ПРОВЕРЬТЕ ЖГУТ ПРОВОДОВ И РАЗЪЕМ (НИТЬ ОБОГРЕВАТЕЛЯ ЗАДНЕГО СТЕКЛА (СТЕКЛО ДВЕРИ БАГАЖНОГО ОТДЕЛЕНИЯ) - МАССА)

    1. Отсоедините разъем Z13 нити обогревателя заднего стекла (стекла двери багажного отделения).

    2. Измерьте сопротивление в соответствии со значениями, приведенными в таблице ниже.

      Номинальное сопротивление

      Подключение диагностического прибора

      Условие

      Заданные условия

      Z13-1 - масса

      Всегда

      Менее 1 Ом

    Результат

    Перейти к

    OK

    НЕ СООТВ.

    OK

    ОТРЕМОНТИРУЙТЕ ИЛИ ЗАМЕНИТЕ НИТЬ ОБОГРЕВАТЕЛЯ ЗАДНЕГО СТЕКЛА (СТЕКЛА ДВЕРИ БАГАЖНОГО ОТДЕЛЕНИЯ)

    Нажмите здесьClick hereClick here

    NG

    ОТРЕМОНТИРУЙТЕ ИЛИ ЗАМЕНИТЕ ЖГУТ ПРОВОДОВ ИЛИ РАЗЪЕМ