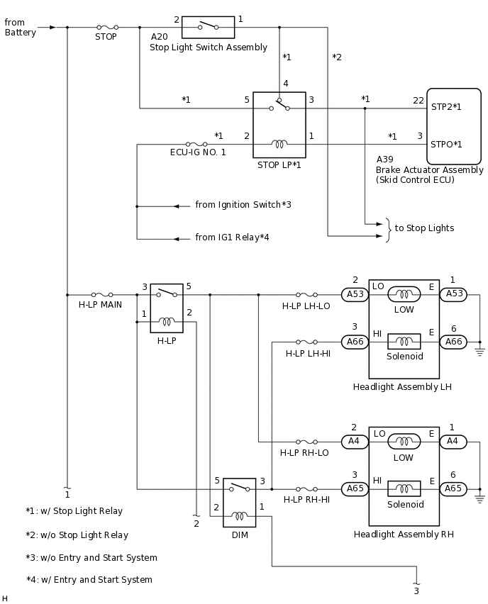
LIGHTING SYSTEM SYSTEM DIAGRAM

  1. w/o Automatic Light Control

    E319784E02
    E319785E01
    E293934E04
    E293935E02
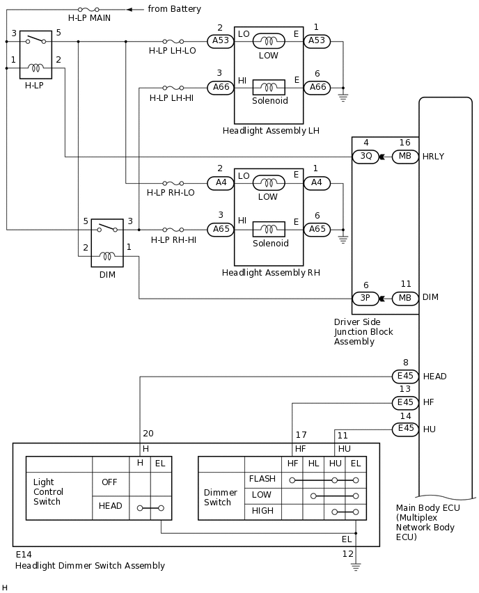
  2. w/ Automatic Light Control

E293936E02
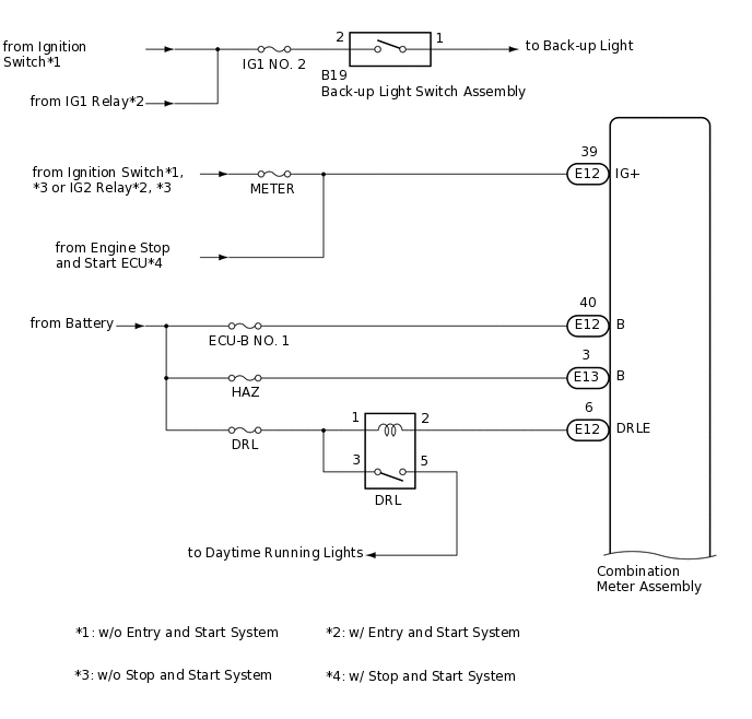
E319786E01
E319787E01
E293934E04
E293935E02