СИСТЕМА ОСВЕЩЕНИЯ Цепь фар дальнего света

Код DTC Наименование DTC
Цепь фар дальнего света

ОПИСАНИЕ

Включение фар дальнего света осуществляется под управлением ЭБУ системы управления уровнем фар.

СХЕМА ЭЛЕКТРИЧЕСКИХ СОЕДИНЕНИЙ

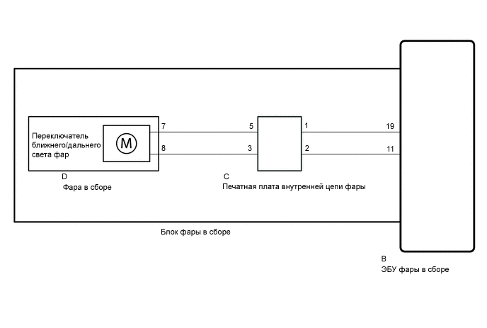
  1. Для моделей с трехлучевыми фарами без системы адаптивного включения дальнего света:

    E361189E03
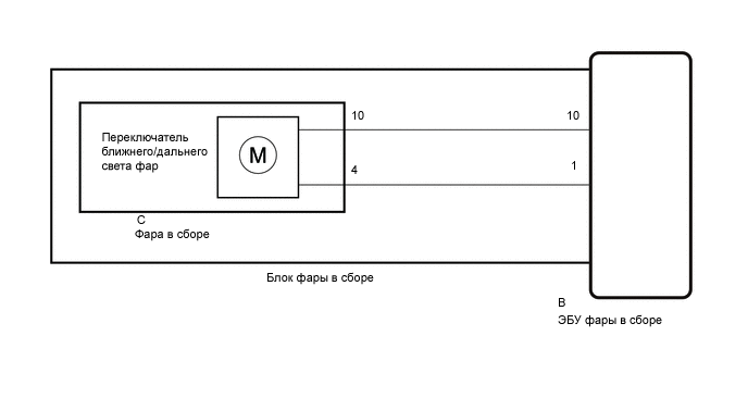
  2. Для моделей с однолучевыми фарами:

    E380018E01

ПРЕДОСТЕРЕЖЕНИЕ / ПРИМЕЧАНИЕ / УКАЗАНИЕ

Note:

После замены ЭБУ левой фары в сборе необходимо выполнить регистрацию информации об автомобиле и инициализацию.

Нажмите здесьЩелкните по следующей ссылке

ПОРЯДОК ВЫПОЛНЕНИЯ

  1. ПРОВЕРКА МОДЕЛИ

    1. Выберите модель для проверки.

    Result

    Result

    Перейти К

    для моделей с трехлучевыми фарами без системы адаптивного включения дальнего света

    A

    для моделей с однолучевыми фарами

    B

    B

    ВЫПОЛНИТЕ АКТИВНУЮ ДИАГНОСТИКУ С ПОМОЩЬЮ GTS (HEADLIGHT HI RELAY)Щелкните по следующей ссылке

    A
  2. ВЫПОЛНИТЕ АКТИВНУЮ ДИАГНОСТИКУ С ПОМОЩЬЮ GTS (HEADLIGHT HI RELAY)

    1. При помощи GTS выполните активную диагностику.

      Нажмите здесьЩелкните по следующей ссылкеЩелкните по следующей ссылке

      Body Electrical > AFS > Active Test

      Информация на дисплее прибора

      Измеряемая величина

      Диапазон регулирования

      Замечание по диагностике

      Headlight High Beam

      Включает фары дальнего света

      OFF (ВЫКЛ) или ON (ВКЛ)

      -

      Body Electrical > AFS > Active Test

      Информация на дисплее прибора

      Headlight High Beam

    Результат

    Result

    Перейдите к

    Испытание Active Test выполняется должным образом

    A

    Испытание Active Test не выполняется должным образом только для левой фары

    B

    Испытание Active Test не выполняется должным образом только для правой фары

    C

    A

    ПЕРЕЙДИТЕ К СЛЕДУЮЩЕМУ ПРЕДПОЛАГАЕМОМУ УЧАСТКУ, УКАЗАННОМУ В ТАБЛИЦЕ ПРИЗНАКОВ НЕИСПРАВНОСТЕЙ

    C

    ПРОВЕРЬТЕ БЛОК ПРАВОЙ ФАРЫ В СБОРЕЩелкните по следующей ссылке

    B
  3. ПРОВЕРЬТЕ БЛОК ЛЕВОЙ ФАРЫ В СБОРЕ

    1. Поменяйте местами блок левой и правой фары и подсоедините к ним разъемы.

      Нажмите здесьЩелкните по следующей ссылке

    2. Убедитесь, что левая фара дальнего света работает нормально.

      Нажмите здесьЩелкните по следующей ссылке

      СООТВ

      Дальний свет левой фары работает нормально.

    Результат

    Перейти к

    OK

    НЕ СООТВ.

    НЕ СООТВ.

    ЗАМЕНИТЕ ЭБУ ЛЕВОЙ ФАРЫ В СБОРЕ

    СООТВ
  4. ПРОВЕРЬТЕ ЭБУ ЛЕВОЙ ФАРЫ В СБОРЕ

    1. E382316C02

      *a

      Устройство с неподсоединенным жгутом проводов

      (левая фара)

      Снимите левый блок фары.

      Нажмите здесьЩелкните по следующей ссылке

    2. Подсоедините разъемы ЭБУ левой фары № 1 в сборе.

    3. Измерьте напряжение в соответствии со значениями, приведенными в таблице.

      Номинальное напряжение

      Подключение диагностического прибора

      Условие

      Заданные условия

      D-7 - D-8

      Фары дальнего света горят

      11–14 В

    Результат

    Перейти к

    OK

    НЕ СООТВ.

    СООТВ

    ЗАМЕНИТЕ ЛЕВУЮ ФАРУ В СБОРЕ

    НЕ СООТВ.

    ЗАМЕНИТЕ БЛОК ЛЕВОЙ ФАРЫ В СБОРЕ

  5. ПРОВЕРЬТЕ БЛОК ПРАВОЙ ФАРЫ В СБОРЕ

    1. Поменяйте местами блок левой и правой фары и подсоедините к ним разъемы.

      Нажмите здесьЩелкните по следующей ссылке

    2. Убедитесь, что правая фара дальнего света работает нормально.

      Нажмите здесьЩелкните по следующей ссылке

      СООТВ

      Дальний свет правой фары работает нормально.

    Результат

    Перейти к

    OK

    НЕ СООТВ.

    НЕ СООТВ.

    ЗАМЕНИТЕ ЭБУ ПРАВОЙ ФАРЫ В СБОРЕ

    СООТВ
  6. ПРОВЕРЬТЕ ЭБУ ПРАВОЙ ФАРЫ В СБОРЕ

    1. E382316C02

      *a

      Устройство с неподсоединенным жгутом проводов

      (правая фара)

      Снимите правый блок фары.

      Нажмите здесьЩелкните по следующей ссылке

    2. Подсоедините разъемы ЭБУ правой фары № 1 в сборе.

    3. Измерьте напряжение в соответствии со значениями, приведенными в таблице.

      Номинальное напряжение

      Подключение диагностического прибора

      Условие

      Заданные условия

      D-7 - D-8

      Фары дальнего света горят

      11–14 В

    Результат

    Перейти к

    OK

    НЕ СООТВ.

    СООТВ

    ЗАМЕНИТЕ ПРАВУЮ ФАРУ В СБОРЕ

    НЕ СООТВ.

    ЗАМЕНИТЕ БЛОК ПРАВОЙ ФАРЫ В СБОРЕ

  7. ВЫПОЛНИТЕ АКТИВНУЮ ДИАГНОСТИКУ С ПОМОЩЬЮ GTS (HEADLIGHT HI RELAY)

    1. При помощи GTS выполните активную диагностику.

      Нажмите здесьЩелкните по следующей ссылкеЩелкните по следующей ссылке

      Body Electrical > HL AutoLeveling > Active Test

      Информация на дисплее прибора

      Измеряемая величина

      Диапазон регулирования

      Замечание по диагностике

      Headlight High Beam

      Включает фары дальнего света

      OFF (ВЫКЛ) или ON (ВКЛ)

      -

      Body Electrical > HL AutoLeveling > Active Test

      Информация на дисплее прибора

      Headlight High Beam

    Результат

    Result

    Перейдите к

    Испытание Active Test выполняется должным образом

    A

    Испытание Active Test не выполняется должным образом только для левой фары

    B

    Испытание Active Test не выполняется должным образом только для правой фары

    C

    A

    ПЕРЕЙДИТЕ К СЛЕДУЮЩЕМУ ПРЕДПОЛАГАЕМОМУ УЧАСТКУ, УКАЗАННОМУ В ТАБЛИЦЕ ПРИЗНАКОВ НЕИСПРАВНОСТЕЙ

    C

    ПРОВЕРЬТЕ БЛОК ПРАВОЙ ФАРЫ В СБОРЕЩелкните по следующей ссылке

    B
  8. ПРОВЕРЬТЕ БЛОК ЛЕВОЙ ФАРЫ В СБОРЕ

    1. Поменяйте местами блок левой и правой фары и подсоедините к ним разъемы.

      Нажмите здесьЩелкните по следующей ссылке

    2. Убедитесь, что левая фара дальнего света работает нормально.

      Нажмите здесьЩелкните по следующей ссылке

      СООТВ

      Дальний свет левой фары работает нормально.

    Результат

    Перейти к

    OK

    НЕ СООТВ.

    НЕ СООТВ.

    ЗАМЕНИТЕ ЭБУ ЛЕВОЙ ФАРЫ В СБОРЕ

    СООТВ
  9. ПРОВЕРЬТЕ БЛОК ЛЕВОЙ ФАРЫ В СБОРЕ

    1. E382314C02

      *a

      Устройство с неподсоединенным жгутом проводов

      (ЭБУ левой фары в сборе)

      *b

      Устройство с неподсоединенным жгутом проводов

      (левая фара)

      Снимите левый блок фары.

      Нажмите здесьЩелкните по следующей ссылке

    2. Измерьте сопротивление в соответствии со значениями, приведенными в таблице ниже.

      Номинальное сопротивление

      Подключение диагностического прибора

      Условие

      Заданные условия

      B-10 - C-10

      Всегда

      Менее 1 Ом

      B-1 - C-4

      Всегда

      Менее 1 Ом

    Результат

    Перейти к

    OK

    НЕ СООТВ.

    СООТВ

    ЗАМЕНИТЕ ЛЕВУЮ ФАРУ В СБОРЕ

    НЕ СООТВ.

    ЗАМЕНИТЕ БЛОК ЛЕВОЙ ФАРЫ В СБОРЕ

  10. ПРОВЕРЬТЕ БЛОК ПРАВОЙ ФАРЫ В СБОРЕ

    1. Поменяйте местами блок левой и правой фары и подсоедините к ним разъемы.

      Нажмите здесьЩелкните по следующей ссылке

    2. Убедитесь, что правая фара дальнего света работает нормально.

      Нажмите здесьЩелкните по следующей ссылке

      СООТВ

      Дальний свет правой фары работает нормально.

    Результат

    Перейти к

    OK

    НЕ СООТВ.

    НЕ СООТВ.

    ЗАМЕНИТЕ ЭБУ ПРАВОЙ ФАРЫ В СБОРЕ

    СООТВ
  11. ПРОВЕРЬТЕ БЛОК ПРАВОЙ ФАРЫ В СБОРЕ

    1. E382314C02

      *a

      Устройство с неподсоединенным жгутом проводов

      (ЭБУ правой фары в сборе)

      *b

      Устройство с неподсоединенным жгутом проводов

      (правая фара)

      Снимите правый блок фары.

      Нажмите здесьЩелкните по следующей ссылке

    2. Измерьте сопротивление в соответствии со значениями, приведенными в таблице ниже.

      Номинальное сопротивление

      Подключение диагностического прибора

      Условие

      Заданные условия

      B-10 - C-10

      Всегда

      Менее 1 Ом

      B-1 - C-4

      Всегда

      Менее 1 Ом

    Результат

    Перейти к

    OK

    НЕ СООТВ.

    СООТВ

    ЗАМЕНИТЕ ПРАВУЮ ФАРУ В СБОРЕ

    НЕ СООТВ.

    ЗАМЕНИТЕ БЛОК ПРАВОЙ ФАРЫ В СБОРЕ