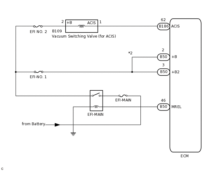
INTAKE SYSTEM SYSTEM DIAGRAM

A294144C02

*1

ECM

*2

Throttle Valve

*3

Vacuum Switching Valve (for ACIS)

*4

Diaphragm Chamber

*5

Intake Air Control Valve Actuator

-

*a

to Vacuum Pump

-

A364874E02