IMMOBILISER SYSTEM(w/o Smart Entry and Start System) Security Indicator Light Does not Blink

DESCRIPTION


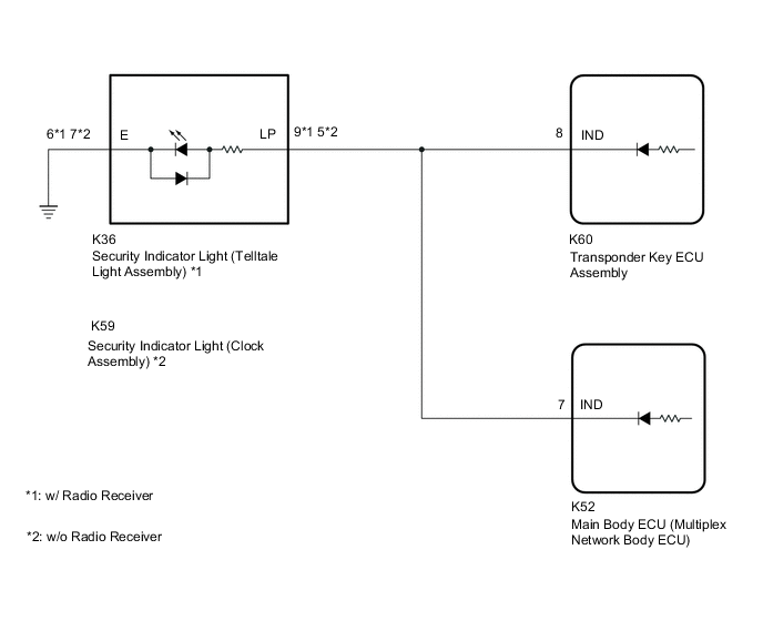
WIRING DIAGRAM

B00872DE07

CAUTION / NOTICE / HINT

Note


  • If the transponder key ECU assembly is replaced, refer to Service Bulletin.

  • The vehicle battery supplies power to the main body ECU (multiplex network body ECU) via the door control battery. Therefore, before performing this troubleshooting procedure, make sure to perform an on-vehicle inspection to confirm that the main body ECU (multiplex network body ECU) power source circuit is normal.*

    Click here


    • *: w/ Door Control Battery

PROCEDURE


  1. PERFORM ACTIVE TEST USING GTS (SECURITY INDICATOR)


    1. Connect the GTS to the DLC3.

    2. Turn the ignition switch to ON.

    3. Turn the GTS on.

    4. Enter the following menus: Body Electrical / Immobiliser or Main Body / Active Test.

    5. Perform the Active Test according to the display on the GTS.


      Body Electrical > Immobiliser > Active Test
      Tester Display Measurement Item Control Range Diagnostic Note
      Security Indicator Security indicator light ON/OFF -

      Body Electrical > Immobiliser > Active Test
      Tester Display
      Security Indicator

      Body Electrical > Main Body > Active Test
      Tester Display Measurement Item Control Range Diagnostic Note
      Security Indicator Security indicator light ON/OFF -

      Body Electrical > Main Body > Active Test
      Tester Display
      Security Indicator
      Result
      Result Proceed to
      Security indicator light operation is normal when performing the "Main Body" and "Immobiliser" Active Test A

      • Security indicator light operation is not normal when performing the "Immobiliser" Active Test

      • Security indicator light operation is normal when performing the "Main Body" Active Test

      B

      • Security indicator light operation is normal when performing the "Immobiliser" Active Test

      • Security indicator light operation is not normal when performing the "Main Body" Active Test

      C
      Security indicator light operation is not normal when performing the "Main Body" and "Immobiliser" Active Test D

    B
    C
    D
    A
  2. CHECK SECURITY INDICATOR LIGHT OPERATION


    1. When the immobiliser is set, check that the security indicator light blinks.*1

      OK
      The security indicator light blinks normally.
    2. When the theft deterrent system is in the arming preparation state, check that the security indicator light is on.*2

      Click here

      OK
      The security indicator light is on.
      Result
      Result Proceed to
      Both *1 and *2 are OK A
      *1 is NG (*2 is OK) B
      *2 is NG (*1 is OK) C
      Both *1 and *2 are NG (w/ Radio Receiver) D
      Both *1 and *2 are NG (w/o Radio Receiver) E

    A
    B
    C
    D
    E
  3. CHECK HARNESS AND CONNECTOR (SECURITY INDICATOR LIGHT - TRANSPONDER KEY ECU ASSEMBLY)


    1. Disconnect the K36*1 or K59*2 security indicator light connector.


      • *1: w/ Radio Receiver

      • *2: w/o Radio Receiver

    2. Disconnect the K60 transponder key ECU assembly connector.

    3. Measure the resistance according to the value(s) in the table below.

      Standard Resistance
      w/ Radio Receiver
      Tester Connection Condition Specified Condition
      K60-8 (IND) - K36-9 (LP) Always Below 1 Ω
      K60-8 (IND) or K36-9 (LP) - Other terminals and body ground Always 10 kΩ or higher
      Standard Resistance
      w/o Radio Receiver
      Tester Connection Condition Specified Condition
      K60-8 (IND) - K59-5 (LP) Always Below 1 Ω
      K60-8 (IND) or K59-5 (LP) - Other terminals and body ground Always 10 kΩ or higher
      Result
      Proceed to
      OK
      NG

    OK
    NG
  4. CHECK HARNESS AND CONNECTOR (SECURITY INDICATOR LIGH - MAIN BODY ECU (MULTIPLEX NETWORK BODY ECU))


    1. Disconnect the K36*1 or K59*2 security indicator light connector.


      • *1: w/ Radio Receiver

      • *2: w/o Radio Receiver

    2. Disconnect the K52 main body ECU (multiplex network body ECU) connector.

    3. Measure the resistance according to the value(s) in the table below.

      Standard Resistance
      w/ Radio Receiver
      Tester Connection Condition Specified Condition
      K52-7 (IND) - K36-9 (LP) Always Below 1 Ω
      K52-7 (IND) or K36-9 (LP) - Other terminals and body ground Always 10 kΩ or higher
      Standard Resistance
      w/o Radio Receiver
      Tester Connection Condition Specified Condition
      K52-7 (IND) - K59-5 (LP) Always Below 1 Ω
      K52-7 (IND) or K59-5 (LP) - Other terminals and body ground Always 10 kΩ or higher
      Result
      Proceed to
      OK
      NG

    OK
    NG
  5. INSPECT SECURITY INDICATOR LIGHT


    1. Remove the security indicator light.

      Click here

    2. Inspect the security indicator light.

      Click here

      Result
      Result Proceed to
      OK A
      NG (w/ Radio Receiver) B
      NG (w/o Radio Receiver) C

    A
    B
    C