NAVIGATION SYSTEM Steering Pad Switch Circuit

DESCRIPTION

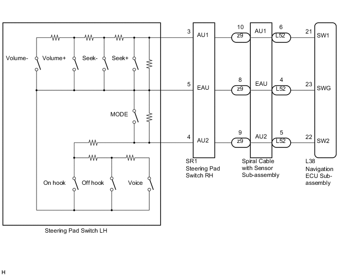
This circuit sends an operation signal from the steering pad switch assembly to the navigation ECU sub-assembly.

If there is an open in the circuit, the audio system cannot be operated using the steering pad switch assembly.

If there is a short in the circuit, the same condition as when a switch is continuously depressed occurs.

Therefore, the navigation ECU sub-assembly cannot be operated using the steering pad switch assembly, and also the navigation ECU sub-assembly itself cannot function.

WIRING DIAGRAM

A005AUAE02

CAUTION / NOTICE / HINT

Note

The vehicle is equipped with a Supplemental Restraint System (SRS) which includes components such as airbags. Before servicing (including removal or installation of parts), be sure to read the precaution for Supplemental Restraint System Click here.

PROCEDURE


  1. CHECK HARNESS AND CONNECTOR (STEERING PAD SWITCH SIGNAL)


    1. Disconnect the L38 navigation ECU sub-assembly connector.

    2. Measure the resistance according to the value(s) in the table below.

      Standard Resistance
      Tester Connection Condition Specified Condition
      L38-21 (SW1) - L38-23 (SWG) No switch pushed 95 to 105 kΩ
      Seek+ switch pushed Below 2.5 Ω
      Seek- switch pushed 323 to 335 Ω
      Volume+ switch pushed 980 to 1020 Ω
      Volume- switch pushed 3048 to 3172 Ω
      L38-22 (SW2) - L38-23 (SWG) No switch pushed 95 to 105 kΩ
      MODE switch pushed Below 2.5 Ω
      On hook switch pushed 323 to 335 Ω
      Off hook switch pushed 980 to 1020 Ω
      Voice switch pushed 3048 to 3172 Ω

    OK
    NG
  2. INSPECT STEERING PAD SWITCH ASSEMBLY


    1. Disconnect the z9 steering pad switch assembly connector.

      A0059RKE02
    2. Measure the resistance according to the value(s) in the table below.

      Standard Resistance
      Tester Connection Condition Specified Condition
      z9-10 (AU1) - z9-8 (EAU) No switch pushed 95 to 105 kΩ
      Seek+ switch pushed Below 2.5 Ω
      Seek- switch pushed 323 to 335 Ω
      Volume+ switch pushed 980 to 1020 Ω
      Volume- switch pushed 3048 to 3172 Ω
      z9-9 (AU2) - z9-8 (EAU) No switch pushed 95 to 105 kΩ
      MODE switch pushed Below 2.5 Ω
      On hook switch pushed 323 to 335 Ω
      Off hook switch pushed 980 to 1020 Ω
      Voice switch pushed 3048 to 3172 Ω
      Text in Illustration
      *a

      Component without harness connected

      (Steering Pad Switch Assembly)

      *b Seek+
      *c Seek- *d Volume+
      *e Volume- *f MODE
      *g Voice *h On hook
      *i Off hook - -
    3. Proceed to the next step based on the inspection result.

      Result
      Result Proceed to
      NG A
      OK B

    B
    A
  3. INSPECT STEERING PAD SWITCH RH


    1. Disconnect the z9 steering pad switch RH connector.

    2. Disconnect the SR1 steering pad switch RH connector.

      A005CVEE02
    3. Measure the resistance according to the value(s) in the table below.

      Standard Resistance
      Tester Connection Condition Specified Condition
      SR1-3 (AU1) - z9-10 (AU1) Always Below 1 Ω
      SR1-5 (EAU) - z9-8 (EAU) Always Below 1 Ω
      SR1-4 (AU2) - z9-9 (AU2) Always Below 1 Ω
      Text in Illustration
      *a

      Component without harness connected

      (Steering Pad Switch RH)

      - -

    OK
    NG
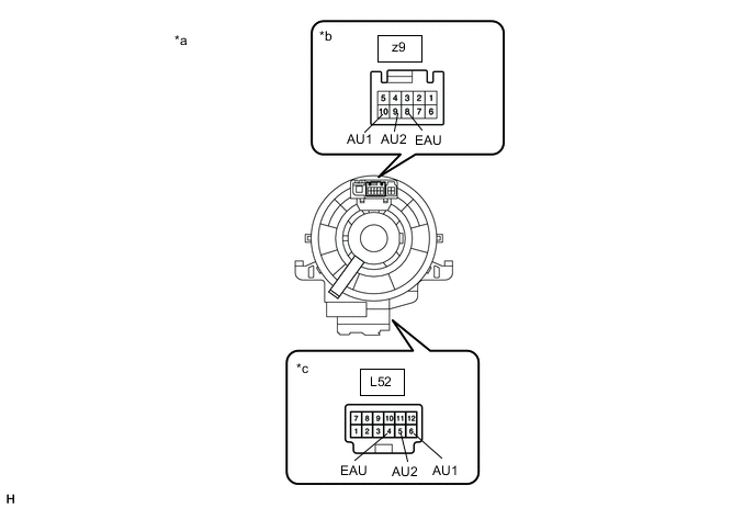
  4. INSPECT SPIRAL CABLE WITH SENSOR SUB-ASSEMBLY


    1. Disconnect the z9 steering pad switch assembly connector.

    2. Disconnect the L52 spiral cable with sensor sub-assembly connector.

    3. Measure the resistance according to the value(s) in the table below.

      A005E7NE01
      Standard Resistance
      Tester Connection Condition Specified Condition
      z9-8 (EAU) - L52-4 (EAU) Center Below 3 Ω
      2.5 rotations to the left
      2.5 rotations to the right
      z9-10 (AU1) - L52-6 (AU1) Center Below 3 Ω
      2.5 rotations to the left
      2.5 rotations to the right
      z9-9 (AU2) - L52-5 (AU2) Center Below 3 Ω
      2.5 rotations to the left
      2.5 rotations to the right
    4. After setting the spiral cable with sensor sub-assembly to the center position, rotate the spiral cable with sensor sub-assembly 2.5 times clockwise. Then while rotating the spiral cable with sensor sub-assembly 5 times counterclockwise, measure the resistance as shown in the table below.

      Standard Resistance
      Tester Connection Condition Specified Condition
      z9-8 (EAU) - L52-4 (EAU) Always Below 3 Ω
      z9-10 (AU1) - L52-6 (AU1) Always Below 3 Ω
      z9-9 (AU2) - L52-5 (AU2) Always Below 3 Ω

      Note


      • The spiral cable with sensor sub-assembly is an important part of the SRS airbag system. Incorrect removal or installation of the spiral cable with sensor sub-assembly may prevent the airbag from deploying. Refer to the pages shown in the brackets.

      • As the spiral cable with sensor sub-assembly may break, do not rotate the spiral cable with sensor sub-assembly more than the specified amount.

      Tech Tips


      Text in Illustration
      *a

      Component without harness connected

      (Spiral Cable with Sensor Sub-assembly)

      *b Steering Pad Switch Assembly Side
      *c Vehicle Side

    OK
    NG